体验三轴磁通密度测量,适用于自动驾驶车辆、相机云台等应用
A
A
硬件概览
它是如何工作的?
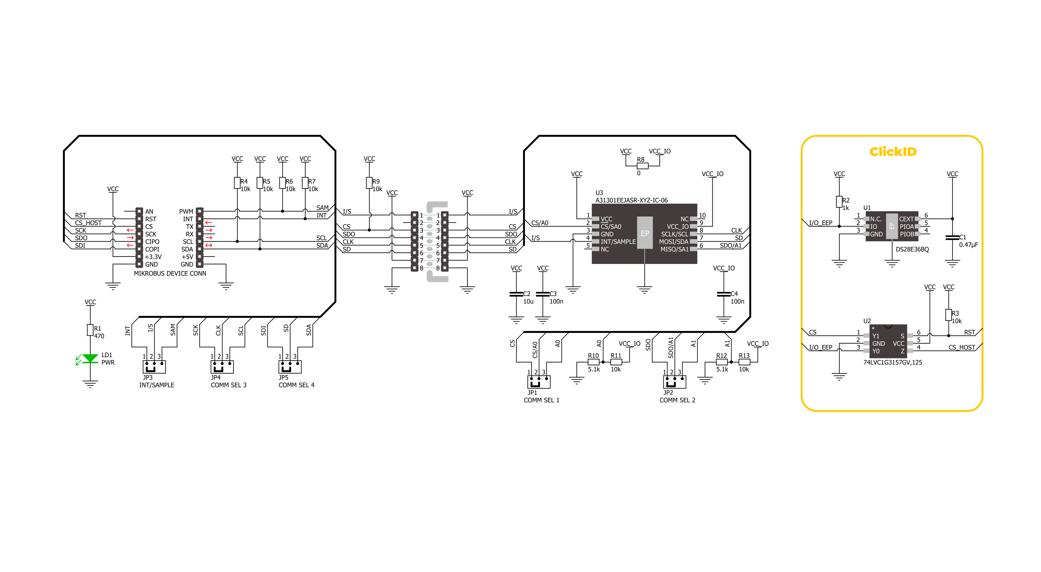
3D Hall 15 Click - I2C 基于 Allegro Microsystems 的 A31301EEJASR-XYZ-IC-06,这是一款三轴线性霍尔效应传感器 IC,能够为多种嵌入式应用提供高精度的三维磁场测量。该传感器具有先进的低功耗管理和灵活的磁场感应能力,可同时测量任意一轴、两轴或三轴的磁通密度,还支持在任意两个用户自定义平面内进行角度计算,非常适合复杂的磁场感应任务。它具有 ±600 高斯的标准磁场测量范围和 26.8LSB/G 的灵敏度,能够精准检测磁场变化。A31301EEJASR-XYZ-IC-06 与主控 MCU 通过 I2C 接口通信,支持最高 1MHz 的时钟频率。其 I2C 地址可通过内置 EEPROM 编程,实现多达 127 个唯一地址,方便在同一 I2C 总线上配置多个设备。此外,该器件支持用户可编程的磁性温度系数,出厂默认针对钕磁铁进行了校准,确保在不同温度条件下的稳定性能。A31301
拥有高度可配置的电源管理系统,使用户能够在功耗与性能之间取得理想平衡。其低泄漏睡眠电流模式使其非常适用于电池供电和便携式设计,包括云台稳定器、游戏手柄摇杆、电机控制反馈系统、遥控自动驾驶车辆、机器人位置感应和工业电机控制等应用。该 Click 板采用 MIKROE 新引入的 "Click Snap" 格式设计,使主传感器区域可通过断裂 PCB 实现模块化安装,极大提升了集成的灵活性。通过 Snap 结构,A31301 可在脱离主板后仍可通过 1-8 引脚独立工作,并配有标准螺丝孔,便于用户将其固定于理想位置。除了支持 I2C 通信的 A31301EEJASR-XYZ-IC-06 版本,该 Click 板还具有兼容其他 A31301 系列传感器的灵活封装,包括采用 SPI 通信接口的型号。SPI 版本支持高达 10MHz 的时钟频率,适用于需要更快数据传输或更确定性通信的应用。为了支持两种
通信协议,Click 板集成了一组 COMM SEL 跳线,用户可通过配置跳线选择所需的通信方式。所有跳线必须设置为相同位置,以确保设备正常运行,混合设置可能导致通信错误或功能异常。此外,3D Hall 15 Click - I2C 还包含两个辅助引脚 SAM 和 INT,分别用于传感器的采样触发和中断功能。由于这两个功能复用于 A31301 的同一个引脚,Click 板集成了一个 INT / SAMPLE 跳线,用户可根据应用需求选择引脚功能(中断输出或采样触发输入)。此 Click 板仅支持 3.3V 逻辑电平操作。若与不同逻辑电平的 MCU 配合使用,需进行电平转换。该板还配套提供易于使用的函数库和示例代码,便于用户进行二次开发与集成。
功能概述
开发板
Nucleo-64 搭载 STM32F410RB MCU 提供了一种经济高效且灵活的平台,供开发者探索新想法并原型设计他们的项目。该板利用 STM32 微控制器的多功能性,使用户能够为他们的项目选择最佳的性能与功耗平衡。它配备了 LQFP64 封装的 STM32 微控制器,并包含了如用户 LED(同时作为 ARDUINO® 信号)、用户和复位按钮,以及 32.768kHz 晶体振荡器用于精确的计时操作等基本组件。Nucleo-64 板设计考虑到扩展性和灵活性,它特有的 ARDUINO® Uno
V3 扩展连接器和 ST morpho 扩展引脚头,提供了对 STM32 I/O 的完全访问,以实现全面的项目整合。电源供应选项灵活,支持 ST-LINK USB VBUS 或外部电源,确保在各种开发环境中的适应性。该板还配备了一个具有 USB 重枚举功能的板载 ST-LINK 调试器/编程器,简化了编程和调试过程。此外,该板设计旨在简化高级开发,它的外部 SMPS 为 Vcore 逻辑供电提供高效支持,支持 USB 设备全速或 USB SNK/UFP 全速,并内置加密功能,提升了项目的功效
和安全性。通过外部 SMPS 实验的专用连接器、 用于 ST-LINK 的 USB 连接器以及 MIPI® 调试连接器,提供了更多的硬件接口和实验可能性。开发者将通过 STM32Cube MCU Package 提供的全面免费软件库和示例得到广泛支持。这些,加上与多种集成开发环境(IDE)的兼容性,包括 IAR Embedded Workbench®、MDK-ARM 和 STM32CubeIDE,确保了流畅且高效的开发体验,使用户能够充分利用 Nucleo-64 板在他们的项目中的能力。
微控制器概述
MCU卡片 / MCU

建筑
ARM Cortex-M4
MCU 内存 (KB)
128
硅供应商
STMicroelectronics
引脚数
64
RAM (字节)
32768
你完善了我!
配件
Click Shield for Nucleo-64 配备了两个专有的 mikroBUS™ 插座,使得所有的 Click board™ 设备都可以轻松地与 STM32 Nucleo-64 开发板连接。这样,Mikroe 允许其用户从不断增长的 Click boards™ 范围中添加任何功能,如 WiFi、GSM、GPS、蓝牙、ZigBee、环境传感器、LED、语音识别、电机控制、运动传感器等。您可以使用超过 1537 个 Click boards™,这些 Click boards™ 可以堆叠和集成。STM32 Nucleo-64 开发板基于 64 引脚封装的微控制器,采用 32 位 MCU,配备 ARM Cortex M4 处理器,运行速度为 84MHz,具有 512Kb Flash 和 96KB SRAM,分为两个区域,顶部区域代表 ST-Link/V2 调试器和编程器,而底部区域是一个实际的开发板。通过 USB 连接方便地控制和供电这些板子,以便直接对 Nucleo-64 开发板进行编程和高效调试,其中还需要额外的 USB 线连接到板子上的 USB 迷你接口。大多数 STM32 微控制器引脚都连接到了板子左右边缘的 IO 引脚上,然后连接到两个现有的 mikroBUS™ 插座上。该 Click Shield 还有几个开关,用于选择 mikroBUS™ 插座上模拟信号的逻辑电平和 mikroBUS™ 插座本身的逻辑电压电平。此外,用户还可以通过现有的双向电平转换器,使用任何 Click board™,无论 Click board™ 是否在 3.3V 或 5V 逻辑电压电平下运行。一旦将 STM32 Nucleo-64 开发板与我们的 Click Shield for Nucleo-64 连接,您就可以访问数百个工作于 3.3V 或 5V 逻辑电压电平的 Click boards™。
使用的MCU引脚
mikroBUS™映射器
“仔细看看!”
Click board™ 原理图

一步一步来
项目组装
软件支持
库描述
3D Hall 15 Click - I2C 演示应用程序使用 NECTO Studio开发,确保与 mikroSDK 的开源库和工具兼容。该演示设计为即插即用,可与所有具有 mikroBUS™ 插座的 开发板、入门板和 mikromedia 板完全兼容,用于快速实现和测试。
示例描述
本示例演示如何使用 3D Hall 15 Click - I2C,通过读取三个轴向的磁通密度,以及 X 轴与 Y 轴之间的角度和幅值,同时获取传感器内部温度。
关键功能:
- c3dhall15i2c_cfg_setup- 初始化 Click 配置结构为初始值。
- c3dhall15i2c_init- 初始化此 Click 板所需的所有引脚和外设
- c3dhall15i2c_default_cfg- 执行 3D Hall 15 I2C Click 板的默认配置。
- c3dhall15i2c_read_data- 读取温度、X/Y/Z 磁场、角度和幅值等数据。
应用初始化
初始化驱动程序并执行 Click 板的默认配置。
应用任务
每 100 毫秒读取一次传感器数据,并通过 USB UART 显示测量值。
开源
代码示例
完整的应用程序代码和一个现成的项目可以通过NECTO Studio包管理器直接安装到NECTO Studio。 应用程序代码也可以在MIKROE的GitHub账户中找到。
/*!
 * @file main.c
 * @brief 3D Hall 15 I2C Click example
 *
 * # Description
 * This example demonstrates the use of 3D Hall 15 I2C Click board by reading the magnetic
 * flux density from 3 axes, and the angle and magnitude between X and Y axes  
 * as well as the sensor internal temperature.
 *
 * The demo application is composed of two sections :
 *
 * ## Application Init
 * Initializes the driver and performs the Click default configuration.
 *
 * ## Application Task
 * Reads data from the sensor approximately every 100ms and displays the measurement
 * values on the USB UART.
 *
 * @author Stefan Filipovic
 *
 */
#include "board.h"
#include "log.h"
#include "c3dhall15i2c.h"
static c3dhall15i2c_t c3dhall15i2c;
static log_t logger;
void application_init ( void ) 
{
    log_cfg_t log_cfg;  /**< Logger config object. */
    c3dhall15i2c_cfg_t c3dhall15i2c_cfg;  /**< Click config object. */
    /** 
     * Logger initialization.
     * Default baud rate: 115200
     * Default log level: LOG_LEVEL_DEBUG
     * @note If USB_UART_RX and USB_UART_TX 
     * are defined as HAL_PIN_NC, you will 
     * need to define them manually for log to work. 
     * See @b LOG_MAP_USB_UART macro definition for detailed explanation.
     */
    LOG_MAP_USB_UART( log_cfg );
    log_init( &logger, &log_cfg );
    log_info( &logger, " Application Init " );
    // Click initialization.
    c3dhall15i2c_cfg_setup( &c3dhall15i2c_cfg );
    C3DHALL15I2C_MAP_MIKROBUS( c3dhall15i2c_cfg, MIKROBUS_1 );
    if ( I2C_MASTER_ERROR == c3dhall15i2c_init( &c3dhall15i2c, &c3dhall15i2c_cfg ) ) 
    {
        log_error( &logger, " Communication init." );
        for ( ; ; );
    }
    
    if ( C3DHALL15I2C_ERROR == c3dhall15i2c_default_cfg ( &c3dhall15i2c ) )
    {
        log_error( &logger, " Default configuration." );
        for ( ; ; );
    }
    
    log_info( &logger, " Application Task " );
}
void application_task ( void ) 
{
    c3dhall15i2c_data_t sensor_data;
    if ( C3DHALL15I2C_OK == c3dhall15i2c_read_data ( &c3dhall15i2c, &sensor_data ) )
    {
        log_printf( &logger, " X-axis: %.2f mT\r\n", sensor_data.x );
        log_printf( &logger, " Y-axis: %.2f mT\r\n", sensor_data.y );
        log_printf( &logger, " Z-axis: %.2f mT\r\n", sensor_data.z );
        log_printf( &logger, " Angle: %.1f deg\r\n", sensor_data.angle );
        log_printf( &logger, " Magnitude: %.1f\r\n", sensor_data.magnitude );
        log_printf( &logger, " Temperature: %.1f degC\r\n\n", sensor_data.temperature );
        Delay_ms ( 100 );
    }
}
int main ( void ) 
{
    /* Do not remove this line or clock might not be set correctly. */
    #ifdef PREINIT_SUPPORTED
    preinit();
    #endif
    
    application_init( );
    
    for ( ; ; ) 
    {
        application_task( );
    }
    return 0;
}
// ------------------------------------------------------------------------ END
额外支持
资源
类别:磁性

































