为工业级和关键任务型物联网设备增加安全、低功耗的蜂窝通信能力,并支持 2G 回退功能
A
A
硬件概览
它是如何工作的?
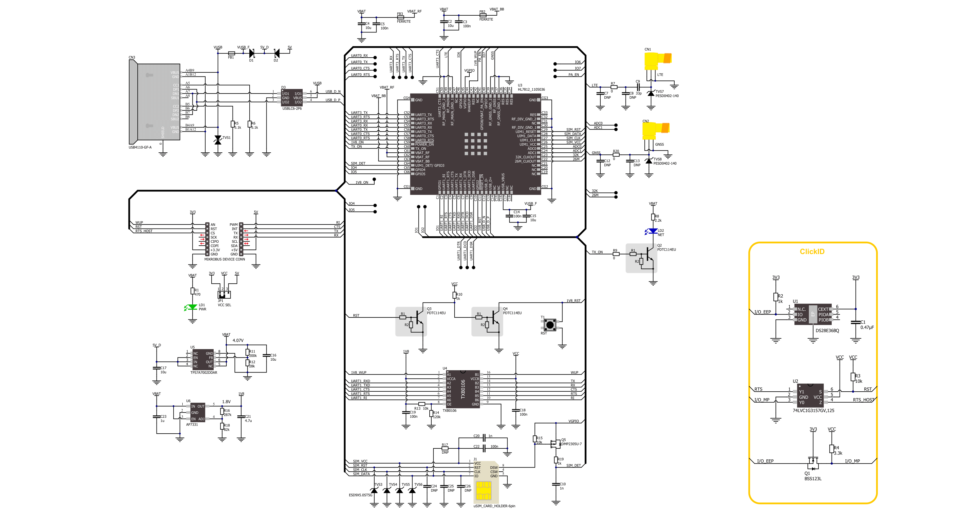
LTE IoT 19 Click 基于 Semtech 的 HL7812,这是一款面向工业及关键任务型物联网的全球低功耗广域网 (LPWA) 蜂窝通信模块,集成了 LTE-M、NB-IoT 以及 2G 回退功能。该模块具备行业领先的超低功耗、高发射功率和深度覆盖能力,非常适合远程或电池供电设备的部署,符合 3GPP Release 14 标准要求,确保长期现场设备的前瞻性连接能力。HL7812 同时支持 LTE Cat-M1、Cat-NB2 以及四频段 2G GPRS,可灵活地在不同无线接入技术 (RAT) 间手动或动态切换,确保即使在复杂环境下也能实现可靠通信。模块具备从边缘到云端的高等级安全特性,以及节能扩展功能,如省电模式 (PSM)、扩展不连续接收 (eDRX) 和释放辅助指示 (RAI),因此非常适用于资产追踪、智能抄表、智慧城市基础设施等需要高能效、稳健连接和长期运行的应用场景。HL7812 集成了先进的射频与协议功能,以最大化性能和灵活性。其在 850/900/1800/1900MHz 频段下支持高功率 2G 传输,并在 Cat-M1 与 Cat-NB2 模式下提供 Class 3 (23dBm) 发射功率,确保在小区边缘也能保持强连
接。LTE Cat-M1 支持最高 1100kbit/s 上行速率与590kbit/s 下行速率,而 Cat-NB2 支持最高 158kbit/s 上行速率与 127kbit/s 下行速率,并支持 3GPP Rel.14 的特性,如 HARQ-ACK 打包、多重 HARQ 进程及控制面 CIoT 优化。模块还内置 GNSS(GPS 与 GLONASS)用于精准定位与追踪,同时支持 NIDD 通过 SCEF/SGi 隧道传输、空闲与连接态移动性,并可在带内、保护带或独立模式下工作。HL7812 与主控 MCU 之间通过 UART 接口进行通信,采用标准 UART RX 与 TX 引脚,并配备硬件流控引脚 (CTS/RTS/RI),以实现高效数据传输。模块默认通信速率为 115200bps,使用 AT 指令进行数据交互。该 Click 板还配备 USB Type-C 接口,用于供电与数据传输,符合 USB 2.0 规范。此外,板上集成多项辅助功能以提升易用性与控制性。RESET 按钮可快速重置模块,该功能也可通过 mikroBUS™ RST 引脚数字控制,实现更高灵活性。除主 UART 接口外,板上还提供专用的调试 UART (UART0),用于固件调试与升级;并配备辅助 UART (UART3),可灵活用于 AT 指
令通信与数据传输,为开发者提供更多控制与连接选项。该板设有两个 SMA 天线接口,分别用于 LTE 天线(如 LTE Flat Rotation Antenna)与 GNSS 天线(如 MIKROE 提供的 GPS 被动天线),以确保高效的连接性能。还配备一个 micro SIM 卡槽,兼容 1.8V 与 3V uSIM 卡,方便用户根据应用选择合适的运营商服务。同时设有一个蓝色 TX 活动指示 LED。板上还提供一组标记为 ADC 的测试点,可访问 HL7812 模块的 12 位分辨率模数转换通道(输入电压范围 0–1.8V),用于监测外部信号;另有 32K 与 26M 测试点,可输出两个数字时钟信号,用于定时或诊断用途。该 Click 板支持 3.3V 与 5V 逻辑电平,可通过 VCC SEL 跳线进行选择。由于 HL7812 工作电压为 4.07V 且通信电平为 1.8V,因此板上集成了 TXB0106 逻辑电平转换器,以确保信号精确转换与正常运行。这样,无论是 3.3V 还是 5V 的 MCU 都可正常使用通信接口。此外,该 Click 板配备了软件库,包含易于使用的函数与示例代码,可作为进一步开发的参考。
功能概述
开发板
Arduino UNO 是围绕 ATmega328P 芯片构建的多功能微控制器板。它为各种项目提供了广泛的连接选项,具有 14 个数字输入/输出引脚,其中六个支持 PWM 输出,以及六个模拟输入。其核心组件包括一个 16MHz 的陶瓷谐振器、一个 USB 连接器、一个电
源插孔、一个 ICSP 头和一个复位按钮,提供了为板 子供电和编程所需的一切。UNO 可以通过 USB 连接到计算机,也可以通过 AC-to-DC 适配器或电池供电。作为第一个 USB Arduino 板,它成为 Arduino 平台的基准,"Uno" 符号化其作为系列首款产品的地
位。这个名称选择,意为意大利语中的 "一",是为了 纪念 Arduino Software(IDE)1.0 的推出。最初与 Arduino Software(IDE)版本1.0 同时推出,Uno 自此成为后续 Arduino 发布的基础模型,体现了该平台的演进。
微控制器概述
MCU卡片 / MCU

建筑
AVR
MCU 内存 (KB)
32
硅供应商
Microchip
引脚数
28
RAM (字节)
2048
你完善了我!
配件
Click Shield for Arduino UNO 具有两个专有的 mikroBUS™ 插座,使所有 Click board™ 设备能够轻松与 Arduino UNO 板进行接口连接。Arduino UNO 是一款基于 ATmega328P 的微控制器开发板,为用户提供了一种经济实惠且灵活的方式来测试新概念并构建基于 ATmega328P 微控制器的原型系统,结合了性能、功耗和功能的多种配置选择。Arduino UNO 具有 14 个数字输入/输出引脚(其中 6 个可用作 PWM 输出)、6 个模拟输入、16 MHz 陶瓷谐振器(CSTCE16M0V53-R0)、USB 接口、电源插座、ICSP 头和复位按钮。大多数 ATmega328P 微控制器的引脚都连接到开发板左右两侧的 IO 引脚,然后再连接到两个 mikroBUS™ 插座。这款 Click Shield 还配备了多个开关,可执行各种功能,例如选择 mikroBUS™ 插座上模拟信号的逻辑电平,以及选择 mikroBUS™ 插座本身的逻辑电压电平。此外,用户还可以通过现有的双向电平转换电压转换器使用任何 Click board™,无论 Click board™ 运行在 3.3V 还是 5V 逻辑电压电平。一旦将 Arduino UNO 板与 Click Shield for Arduino UNO 连接,用户即可访问数百种 Click board™,并兼容 3.3V 或 5V 逻辑电压电平的设备。
使用的MCU引脚
mikroBUS™映射器
“仔细看看!”
Click board™ 原理图

一步一步来
项目组装
软件支持
库描述
LTE IoT 19 Click 演示应用程序使用 NECTO Studio开发,确保与 mikroSDK 的开源库和工具兼容。该演示设计为即插即用,可与所有具有 mikroBUS™ 插座的 开发板、入门板和 mikromedia 板完全兼容,用于快速实现和测试。
示例描述
本示例演示了设备通过标准 “AT” 指令连接到网络并发送 SMS 或 TCP/UDP 消息,或从 GNSS 获取数据的功能。
关键功能:
lteiot19_cfg_setup- 初始化 Click 配置结构为初始值。lteiot19_init- 初始化该 Click 板所需的所有引脚和外设。lteiot19_set_sim_apn- 为 SIM 卡设置接入点名称 (APN)。lteiot19_send_sms_text- 向指定电话号码发送短信。lteiot19_cmd_run- 向 Click 模块发送指定命令。
应用初始化
初始化驱动程序和日志记录器。
应用任务
应用任务分为以下几个阶段:
LTEIOT19_POWER_UP- 启动设备,执行出厂重置并读取系统信息。LTEIOT19_CONFIG_CONNECTION- 配置设备以便能够连接到网络(仅用于 SMS 或 TCP/UDP 演示示例)。LTEIOT19_CHECK_CONNECTION- 等待通过 CEREG 命令指示的网络注册,然后检查信号质量报告(仅用于 SMS 或 TCP/UDP 演示示例)。LTEIOT19_CONFIG_EXAMPLE- 为所选示例配置设备。LTEIOT19_EXAMPLE- 根据所选演示示例,发送短信(PDU 或 TXT 模式)、TCP/UDP 消息,或等待 GNSS 获取定位信息。默认选择 TCP/UDP 示例。
开源
代码示例
完整的应用程序代码和一个现成的项目可以通过NECTO Studio包管理器直接安装到NECTO Studio。 应用程序代码也可以在MIKROE的GitHub账户中找到。
/*!
* @file main.c
* @brief LTE IoT 19 Click Example.
*
* # Description
* Application example shows device capability of connecting to the network and
* sending SMS or TCP/UDP messages or retrieving data from GNSS using standard "AT" commands.
*
* The demo application is composed of two sections :
*
* ## Application Init
* Initializes the driver and logger.
*
* ## Application Task
* Application task is split in few stages:
* - LTEIOT19_POWER_UP:
* Powers up the device, performs a factory reset and reads system information.
*
* - LTEIOT19_CONFIG_CONNECTION:
* Sets configuration to device to be able to connect to the network
* (used only for SMS or TCP/UDP demo examples).
*
* - LTEIOT19_CHECK_CONNECTION:
* Waits for the network registration indicated via CEREG command and then checks
* the signal quality report (used only for SMS or TCP/UDP demo examples).
*
* - LTEIOT19_CONFIG_EXAMPLE:
* Configures device for the selected example.
*
* - LTEIOT19_EXAMPLE:
* Depending on the selected demo example, it sends an SMS message (in PDU or TXT mode)
* or TCP/UDP message, or waits for the GPS fix to retrieve location info from GNSS.
*
* By default, the TCP/UDP example is selected.
*
* ## Additional Function
* - static void lteiot19_clear_app_buf ( void )
* - static void lteiot19_log_app_buf ( void )
* - static err_t lteiot19_process ( lteiot19_t *ctx )
* - static err_t lteiot19_read_response ( lteiot19_t *ctx, uint8_t *rsp, uint32_t max_rsp_time )
* - static err_t lteiot19_power_up ( lteiot19_t *ctx )
* - static err_t lteiot19_config_connection ( lteiot19_t *ctx )
* - static err_t lteiot19_check_connection ( lteiot19_t *ctx )
* - static err_t lteiot19_config_example ( lteiot19_t *ctx )
* - static err_t lteiot19_example ( lteiot19_t *ctx )
*
* @note
* In order for the examples to work (except GNSS example), user needs to set the APN and SMSC (SMS PDU mode only)
* of entered SIM card as well as the phone number (SMS mode only) to which he wants to send an SMS.
* Enter valid values for the following macros: SIM_APN, SIM_SMSC and PHONE_NUMBER.
* Example:
SIM_APN "internet"
SIM_SMSC "+381610401"
PHONE_NUMBER "+381659999999"
*
* @author Stefan Filipovic
*
*/
#include "board.h"
#include "log.h"
#include "lteiot19.h"
#include "conversions.h"
// Example selection macros
#define EXAMPLE_TCP_UDP 0 // Example of sending messages to a TCP/UDP echo server
#define EXAMPLE_SMS 1 // Example of sending SMS to a phone number
#define EXAMPLE_GNSS 2 // Example of retrieving location info from GNSS
#define DEMO_EXAMPLE EXAMPLE_TCP_UDP // Example selection macro
// SIM APN config
#define SIM_APN "" // Set valid SIM APN
// SMS example parameters
#define SIM_SMSC "" // Set valid SMS Service Center Address - only in SMS PDU mode
#define PHONE_NUMBER "" // Set Phone number to message
#define SMS_MODE "1" // SMS mode: "0" - PDU, "1" - TXT
// TCP/UDP example parameters
#define REMOTE_IP "54.187.244.144"// TCP/UDP echo server IP address
#define REMOTE_PORT "51111" // TCP/UDP echo server port
// Message content
#define MESSAGE_CONTENT "LTE IoT 19 Click board - demo example."
// Application buffer size
#define APP_BUFFER_SIZE 256
#define PROCESS_BUFFER_SIZE 256
/**
* @brief Example states.
* @details Predefined enum values for application example state.
*/
typedef enum
{
LTEIOT19_POWER_UP = 1,
LTEIOT19_CONFIG_CONNECTION,
LTEIOT19_CHECK_CONNECTION,
LTEIOT19_CONFIG_EXAMPLE,
LTEIOT19_EXAMPLE
} lteiot19_app_state_t;
/**
* @brief Application example variables.
* @details Variables used in application example.
*/
static uint8_t app_buf[ APP_BUFFER_SIZE ] = { 0 };
static int32_t app_buf_len = 0;
static lteiot19_app_state_t app_state = LTEIOT19_POWER_UP;
static lteiot19_t lteiot19;
static log_t logger;
/**
* @brief LTE IoT 19 clearing application buffer.
* @details This function clears memory of application buffer and reset its length.
* @note None.
*/
static void lteiot19_clear_app_buf ( void );
/**
* @brief LTE IoT 19 log application buffer.
* @details This function logs data from application buffer to USB UART.
* @note None.
*/
static void lteiot19_log_app_buf ( void );
/**
* @brief LTE IoT 19 data reading function.
* @details This function reads data from device and concatenates data to application buffer.
* @param[in] ctx : Click context object.
* See #lteiot19_t object definition for detailed explanation.
* @return @li @c 0 - Read some data.
* @li @c -1 - Nothing is read.
* See #err_t definition for detailed explanation.
* @note None.
*/
static err_t lteiot19_process ( lteiot19_t *ctx );
/**
* @brief LTE IoT 19 read response function.
* @details This function waits for a response message, reads and displays it on the USB UART.
* @param[in] ctx : Click context object.
* See #lteiot19_t object definition for detailed explanation.
* @param[in] rsp Expected response.
* @param[in] max_rsp_time : Maximum response time in milliseconds.
* @return @li @c 0 - OK response.
* @li @c -2 - Timeout error.
* @li @c -3 - Command error.
* See #err_t definition for detailed explanation.
* @note None.
*/
static err_t lteiot19_read_response ( lteiot19_t *ctx, uint8_t *rsp, uint32_t max_rsp_time );
/**
* @brief LTE IoT 19 power up function.
* @details This function powers up the device, performs a factory reset and reads system information.
* @param[in] ctx : Click context object.
* See #lteiot19_t object definition for detailed explanation.
* @return @li @c 0 - OK.
* @li @c != 0 - Read response error.
* See #err_t definition for detailed explanation.
* @note None.
*/
static err_t lteiot19_power_up ( lteiot19_t *ctx );
/**
* @brief LTE IoT 19 config connection function.
* @details This function configures and enables connection to the specified network.
* @param[in] ctx : Click context object.
* See #lteiot19_t object definition for detailed explanation.
* @return @li @c 0 - OK.
* @li @c != 0 - Read response error.
* See #err_t definition for detailed explanation.
* @note None.
*/
static err_t lteiot19_config_connection ( lteiot19_t *ctx );
/**
* @brief LTE IoT 19 check connection function.
* @details This function checks the connection to network.
* @param[in] ctx : Click context object.
* See #lteiot19_t object definition for detailed explanation.
* @return @li @c 0 - OK.
* @li @c != 0 - Read response error.
* See #err_t definition for detailed explanation.
* @note None.
*/
static err_t lteiot19_check_connection ( lteiot19_t *ctx );
/**
* @brief LTE IoT 19 config example function.
* @details This function configures device for the selected example.
* @param[in] ctx : Click context object.
* See #lteiot19_t object definition for detailed explanation.
* @return @li @c 0 - OK.
* @li @c != 0 - Read response error.
* See #err_t definition for detailed explanation.
* @note None.
*/
static err_t lteiot19_config_example ( lteiot19_t *ctx );
/**
* @brief LTE IoT 19 example function.
* @details This function executes SMS, TCP/UDP, or GNSS example depending on the DEMO_EXAMPLE macro.
* @param[in] ctx : Click context object.
* See #lteiot19_t object definition for detailed explanation.
* @return @li @c 0 - OK.
* @li @c != 0 - Read response error.
* See #err_t definition for detailed explanation.
* @note None.
*/
static err_t lteiot19_example ( lteiot19_t *ctx );
void application_init ( void )
{
log_cfg_t log_cfg; /**< Logger config object. */
lteiot19_cfg_t lteiot19_cfg; /**< Click config object. */
/**
* Logger initialization.
* Default baud rate: 115200
* Default log level: LOG_LEVEL_DEBUG
* @note If USB_UART_RX and USB_UART_TX
* are defined as HAL_PIN_NC, you will
* need to define them manually for log to work.
* See @b LOG_MAP_USB_UART macro definition for detailed explanation.
*/
LOG_MAP_USB_UART( log_cfg );
log_init( &logger, &log_cfg );
log_info( &logger, " Application Init " );
// Click initialization.
lteiot19_cfg_setup( <eiot19_cfg );
LTEIOT19_MAP_MIKROBUS( lteiot19_cfg, MIKROBUS_1 );
if ( UART_ERROR == lteiot19_init( <eiot19, <eiot19_cfg ) )
{
log_error( &logger, " Communication init." );
for ( ; ; );
}
log_info( &logger, " Application Task " );
app_state = LTEIOT19_POWER_UP;
log_printf( &logger, ">>> APP STATE - POWER UP <<<\r\n\n" );
}
void application_task ( void )
{
switch ( app_state )
{
case LTEIOT19_POWER_UP:
{
if ( LTEIOT19_OK == lteiot19_power_up( <eiot19 ) )
{
app_state = LTEIOT19_CONFIG_CONNECTION;
log_printf( &logger, ">>> APP STATE - CONFIG CONNECTION <<<\r\n\n" );
}
break;
}
case LTEIOT19_CONFIG_CONNECTION:
{
if ( LTEIOT19_OK == lteiot19_config_connection( <eiot19 ) )
{
app_state = LTEIOT19_CHECK_CONNECTION;
log_printf( &logger, ">>> APP STATE - CHECK CONNECTION <<<\r\n\n" );
}
break;
}
case LTEIOT19_CHECK_CONNECTION:
{
if ( LTEIOT19_OK == lteiot19_check_connection( <eiot19 ) )
{
app_state = LTEIOT19_CONFIG_EXAMPLE;
log_printf( &logger, ">>> APP STATE - CONFIG EXAMPLE <<<\r\n\n" );
}
break;
}
case LTEIOT19_CONFIG_EXAMPLE:
{
if ( LTEIOT19_OK == lteiot19_config_example( <eiot19 ) )
{
app_state = LTEIOT19_EXAMPLE;
log_printf( &logger, ">>> APP STATE - EXAMPLE <<<\r\n\n" );
}
break;
}
case LTEIOT19_EXAMPLE:
{
lteiot19_example( <eiot19 );
break;
}
default:
{
log_error( &logger, " APP STATE." );
break;
}
}
}
int main ( void )
{
/* Do not remove this line or clock might not be set correctly. */
#ifdef PREINIT_SUPPORTED
preinit();
#endif
application_init( );
for ( ; ; )
{
application_task( );
}
return 0;
}
static void lteiot19_clear_app_buf ( void )
{
memset( app_buf, 0, app_buf_len );
app_buf_len = 0;
}
static void lteiot19_log_app_buf ( void )
{
for ( int32_t buf_cnt = 0; buf_cnt < app_buf_len; buf_cnt++ )
{
log_printf( &logger, "%c", app_buf[ buf_cnt ] );
}
}
static err_t lteiot19_process ( lteiot19_t *ctx )
{
uint8_t rx_buf[ PROCESS_BUFFER_SIZE ] = { 0 };
int32_t overflow_bytes = 0;
int32_t rx_cnt = 0;
int32_t rx_size = lteiot19_generic_read( ctx, rx_buf, PROCESS_BUFFER_SIZE );
if ( ( rx_size > 0 ) && ( rx_size <= APP_BUFFER_SIZE ) )
{
if ( ( app_buf_len + rx_size ) > APP_BUFFER_SIZE )
{
overflow_bytes = ( app_buf_len + rx_size ) - APP_BUFFER_SIZE;
app_buf_len = APP_BUFFER_SIZE - rx_size;
for ( int32_t buf_cnt = 0; buf_cnt < overflow_bytes; buf_cnt++ )
{
log_printf( &logger, "%c", app_buf[ buf_cnt ] );
}
memmove ( app_buf, &app_buf[ overflow_bytes ], app_buf_len );
memset ( &app_buf[ app_buf_len ], 0, overflow_bytes );
}
for ( rx_cnt = 0; rx_cnt < rx_size; rx_cnt++ )
{
if ( rx_buf[ rx_cnt ] )
{
app_buf[ app_buf_len++ ] = rx_buf[ rx_cnt ];
}
}
return LTEIOT19_OK;
}
return LTEIOT19_ERROR;
}
static err_t lteiot19_read_response ( lteiot19_t *ctx, uint8_t *rsp, uint32_t max_rsp_time )
{
uint32_t timeout_cnt = 0;
lteiot19_clear_app_buf ( );
lteiot19_process( ctx );
while ( ( 0 == strstr( app_buf, rsp ) ) &&
( 0 == strstr( app_buf, LTEIOT19_RSP_ERROR ) ) )
{
lteiot19_process( ctx );
if ( timeout_cnt++ > max_rsp_time )
{
lteiot19_log_app_buf( );
lteiot19_clear_app_buf( );
log_error( &logger, " Timeout!" );
log_printf( &logger, "--------------------------------\r\n" );
return LTEIOT19_ERROR_TIMEOUT;
}
Delay_ms( 1 );
}
Delay_ms ( 200 );
lteiot19_process( ctx );
lteiot19_log_app_buf( );
log_printf( &logger, "--------------------------------\r\n" );
if ( strstr( app_buf, rsp ) )
{
return LTEIOT19_OK;
}
return LTEIOT19_ERROR_CMD;
}
static err_t lteiot19_power_up ( lteiot19_t *ctx )
{
err_t error_flag = LTEIOT19_ERROR;
while ( LTEIOT19_OK != error_flag )
{
log_printf( &logger, ">>> Reset device.\r\n" );
lteiot19_set_power_state ( ctx, LTEIOT19_POWER_STATE_RESET );
log_printf( &logger, ">>> Check communication.\r\n" );
lteiot19_cmd_run( ctx, LTEIOT19_CMD_AT );
error_flag = lteiot19_read_response( ctx, LTEIOT19_RSP_OK, LTEIOT19_MAX_RSP_TIME_DEFAULT );
}
log_printf( &logger, ">>> Get device model ID.\r\n" );
lteiot19_cmd_run( ctx, LTEIOT19_CMD_GET_MODEL_ID );
error_flag |= lteiot19_read_response( ctx, LTEIOT19_RSP_OK, LTEIOT19_MAX_RSP_TIME_DEFAULT );
log_printf( &logger, ">>> Get device software version ID.\r\n" );
lteiot19_cmd_run( ctx, LTEIOT19_CMD_GET_SW_VERSION );
error_flag |= lteiot19_read_response( ctx, LTEIOT19_RSP_OK, LTEIOT19_MAX_RSP_TIME_DEFAULT );
log_printf( &logger, ">>> Get device serial number.\r\n" );
lteiot19_cmd_run( ctx, LTEIOT19_CMD_GET_SERIAL_NUM );
error_flag |= lteiot19_read_response( ctx, LTEIOT19_RSP_OK, LTEIOT19_MAX_RSP_TIME_DEFAULT );
return error_flag;
}
static err_t lteiot19_config_connection ( lteiot19_t *ctx )
{
err_t error_flag = LTEIOT19_OK;
#if ( ( DEMO_EXAMPLE == EXAMPLE_TCP_UDP ) || ( DEMO_EXAMPLE == EXAMPLE_SMS ) )
log_printf( &logger, ">>> Set minimum functionality.\r\n" );
#define MIN_FUNCTIONALITY "0"
lteiot19_cmd_set( ctx, LTEIOT19_CMD_SET_UE_FUNCTIONALITY, MIN_FUNCTIONALITY );
error_flag |= lteiot19_read_response( ctx, LTEIOT19_RSP_OK, LTEIOT19_MAX_RSP_TIME_CFUN );
log_printf( &logger, ">>> Set SIM APN.\r\n" );
lteiot19_set_sim_apn( ctx, SIM_APN );
error_flag |= lteiot19_read_response( ctx, LTEIOT19_RSP_OK, LTEIOT19_MAX_RSP_TIME_CGDCONT );
log_printf( &logger, ">>> Enable full functionality.\r\n" );
#define FULL_FUNCTIONALITY "1"
lteiot19_cmd_set( ctx, LTEIOT19_CMD_SET_UE_FUNCTIONALITY, FULL_FUNCTIONALITY );
error_flag |= lteiot19_read_response( ctx, LTEIOT19_RSP_OK, LTEIOT19_MAX_RSP_TIME_CFUN );
log_printf( &logger, ">>> Enable network registration.\r\n" );
#define ENABLE_REG "2"
lteiot19_cmd_set( ctx, LTEIOT19_CMD_NETWORK_REGISTRATION, ENABLE_REG );
error_flag |= lteiot19_read_response( ctx, LTEIOT19_RSP_OK, LTEIOT19_MAX_RSP_TIME_DEFAULT );
#endif
return error_flag;
}
static err_t lteiot19_check_connection ( lteiot19_t *ctx )
{
err_t error_flag = LTEIOT19_OK;
#if ( ( DEMO_EXAMPLE == EXAMPLE_TCP_UDP ) || ( DEMO_EXAMPLE == EXAMPLE_SMS ) )
log_printf( &logger, ">>> Check network registration.\r\n" );
lteiot19_cmd_get ( <eiot19, LTEIOT19_CMD_NETWORK_REGISTRATION );
error_flag |= lteiot19_read_response( ctx, LTEIOT19_RSP_OK, LTEIOT19_MAX_RSP_TIME_DEFAULT );
if ( strstr( app_buf, LTEIOT19_URC_NETWORK_REGISTERED ) )
{
Delay_ms ( 1000 );
log_printf( &logger, ">>> Check signal quality.\r\n" );
lteiot19_cmd_run( <eiot19, LTEIOT19_CMD_SIGNAL_QUALITY_REPORT );
error_flag |= lteiot19_read_response( ctx, LTEIOT19_RSP_OK, LTEIOT19_MAX_RSP_TIME_DEFAULT );
}
else
{
error_flag = LTEIOT19_ERROR;
Delay_ms ( 1000 );
Delay_ms ( 1000 );
}
#endif
return error_flag;
}
static err_t lteiot19_config_example ( lteiot19_t *ctx )
{
err_t error_flag = LTEIOT19_OK;
#if ( DEMO_EXAMPLE == EXAMPLE_TCP_UDP )
log_printf( &logger, ">>> Show PDP address.\r\n" );
#define PDP_CID "1"
lteiot19_cmd_set( <eiot19, LTEIOT19_CMD_SHOW_PDP_ADDRESS, PDP_CID );
error_flag |= lteiot19_read_response( ctx, LTEIOT19_RSP_OK, LTEIOT19_MAX_RSP_TIME_DEFAULT );
#elif ( DEMO_EXAMPLE == EXAMPLE_SMS )
log_printf( &logger, ">>> Select SMS format.\r\n" );
lteiot19_cmd_set( <eiot19, LTEIOT19_CMD_SELECT_SMS_FORMAT, SMS_MODE );
error_flag |= lteiot19_read_response( ctx, LTEIOT19_RSP_OK, LTEIOT19_MAX_RSP_TIME_DEFAULT );
#elif ( DEMO_EXAMPLE == EXAMPLE_GNSS )
log_printf( &logger, ">>> Set minimum functionality.\r\n" );
#define MIN_FUNCTIONALITY "0"
lteiot19_cmd_set( ctx, LTEIOT19_CMD_SET_UE_FUNCTIONALITY, MIN_FUNCTIONALITY );
error_flag |= lteiot19_read_response( ctx, LTEIOT19_RSP_OK, LTEIOT19_MAX_RSP_TIME_CFUN );
log_printf( &logger, ">>> Enable GNSS functionality.\r\n" );
#define GNSS_AUTO_START "0"
lteiot19_cmd_set( <eiot19, LTEIOT19_CMD_GNSS_START, GNSS_AUTO_START );
error_flag |= lteiot19_read_response( ctx, LTEIOT19_RSP_OK, LTEIOT19_MAX_RSP_TIME_DEFAULT );
#endif
return error_flag;
}
static err_t lteiot19_example ( lteiot19_t *ctx )
{
err_t error_flag = LTEIOT19_OK;
#if ( DEMO_EXAMPLE == EXAMPLE_TCP_UDP )
uint8_t cmd_buf[ 200 ] = { 0 };
uint8_t * __generic_ptr socket_num_buf = 0;
uint8_t tcp_socket_num[ 2 ] = { 0 };
uint8_t udp_socket_num[ 2 ] = { 0 };
log_printf( &logger, ">>> Open TCP socket.\r\n" );
#define TCP_MODE_CLIENT "0"
strcpy( cmd_buf, PDP_CID );
strcat( cmd_buf, "," );
strcat( cmd_buf, TCP_MODE_CLIENT );
strcat( cmd_buf, ",\"" );
strcat( cmd_buf, REMOTE_IP );
strcat( cmd_buf, "\"," );
strcat( cmd_buf, REMOTE_PORT );
lteiot19_cmd_set ( <eiot19, LTEIOT19_CMD_TCP_OPEN_SOCKET, cmd_buf );
error_flag |= lteiot19_read_response( ctx, LTEIOT19_RSP_OK, LTEIOT19_MAX_RSP_TIME_DEFAULT );
socket_num_buf = strstr( app_buf, LTEIOT19_URC_TCP_SOCKET );
if ( NULL != socket_num_buf )
{
socket_num_buf += strlen ( LTEIOT19_URC_TCP_SOCKET );
tcp_socket_num[ 0 ] = *socket_num_buf;
}
log_printf( &logger, ">>> Open UDP socket.\r\n" );
#define UDP_MODE_CLIENT "0"
strcpy( cmd_buf, PDP_CID );
strcat( cmd_buf, "," );
strcat( cmd_buf, UDP_MODE_CLIENT );
lteiot19_cmd_set ( <eiot19, LTEIOT19_CMD_UDP_OPEN_SOCKET, cmd_buf );
error_flag |= lteiot19_read_response( ctx, LTEIOT19_URC_UDP_STATUS, LTEIOT19_MAX_RSP_TIME_DEFAULT );
socket_num_buf = strstr( app_buf, LTEIOT19_URC_UDP_SOCKET );
if ( NULL != socket_num_buf )
{
socket_num_buf += strlen ( LTEIOT19_URC_UDP_SOCKET );
udp_socket_num[ 0 ] = *socket_num_buf;
}
log_printf( &logger, ">>> Open TCP connection.\r\n" );
lteiot19_cmd_set ( <eiot19, LTEIOT19_CMD_TCP_START_CONNECTION, tcp_socket_num );
error_flag |= lteiot19_read_response( ctx, LTEIOT19_URC_TCP_STATUS, LTEIOT19_MAX_RSP_TIME_TCP_START );
// Get message length
uint8_t message_len_buf[ 10 ] = { 0 };
uint16_t message_len = strlen( MESSAGE_CONTENT );
uint16_to_str( message_len, message_len_buf );
l_trim( message_len_buf );
r_trim( message_len_buf );
log_printf( &logger, ">>> Write message to TCP connection.\r\n" );
strcpy( cmd_buf, tcp_socket_num );
strcat( cmd_buf, "," );
strcat( cmd_buf, message_len_buf );
lteiot19_cmd_set ( <eiot19, LTEIOT19_CMD_TCP_SEND_DATA, cmd_buf );
error_flag |= lteiot19_read_response( ctx, LTEIOT19_RSP_CONNECT, LTEIOT19_MAX_RSP_TIME_TCP_DATA );
lteiot19_generic_write( ctx, MESSAGE_CONTENT, message_len );
Delay_ms ( 100 );
lteiot19_generic_write( ctx, LTEIOT19_CMD_SWITCH_DATA_TO_CMD, strlen ( LTEIOT19_CMD_SWITCH_DATA_TO_CMD ) );
Delay_ms ( 100 );
error_flag |= lteiot19_read_response( ctx, LTEIOT19_URC_TCP_DATA, LTEIOT19_MAX_RSP_TIME_TCP_DATA );
log_printf( &logger, ">>> Read response from TCP connection.\r\n" );
lteiot19_cmd_set( <eiot19, LTEIOT19_CMD_TCP_RECEIVE_DATA, cmd_buf );
error_flag |= lteiot19_read_response( ctx, LTEIOT19_RSP_OK, LTEIOT19_MAX_RSP_TIME_TCP_DATA );
log_printf( &logger, ">>> Write message to UDP connection.\r\n" );
strcpy( cmd_buf, udp_socket_num );
strcat( cmd_buf, ",\"" );
strcat( cmd_buf, REMOTE_IP );
strcat( cmd_buf, "\"," );
strcat( cmd_buf, REMOTE_PORT );
strcat( cmd_buf, "," );
strcat( cmd_buf, message_len_buf );
lteiot19_cmd_set ( <eiot19, LTEIOT19_CMD_UDP_SEND_DATA, cmd_buf );
error_flag |= lteiot19_read_response( ctx, LTEIOT19_RSP_CONNECT, LTEIOT19_MAX_RSP_TIME_UDP_DATA );
lteiot19_generic_write( ctx, MESSAGE_CONTENT, message_len );
Delay_ms ( 100 );
lteiot19_generic_write( ctx, LTEIOT19_CMD_SWITCH_DATA_TO_CMD, strlen ( LTEIOT19_CMD_SWITCH_DATA_TO_CMD ) );
Delay_ms ( 100 );
error_flag |= lteiot19_read_response( ctx, LTEIOT19_URC_UDP_DATA, LTEIOT19_MAX_RSP_TIME_UDP_DATA );
log_printf( &logger, ">>> Read response from UDP connection.\r\n" );
strcpy( cmd_buf, udp_socket_num );
strcat( cmd_buf, "," );
strcat( cmd_buf, message_len_buf );
lteiot19_cmd_set( <eiot19, LTEIOT19_CMD_UDP_RECEIVE_DATA, cmd_buf );
error_flag |= lteiot19_read_response( ctx, LTEIOT19_RSP_OK, LTEIOT19_MAX_RSP_TIME_UDP_DATA );
log_printf( &logger, ">>> Close TCP socket.\r\n" );
lteiot19_cmd_set ( <eiot19, LTEIOT19_CMD_TCP_CLOSE_SOCKET, tcp_socket_num );
error_flag |= lteiot19_read_response( ctx, LTEIOT19_RSP_OK, LTEIOT19_MAX_RSP_TIME_TCP_CLOSE );
log_printf( &logger, ">>> Delete TCP socket.\r\n" );
lteiot19_cmd_set ( <eiot19, LTEIOT19_CMD_TCP_DELETE_SOCKET, tcp_socket_num );
error_flag |= lteiot19_read_response( ctx, LTEIOT19_RSP_OK, LTEIOT19_MAX_RSP_TIME_DEFAULT );
log_printf( &logger, ">>> Close UDP socket.\r\n" );
lteiot19_cmd_set ( <eiot19, LTEIOT19_CMD_UDP_CLOSE_SOCKET, udp_socket_num );
error_flag |= lteiot19_read_response( ctx, LTEIOT19_RSP_OK, LTEIOT19_MAX_RSP_TIME_UDP_CLOSE );
Delay_ms ( 1000 );
Delay_ms ( 1000 );
Delay_ms ( 1000 );
Delay_ms ( 1000 );
Delay_ms ( 1000 );
#elif ( DEMO_EXAMPLE == EXAMPLE_SMS )
// Check SMS mode
log_printf( &logger, ">>> Check SMS format.\r\n" );
lteiot19_cmd_get( <eiot19, LTEIOT19_CMD_SELECT_SMS_FORMAT );
error_flag |= lteiot19_read_response( ctx, LTEIOT19_RSP_OK, LTEIOT19_MAX_RSP_TIME_DEFAULT );
if ( strstr( app_buf, LTEIOT19_URC_SMS_FORMAT_PDU ) )
{
// Send SMS in PDU mode
log_printf( &logger, ">>> Send SMS in PDU mode.\r\n" );
lteiot19_send_sms_pdu( <eiot19, SIM_SMSC, PHONE_NUMBER, MESSAGE_CONTENT );
error_flag |= lteiot19_read_response( ctx, LTEIOT19_RSP_OK, LTEIOT19_MAX_RSP_TIME_CMGS );
}
else if ( strstr( app_buf, LTEIOT19_URC_SMS_FORMAT_TXT ) )
{
// Send SMS in TXT mode
log_printf( &logger, ">>> Send SMS in TXT mode.\r\n" );
lteiot19_send_sms_text ( <eiot19, PHONE_NUMBER, MESSAGE_CONTENT );
error_flag |= lteiot19_read_response( ctx, LTEIOT19_RSP_OK, LTEIOT19_MAX_RSP_TIME_CMGS );
}
// 30 seconds delay
for ( uint8_t delay_cnt = 0; delay_cnt < 30; delay_cnt++ )
{
Delay_ms ( 1000 );
}
#elif ( DEMO_EXAMPLE == EXAMPLE_GNSS )
lteiot19_cmd_get( <eiot19, LTEIOT19_CMD_GNSS_REPORT );
error_flag |= lteiot19_read_response( ctx, LTEIOT19_RSP_OK, LTEIOT19_MAX_RSP_TIME_DEFAULT );
Delay_ms ( 1000 );
#else
#error "No demo example selected"
#endif
return error_flag;
}
// ------------------------------------------------------------------------ END
额外支持
资源
类别:LTE 物联网


































