在创新与技术的交汇处,我们的 6DoF 运动跟踪解决方案确保了每一次移动的精确性,革新了我们与数字世界互动的方式。
A
A
硬件概览
它是如何工作的?
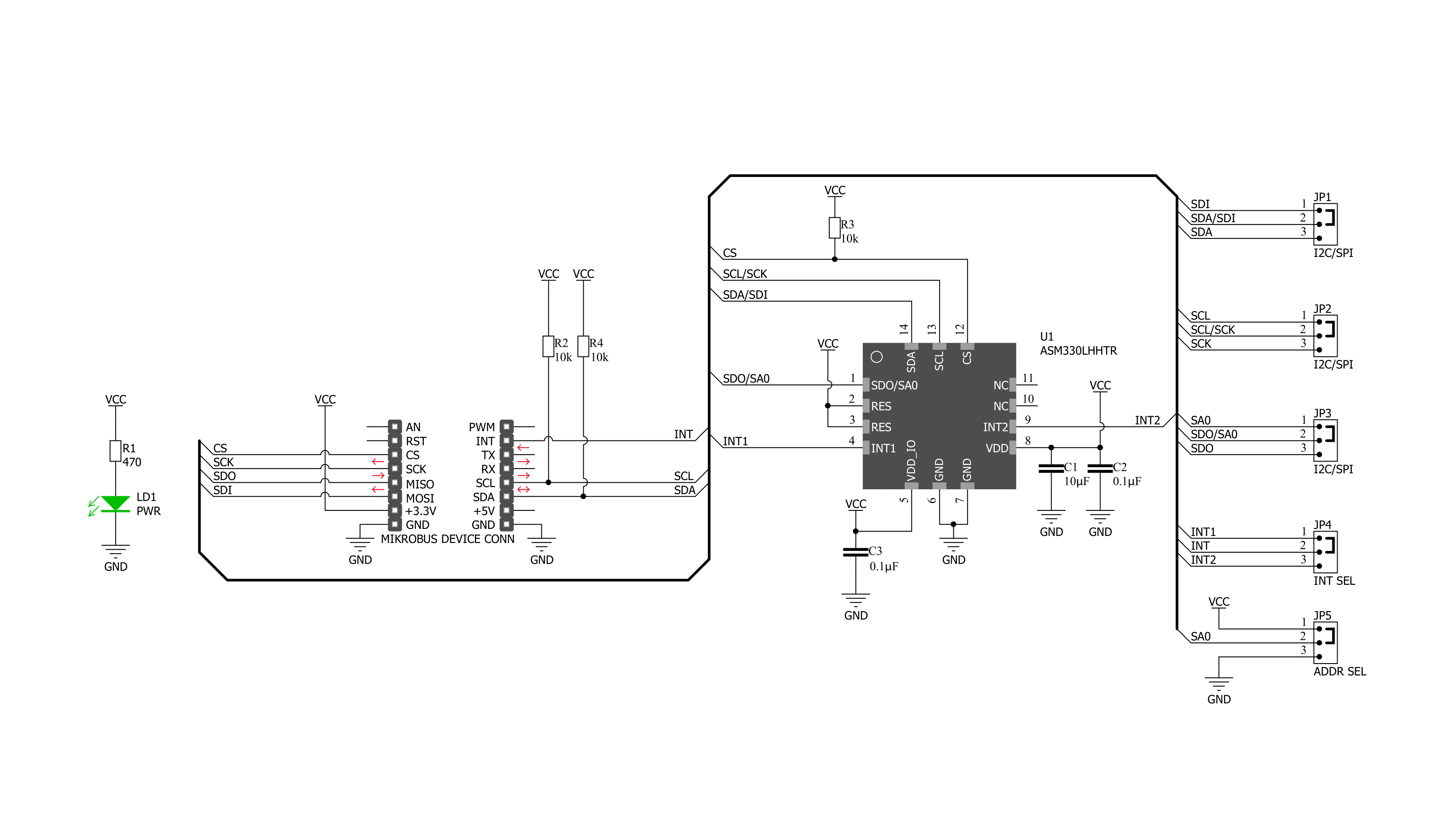
6DOF IMU 15 Click 基于 ASM330LHH,这是一款由 STMicroelectronics 提供的高性能 3 轴数字加速度计和 3 轴数字陀螺仪的系统封装。它具有 3kB 的 FIFO,可以降低串行总线接口的流量并通过允许系统处理器突发读取传感器数据然后进入低功耗模式来减少功耗。它还具有嵌入式补偿,以确保在温度变化下的高稳定性。ASM330LHH 具有可配置的全量程加速度范围,高达 ±16 g,以及广泛的角速度范围,从 ±125 dps 到 ±4000 dps,使其可以应用于广泛的应用领域。ASM330LHH 具有可编程中断系统,可以通过两个可用引脚生成中断信号。这两个中断引脚之一可以通过 INT SEL 跳
线 (JP4) 选择,该跳线连接到 mikroBUS™ 插槽的 INT 引脚。事件检测智能可编程中断使得实现运动激活功能更加高效和可靠,能够硬件识别自由落体事件、6D 方向、活动或不活动以及唤醒事件。6DOF IMU 15 Click 允许使用 I2C 和 SPI 接口,I2C 的最大频率为 400kHz,SPI 的最大频率为 10MHz。选择可以通过将标记为 COMM SEL 的 SMD 跳线放置到适当位置来完成。请注意,所有跳线必须放置在同一侧,否则 Click board™ 可能无响应。当选择 I2C 接口时,ASM330LHH 允许选择其 I2C 从属地址的最低有效位 (LSB)。这可以通过使用标记为 ADDR SEL 的 SMD 跳线来
完成。FIFO 缓冲器有助于进一步减少处理负载,提供输出数据的临时存储。ASM330LHH 包含一个 3kB 的 FIFO,可以通过串行接口访问。FIFO 配置寄存器确定哪些数据写入 FIFO。可能的选择包括陀螺仪数据、加速度计数据、时间戳和温度读数。这个 Click board™ 只能在 3.3V 逻辑电压水平下操作。使用不同逻辑电平的 MCU 之前,必须进行适当的逻辑电平转换。此外,这个 Click board™ 配备了一个包含易于使用的函数和示例代码的库,可以作为进一步开发的参考。
功能概述
开发板
32L496GDISCOVERY Discovery 套件是一款功能全面的演示和开发平台,专为搭载 Arm® Cortex®-M4 内核的 STM32L496AG 微控制器设计。该套件适用于需要在高性能、先进图形处理和超低功耗之间取得平衡的应用,支持无缝原型开发,适用于各种嵌入式解决方案。STM32L496AG 采用创新的节能架构,集成
了扩展 RAM 和 Chrom-ART 图形加速器,在提升图形性能的同时保持低功耗,使其特别适用于音频处理、图形用户界面和实时数据采集等对能效要求较高的应用。为了简化开发流程,该开发板配备了板载 ST-LINK/V2-1 调试器/编程器,提供即插即用的调试和编程体验,使用户无需额外硬件即可轻松加载、调
试和测试应用程序。凭借低功耗特性、增强的内存能力以及内置调试工具,32L496GDISCOVERY 套件是开发先进嵌入式系统、实现高效能解决方案的理想选择。
微控制器概述
MCU卡片 / MCU

建筑
ARM Cortex-M4
MCU 内存 (KB)
1024
硅供应商
STMicroelectronics
引脚数
169
RAM (字节)
327680
使用的MCU引脚
mikroBUS™映射器
“仔细看看!”
Click board™ 原理图

一步一步来
项目组装
实时跟踪您的结果
应用程序输出
1. 应用程序输出 - 在调试模式下,“应用程序输出”窗口支持实时数据监控,直接提供执行结果的可视化。请按照提供的教程正确配置环境,以确保数据正确显示。

2. UART 终端 - 使用UART Terminal通过USB to UART converter监视数据传输,实现Click board™与开发系统之间的直接通信。请根据项目需求配置波特率和其他串行设置,以确保正常运行。有关分步设置说明,请参考提供的教程。

3. Plot 输出 - Plot功能提供了一种强大的方式来可视化实时传感器数据,使趋势分析、调试和多个数据点的对比变得更加直观。要正确设置,请按照提供的教程,其中包含使用Plot功能显示Click board™读数的分步示例。在代码中使用Plot功能时,请使用以下函数:plot(insert_graph_name, variable_name);。这是一个通用格式,用户需要将“insert_graph_name”替换为实际图表名称,并将“variable_name”替换为要显示的参数。

软件支持
库描述
该库包含 6DOF IMU 15 Click 驱动程序的 API。
关键功能:
c6dofimu15_device_conf_set- 启用适当的设备配置功能c6dofimu15_accel_data_rate- 加速度计数据速率选择功能c6dofimu15_accel_full_scale- 加速度计全量程选择功能
开源
代码示例
完整的应用程序代码和一个现成的项目可以通过NECTO Studio包管理器直接安装到NECTO Studio。 应用程序代码也可以在MIKROE的GitHub账户中找到。
/*!
* \file
* \brief 6DofImu15 Click example
*
* # Description
* This example demonstrates the use of 6DOF IMU 15 Click board.
*
* The demo application is composed of two sections :
*
* ## Application Init
* Initializes the driver, checks the communication and sets the device
* default configuration.
*
* ## Application Task
* Measures acceleration and gyroscope data and displays the results on USB UART each second.
*
* \author MikroE Team
*
*/
// ------------------------------------------------------------------- INCLUDES
#include "board.h"
#include "log.h"
#include "c6dofimu15.h"
// ------------------------------------------------------------------ VARIABLES
static c6dofimu15_t c6dofimu15;
static log_t logger;
// ------------------------------------------------------ APPLICATION FUNCTIONS
void application_init ( void )
{
log_cfg_t log_cfg;
c6dofimu15_cfg_t cfg;
/**
* Logger initialization.
* Default baud rate: 115200
* Default log level: LOG_LEVEL_DEBUG
* @note If USB_UART_RX and USB_UART_TX
* are defined as HAL_PIN_NC, you will
* need to define them manually for log to work.
* See @b LOG_MAP_USB_UART macro definition for detailed explanation.
*/
LOG_MAP_USB_UART( log_cfg );
log_init( &logger, &log_cfg );
log_info( &logger, "---- Application Init ----" );
// Click initialization.
c6dofimu15_cfg_setup( &cfg );
C6DOFIMU15_MAP_MIKROBUS( cfg, MIKROBUS_1 );
c6dofimu15_init( &c6dofimu15, &cfg );
Delay_ms ( 100 );
if ( c6dofimu15_who_im_i( &c6dofimu15 ) )
{
log_printf( &logger, "---------------------- \r\n" );
log_printf( &logger, " 6DOF IMU 15 Click \r\n" );
log_printf( &logger, "---------------------- \r\n" );
}
else
{
log_printf( &logger, "---------------------- \r\n" );
log_printf( &logger, " FATAL ERROR!! \r\n" );
log_printf( &logger, "---------------------- \r\n" );
for ( ; ; );
}
c6dofimu15_default_cfg( &c6dofimu15 );
log_printf( &logger, " ---Initialised--- \r\n" );
log_printf( &logger, "---------------------- \r\n" );
Delay_ms ( 100 );
}
void application_task ( void )
{
float x_accel;
float y_accel;
float z_accel;
float x_gyro;
float y_gyro;
float z_gyro;
c6dofimu15_acceleration_rate( &c6dofimu15, &x_accel, &y_accel, &z_accel );
c6dofimu15_angular_rate( &c6dofimu15, &x_gyro, &y_gyro, &z_gyro );
log_printf( &logger, " Accel X: %.2f \t Gyro X: %.2f\r\n", x_accel, x_gyro );
log_printf( &logger, " Accel Y: %.2f \t Gyro Y: %.2f\r\n", y_accel, y_gyro );
log_printf( &logger, " Accel Z: %.2f \t Gyro Z: %.2f\r\n", z_accel, z_gyro );
log_printf( &logger, "----------------------------------\r\n");
Delay_ms ( 1000 );
}
int main ( void )
{
/* Do not remove this line or clock might not be set correctly. */
#ifdef PREINIT_SUPPORTED
preinit();
#endif
application_init( );
for ( ; ; )
{
application_task( );
}
return 0;
}
// ------------------------------------------------------------------------ END
额外支持
资源
类别:运动































