Add secure authentication to door locks, access systems, and digital wallets with fast and secure fingerprint capture, matching, and verification
A
A
Hardware Overview
How does it work?
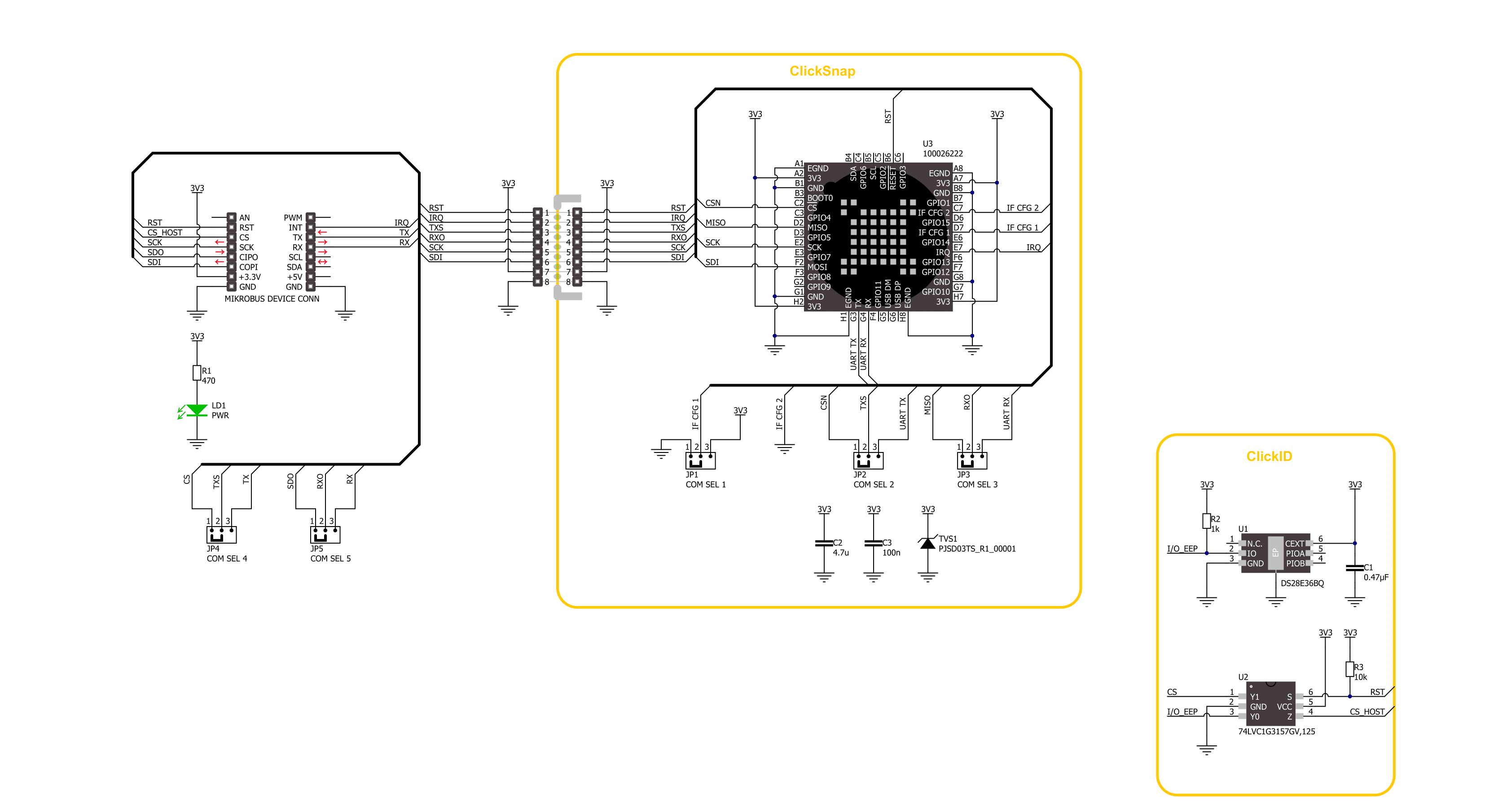
Fingerprint 5 Click is based on the FPC2530 (100026222), a fingerprint sensor from Fingerprints that brings reliable biometric identification into embedded applications by using the advanced fingerprint recognition technology. This sensor provides a complete biometric system with onboard authentication software, enabling fast and accurate fingerprint capture, matching, and verification directly on the device without the need for external processing. The sensor automatically creates fingerprint templates that are securely stored in its internal flash memory, while encrypted template storage ensures data privacy and protection against unauthorized access. Designed with navigation support for intuitive operation, the FPC2530 is enhanced by its durable black coating and a built-in hidden discharge node (bezel), offering robust protection against electrostatic discharge, scratches, impacts, and everyday wear and tear. The Fingerprint 5 Click is an excellent
choice for advanced biometric applications such as access control systems, door locks, crypto wallets, FIDO authenticators, secure tokens, digital access devices, as well as time and attendance systems where security, reliability, and long-term durability are essential. This Click board™ is designed in a unique format supporting the newly introduced MIKROE feature called "Click Snap." Unlike the standardized version of Click boards, this feature allows the main sensor/IC/module area to become movable by breaking the PCB, opening up many new possibilities for implementation. Thanks to the Snap feature, the FPC2530 can operate autonomously by accessing its signals directly on the pins marked 1-8. Additionally, the Snap part includes a specified and fixed screw hole position, enabling users to secure the Snap board in their desired location. This board supports communication with the host MCU through either SPI or UART interfaces, with SPI being the default
option. The communication interface is selected by adjusting the COMM SEL jumper to the desired position. To enhance flexibility, particularly with the detachable Snap section of the Click Snap format, an additional COMM SEL jumpers are available. These jumpers functions the same as the COMM SEL, allowing for independent communication interface selection when the Snap section is used independently. To ensure proper functionality, all COMM jumpers must be set to the same interface. In addition to the interface pins, the board also includes IRQ pin that serves as interrupt request in SPI interface or as host wake-up signal in both SPI and UART interfaces. This Click board™ can be operated only with a 3.3V logic voltage level. The board must perform appropriate logic voltage level conversion before using MCUs with different logic levels. It also comes equipped with a library containing functions and example code that can be used as a reference for further development.
Features overview
Development board
The 32L496GDISCOVERY Discovery kit serves as a comprehensive demonstration and development platform for the STM32L496AG microcontroller, featuring an Arm® Cortex®-M4 core. Designed for applications that demand a balance of high performance, advanced graphics, and ultra-low power consumption, this kit enables seamless prototyping for a wide range of embedded solutions. With its innovative energy-efficient
architecture, the STM32L496AG integrates extended RAM and the Chrom-ART Accelerator, enhancing graphics performance while maintaining low power consumption. This makes the kit particularly well-suited for applications involving audio processing, graphical user interfaces, and real-time data acquisition, where energy efficiency is a key requirement. For ease of development, the board includes an onboard ST-LINK/V2-1
debugger/programmer, providing a seamless out-of-the-box experience for loading, debugging, and testing applications without requiring additional hardware. The combination of low power features, enhanced memory capabilities, and built-in debugging tools makes the 32L496GDISCOVERY kit an ideal choice for prototyping advanced embedded systems with state-of-the-art energy efficiency.
Microcontroller Overview
MCU Card / MCU

Architecture
ARM Cortex-M4
MCU Memory (KB)
1024
Silicon Vendor
STMicroelectronics
Pin count
169
RAM (Bytes)
327680
Used MCU Pins
mikroBUS™ mapper
Take a closer look
Click board™ Schematic

Step by step
Project assembly
Software Support
Library Description
Fingerprint 5 Click demo application is developed using the NECTO Studio, ensuring compatibility with mikroSDK's open-source libraries and tools. Designed for plug-and-play implementation and testing, the demo is fully compatible with all development, starter, and mikromedia boards featuring a mikroBUS™ socket.
Example Description
This example demonstrates how to use the Fingerprint 5 Click board to enroll and identify fingerprints. The application cycles through several states: checking firmware readiness, reading version info, deleting existing templates, enrolling new fingerprints, and continuously identifying them.
Key functions:
fingerprint5_cfg_setup- This function initializes Click configuration structure to initial values.fingerprint5_init- This function initializes all necessary pins and peripherals used for this Click board.fingerprint5_enroll_finger- This function sends the enroll command for fingerprint registration.fingerprint5_identify_finger- This function sends the identify command to compare the input fingerprint with existing templates.fingerprint5_read_cmd- This function reads a response or event frame from the device.
Application Init
Initializes the logger and the Click board, resets the device and sets up the application state machine.
Application Task
Handles command processing and application state transitions, enabling fingerprint enrollment and identification.
Open Source
Code example
The complete application code and a ready-to-use project are available through the NECTO Studio Package Manager for direct installation in the NECTO Studio. The application code can also be found on the MIKROE GitHub account.
/*!
* @file main.c
* @brief Fingerprint 5 Click Example.
*
* # Description
* This example demonstrates how to use the Fingerprint 5 Click board to enroll and identify fingerprints.
* The application cycles through several states: checking firmware readiness, reading version info,
* deleting existing templates, enrolling new fingerprints, and continuously identifying them.
*
* The demo application is composed of two sections :
*
* ## Application Init
* Initializes the logger and the Click board, resets the device and sets up the application state machine.
*
* ## Application Task
* Handles command processing and application state transitions, enabling fingerprint enrollment and identification.
*
* @note
* Make sure to place your finger on the sensor when prompted during enrollment and identification.
* The example registers 2 fingerprints by default.
*
* @author Stefan Filipovic
*
*/
#include "board.h"
#include "log.h"
#include "fingerprint5.h"
#define NUMBER_OF_FINGERPRINTS 2 // Number of fingerprints to register.
static fingerprint5_t fingerprint5;
static log_t logger;
/**
* @brief Example states.
* @details Predefined enum values for application example state.
*/
typedef enum
{
FINGERPRINT5_APP_STATE_WAIT_READY = 0,
FINGERPRINT5_APP_STATE_VERSION,
FINGERPRINT5_APP_STATE_DELETE_TEMPLATES,
FINGERPRINT5_APP_STATE_ENROLL,
FINGERPRINT5_APP_STATE_IDENTIFY
} fingerprint5_app_state_t;
/**
* @brief Application example variables.
* @details Variables used in application example.
*/
static fingerprint5_app_state_t app_state = FINGERPRINT5_APP_STATE_WAIT_READY;
static fingerprint5_status_t status;
static fingerprint5_version_t version;
static fingerprint5_list_templates_t templates;
static fingerprint5_enroll_t enroll;
static fingerprint5_identify_t identify;
/**
* @brief Fingerprint 5 parse command.
* @details This function parses the received command response from the device and updates
* the relevant global structures such as status, version, templates, enroll, or identify.
* @param[in] ctx : Fingerprint 5 Click context object.
* See #fingerprint5_t object definition for detailed explanation.
* @note None.
* @return None.
*/
static void fingerprint5_parse_cmd ( fingerprint5_t *ctx );
/**
* @brief Fingerprint 5 main process handler.
* @details This function handles the application state machine for enrolling and identifying fingerprints.
* It sends commands based on the current state and received data, allowing multiple enrollments and continuous identification.
* @param[in] ctx : Fingerprint 5 Click context object.
* See #fingerprint5_t object definition for detailed explanation.
* @note None.
* @return None.
*/
static void fingerprint5_process ( fingerprint5_t *ctx );
void application_init ( void )
{
log_cfg_t log_cfg; /**< Logger config object. */
fingerprint5_cfg_t fingerprint5_cfg; /**< Click config object. */
/**
* Logger initialization.
* Default baud rate: 115200
* Default log level: LOG_LEVEL_DEBUG
* @note If USB_UART_RX and USB_UART_TX
* are defined as HAL_PIN_NC, you will
* need to define them manually for log to work.
* See @b LOG_MAP_USB_UART macro definition for detailed explanation.
*/
LOG_MAP_USB_UART( log_cfg );
log_init( &logger, &log_cfg );
log_info( &logger, " Application Init " );
// Click initialization.
fingerprint5_cfg_setup( &fingerprint5_cfg );
FINGERPRINT5_MAP_MIKROBUS( fingerprint5_cfg, MIKROBUS_1 );
if ( UART_ERROR == fingerprint5_init( &fingerprint5, &fingerprint5_cfg ) )
{
log_error( &logger, " Communication init." );
for ( ; ; );
}
fingerprint5_reset_device ( &fingerprint5 );
log_info( &logger, " Application Task " );
app_state = FINGERPRINT5_APP_STATE_WAIT_READY;
log_printf ( &logger, "\r\nAPP STATE: WAIT READY\r\n" );
}
void application_task ( void )
{
if ( FINGERPRINT5_OK == fingerprint5_read_cmd ( &fingerprint5 ) )
{
fingerprint5_parse_cmd ( &fingerprint5 );
fingerprint5_process ( &fingerprint5 );
}
}
int main ( void )
{
/* Do not remove this line or clock might not be set correctly. */
#ifdef PREINIT_SUPPORTED
preinit();
#endif
application_init( );
for ( ; ; )
{
application_task( );
}
return 0;
}
static void fingerprint5_parse_cmd ( fingerprint5_t *ctx )
{
switch ( ctx->cmd.cmd_id )
{
case FINGERPRINT5_CMD_STATUS:
{
status.evt = ( ( ( uint16_t ) ctx->cmd.payload[ 1 ] << 8 ) | ctx->cmd.payload[ 0 ] );
status.state = ( ( ( uint16_t ) ctx->cmd.payload[ 3 ] << 8 ) | ctx->cmd.payload[ 2 ] );
status.app_fail = ( ( ( uint16_t ) ctx->cmd.payload[ 5 ] << 8 ) | ctx->cmd.payload[ 4 ] );
if ( status.app_fail )
{
log_error ( &logger, "APP FAIL: %.4X\r\n", status.app_fail );
}
break;
}
case FINGERPRINT5_CMD_VERSION:
{
version.unique_id[ 0 ] = ( ( ( uint32_t ) ctx->cmd.payload[ 3 ] << 24 ) |
( ( uint32_t ) ctx->cmd.payload[ 2 ] << 16 ) |
( ( uint16_t ) ctx->cmd.payload[ 1 ] << 8 ) |
ctx->cmd.payload[ 0 ] );
version.unique_id[ 1 ] = ( ( ( uint32_t ) ctx->cmd.payload[ 7 ] << 24 ) |
( ( uint32_t ) ctx->cmd.payload[ 6 ] << 16 ) |
( ( uint16_t ) ctx->cmd.payload[ 5 ] << 8 ) |
ctx->cmd.payload[ 4 ] );
version.unique_id[ 2 ] = ( ( ( uint32_t ) ctx->cmd.payload[ 11 ] << 24 ) |
( ( uint32_t ) ctx->cmd.payload[ 10 ] << 16 ) |
( ( uint16_t ) ctx->cmd.payload[ 9 ] << 8 ) |
ctx->cmd.payload[ 8 ] );
version.fw_id = ctx->cmd.payload[ 12 ];
version.fw_fuse_lvl = ctx->cmd.payload[ 13 ];
version.ver_str_len = ( ( ( uint16_t ) ctx->cmd.payload[ 15 ] << 8 ) | ctx->cmd.payload[ 14 ] );
if ( version.ver_str_len <= FINGERPRINT5_MAX_VERSION_SIZE )
{
memcpy ( version.ver_str, &ctx->cmd.payload[ 16 ], version.ver_str_len );
log_printf ( &logger, "Device ID: %.8X %.8X %.8X\r\n",
version.unique_id[ 0 ],
version.unique_id[ 1 ],
version.unique_id[ 2 ] );
log_printf ( &logger, "Version: %s\r\n", version.ver_str );
}
else
{
version.ver_str_len = 0;
}
break;
}
case FINGERPRINT5_CMD_LIST_TEMPLATES:
{
templates.num_templates = ( ( ( uint16_t ) ctx->cmd.payload[ 1 ] << 8 ) | ctx->cmd.payload[ 0 ] );
if ( templates.num_templates <= FINGERPRINT5_MAX_NUM_TEMPLATES )
{
log_printf ( &logger, "Number of templates found: %u\r\n", templates.num_templates );
for ( uint16_t cnt = 0; cnt < templates.num_templates; cnt++ )
{
templates.template_ids[ cnt ] = ( ( uint16_t ) ctx->cmd.payload[ cnt * 2 + 3 ] ) |
ctx->cmd.payload[ cnt * 2 + 2 ];
log_printf ( &logger, "ID: %.4X\r\n", templates.template_ids[ cnt ] );
}
}
break;
}
case FINGERPRINT5_CMD_ENROLL:
{
enroll.id = ( ( ( uint16_t ) ctx->cmd.payload[ 1 ] << 8 ) | ctx->cmd.payload[ 0 ] );
enroll.feedback = ctx->cmd.payload[ 2 ];
enroll.samples_remaining = ctx->cmd.payload[ 3 ];
log_printf ( &logger, "Enroll samples remaining: %u, feedback: ",
( uint16_t ) enroll.samples_remaining );
switch ( enroll.feedback )
{
case FINGERPRINT5_ENROLL_FEEDBACK_DONE:
{
log_printf ( &logger, "Done" );
break;
}
case FINGERPRINT5_ENROLL_FEEDBACK_PROGRESS:
{
log_printf ( &logger, "Progress" );
break;
}
case FINGERPRINT5_ENROLL_FEEDBACK_REJECT_LOW_QUALITY:
{
log_printf ( &logger, "Reject.LowQuality" );
break;
}
case FINGERPRINT5_ENROLL_FEEDBACK_REJECT_LOW_COVERAGE:
{
log_printf ( &logger, "Reject.LowCoverage" );
break;
}
case FINGERPRINT5_ENROLL_FEEDBACK_REJECT_LOW_MOBILITY:
{
log_printf ( &logger, "Reject.LowMobility" );
break;
}
case FINGERPRINT5_ENROLL_FEEDBACK_REJECT_OTHER:
{
log_printf ( &logger, "Reject.Other" );
break;
}
case FINGERPRINT5_ENROLL_FEEDBACK_PROGRESS_IMMOBILE:
{
log_printf ( &logger, "Progress.Immobile" );
break;
}
default:
{
log_printf ( &logger, "Unknown" );
break;
}
}
log_printf ( &logger, "\r\n" );
break;
}
case FINGERPRINT5_CMD_IDENTIFY:
{
identify.match = ( ( ( uint16_t ) ctx->cmd.payload[ 1 ] << 8 ) | ctx->cmd.payload[ 0 ] );
identify.type = ( ( ( uint16_t ) ctx->cmd.payload[ 3 ] << 8 ) | ctx->cmd.payload[ 2 ] );
identify.id = ( ( ( uint16_t ) ctx->cmd.payload[ 5 ] << 8 ) | ctx->cmd.payload[ 4 ] );
identify.tag = ( ( ( uint16_t ) ctx->cmd.payload[ 7 ] << 8 ) | ctx->cmd.payload[ 6 ] );
if ( FINGERPRINT5_IDENTIFY_RESULT_MATCH == identify.match )
{
log_printf ( &logger, "Identify MATCH on ID: %u\r\n", identify.id );
}
else
{
log_printf ( &logger, "Identify NO MATCH\r\n" );
}
break;
}
default:
{
log_printf ( &logger, "\r\nCMD ID: %.4X\r\n", ctx->cmd.cmd_id );
log_printf ( &logger, "Payload Len: %u\r\n", ctx->cmd.payload_len );
if ( ctx->cmd.payload_len )
{
log_printf ( &logger, "Payload:\r\n " );
}
for ( uint16_t cnt = 0; cnt < ctx->cmd.payload_len; cnt++ )
{
log_printf ( &logger, "%.2X ", ctx->cmd.payload[ cnt ] );
if ( 15 == cnt % 16 )
{
log_printf ( &logger, "\r\n " );
}
}
if ( ctx->cmd.payload_len )
{
log_printf ( &logger, "\r\n" );
}
break;
}
}
}
static void fingerprint5_process ( fingerprint5_t *ctx )
{
static uint8_t num_fingers_to_enroll = NUMBER_OF_FINGERPRINTS;
switch ( app_state )
{
case FINGERPRINT5_APP_STATE_WAIT_READY:
{
if ( status.state & FINGERPRINT5_STATE_APP_FW_READY )
{
log_printf ( &logger, "\r\nAPP STATE: VERSION\r\n" );
app_state = FINGERPRINT5_APP_STATE_VERSION;
fingerprint5_get_version ( ctx );
}
break;
}
case FINGERPRINT5_APP_STATE_VERSION:
{
if ( version.ver_str_len )
{
log_printf ( &logger, "\r\nAPP STATE: DELETE TEMPLATES\r\n" );
app_state = FINGERPRINT5_APP_STATE_DELETE_TEMPLATES;
fingerprint5_delete_templates ( ctx );
}
break;
}
case FINGERPRINT5_APP_STATE_DELETE_TEMPLATES:
{
log_printf ( &logger, "\r\nAPP STATE: ENROLL\r\n" );
log_printf ( &logger, "\r\nEnrolling finger %u of %u...\r\n",
( uint16_t ) ( NUMBER_OF_FINGERPRINTS - num_fingers_to_enroll + 1 ),
( uint16_t ) NUMBER_OF_FINGERPRINTS );
app_state = FINGERPRINT5_APP_STATE_ENROLL;
fingerprint5_enroll_finger ( ctx );
break;
}
case FINGERPRINT5_APP_STATE_ENROLL:
{
if ( FINGERPRINT5_STATE_ENROLL != ( status.state & FINGERPRINT5_STATE_ENROLL ) )
{
num_fingers_to_enroll--;
if ( num_fingers_to_enroll > 0 )
{
log_printf ( &logger, "\r\nEnrolling finger %u of %u...\r\n",
( uint16_t ) ( NUMBER_OF_FINGERPRINTS - num_fingers_to_enroll + 1 ),
( uint16_t ) NUMBER_OF_FINGERPRINTS );
fingerprint5_enroll_finger ( ctx );
}
else
{
log_printf ( &logger, "\r\nAPP STATE: IDENTIFY\r\n" );
log_printf ( &logger, "\r\nIdentifying fingerprint...\r\n" );
app_state = FINGERPRINT5_APP_STATE_IDENTIFY;
fingerprint5_identify_finger ( ctx );
}
}
break;
}
case FINGERPRINT5_APP_STATE_IDENTIFY:
{
if ( FINGERPRINT5_STATE_IDENTIFY != ( status.state & FINGERPRINT5_STATE_IDENTIFY ) )
{
log_printf ( &logger, "\r\nIdentifying fingerprint...\r\n" );
fingerprint5_identify_finger ( ctx );
}
break;
}
default:
{
log_error ( &logger, "APP STATE: UNKWNOWN\r\n" );
break;
}
}
}
// ------------------------------------------------------------------------ END
Additional Support
Resources
Category:Fingerprint































