您在严苛工业环境中驱动高性能步进电机的理想选择
A
A
硬件概览
它是如何工作的?
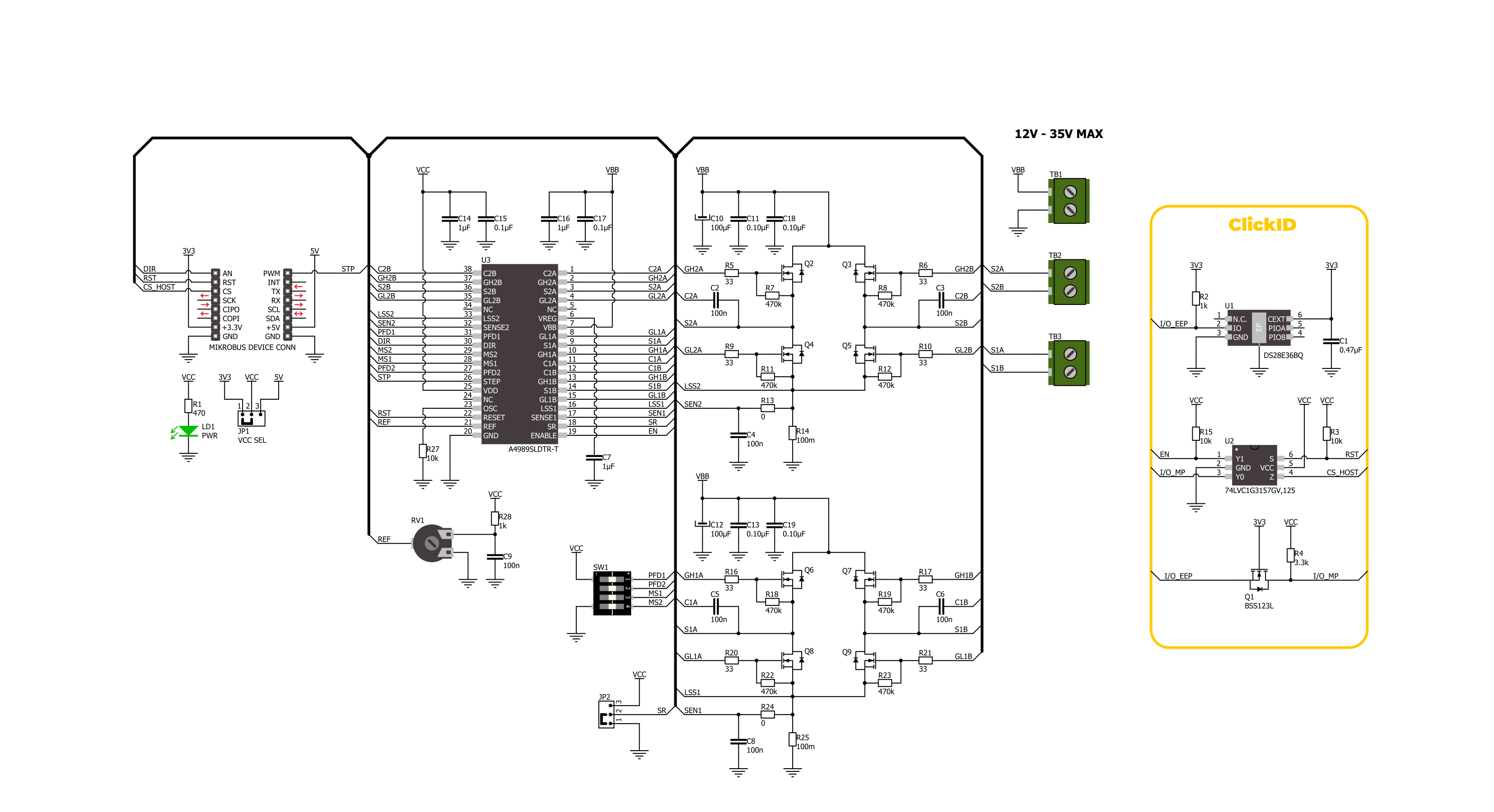
Power Step Click 基于 Allegro Microsystems 的 A4989SLD,这是一款带有微步进译码器的双全桥 MOSFET 驱动器。该板专为控制高功率工业级双相步进电机而设计,适用于功率范围从 30W 到 500W 的应用。它通过八个外部 N 沟道功率 MOSFET(IPZ40N04S5L-4R8)进行驱动,可在 12V 至 35V 的 VIN 电压范围内输出高达 20A 的电机电流。A4989SLD 的核心是两个正弦波 DAC,它们为两个固定关断时间 PWM 电流控制器提供参考电压,实现了两个全桥驱动器输出的精确电流调节。除了内部 DAC,该板还集成了一个 REF 可调电阻,用于手动设置电流调节参考电压,使用户能够根据具体应用需求精细调节电机电流,进一步提高系统的灵活性。Power Step Click 是工程师在追求高功率输出同时希望降低控制复杂度的理想解决方案。它采用简单的两线控制接口——步进(STP)和方向(DIR)输入信
号,支持全步、半步、四分步和十六分步的微步控制,步进分辨率可通过多功能开关引脚 3 和 4 的组合进行设置。A4989SLD 内部的译码逻辑简化了控制逻辑,每次 STP 引脚接收到上升沿脉冲时,电机将按照设定的微步分辨率前进一步,而无需高频控制信号或复杂的相位顺序切换逻辑。此外,驱动器还支持多种衰减模式——慢衰减、混合衰减和快衰减,用户可通过设置多功能开关引脚 1 和 2 的组合来调整混合衰减中快衰减所占比例,从而在不同工作状态下实现更安静的运行、更高的步进精度和更低的功耗。除了用于步进控制的 STP 引脚,Power Step Click 还包含多个控制输入,以增强灵活性和性能。DIR 引脚用于设置电机旋转方向,当其为低电平时电机顺时针旋转,为高电平时逆时针旋转。需要注意的是,DIR 状态的改变仅在下一个 STP 脉冲的上升沿生效,确保方向切换与步进逻辑同步并保持精度。此外,该板还提供 RST
引脚用于将 A4989SLD 重置为默认状态,以及 EN 引脚用于控制电机输出使能。当 EN 引脚有效时,驱动输出开启,电机开始运作;当 EN 无效时,所有输出关闭,系统进入低功耗或空闲状态。Power Step Click 还带有一个 SR SEL 跳线,用于设置同步整流功能的行为。当 SR SEL 跳线处于位置 0(主动模式)时,器件在检测到电流为零时禁用同步整流,有效防止电流反向流动,从而降低 MOSFET 的功耗同时保持精确的电流控制。而当跳线处于位置 1(禁用模式)时,同步整流功能完全关闭。该 Click 板支持通过 VCC SEL 跳线选择 3.3V 或 5V 逻辑电平供电,因此可兼容 3.3V 和 5V 控制器。该板还配套提供易于使用的功能库和示例代码,可作为用户进一步开发的参考基础。
功能概述
开发板
Nucleo-64 搭载 STM32G071RB MCU 提供了一种经济高效且灵活的平台,供开发者探索新想法并原型设计他们的项目。该板利用 STM32 微控制器的多功能性,使用户能够为他们的项目选择最佳的性能与功耗平衡。它配备了 LQFP64 封装的 STM32 微控制器,并包含了如用户 LED(同时作为 ARDUINO® 信号)、用户和复位按钮,以及 32.768kHz 晶体振荡器用于精确的计时操作等基本组件。Nucleo-64 板设计考虑到扩展性和灵活性,它特有的 ARDUINO® Uno
V3 扩展连接器和 ST morpho 扩展引脚头,提供了对 STM32 I/O 的完全访问,以实现全面的项目整合。电源供应选项灵活,支持 ST-LINK USB VBUS 或外部电源,确保在各种开发环境中的适应性。该板还配备了一个具有 USB 重枚举功能的板载 ST-LINK 调试器/编程器,简化了编程和调试过程。此外,该板设计旨在简化高级开发,它的外部 SMPS 为 Vcore 逻辑供电提供高效支持,支持 USB 设备全速或 USB SNK/UFP 全速,并内置加密功能,提升了项目的功效
和安全性。通过外部 SMPS 实验的专用连接器、 用于 ST-LINK 的 USB 连接器以及 MIPI® 调试连接器,提供了更多的硬件接口和实验可能性。开发者将通过 STM32Cube MCU Package 提供的全面免费软件库和示例得到广泛支持。这些,加上与多种集成开发环境(IDE)的兼容性,包括 IAR Embedded Workbench®、MDK-ARM 和 STM32CubeIDE,确保了流畅且高效的开发体验,使用户能够充分利用 Nucleo-64 板在他们的项目中的能力。
微控制器概述
MCU卡片 / MCU

建筑
ARM Cortex-M0
MCU 内存 (KB)
128
硅供应商
STMicroelectronics
引脚数
64
RAM (字节)
36864
你完善了我!
配件
Click Shield for Nucleo-64 配备了两个专有的 mikroBUS™ 插座,使得所有的 Click board™ 设备都可以轻松地与 STM32 Nucleo-64 开发板连接。这样,Mikroe 允许其用户从不断增长的 Click boards™ 范围中添加任何功能,如 WiFi、GSM、GPS、蓝牙、ZigBee、环境传感器、LED、语音识别、电机控制、运动传感器等。您可以使用超过 1537 个 Click boards™,这些 Click boards™ 可以堆叠和集成。STM32 Nucleo-64 开发板基于 64 引脚封装的微控制器,采用 32 位 MCU,配备 ARM Cortex M4 处理器,运行速度为 84MHz,具有 512Kb Flash 和 96KB SRAM,分为两个区域,顶部区域代表 ST-Link/V2 调试器和编程器,而底部区域是一个实际的开发板。通过 USB 连接方便地控制和供电这些板子,以便直接对 Nucleo-64 开发板进行编程和高效调试,其中还需要额外的 USB 线连接到板子上的 USB 迷你接口。大多数 STM32 微控制器引脚都连接到了板子左右边缘的 IO 引脚上,然后连接到两个现有的 mikroBUS™ 插座上。该 Click Shield 还有几个开关,用于选择 mikroBUS™ 插座上模拟信号的逻辑电平和 mikroBUS™ 插座本身的逻辑电压电平。此外,用户还可以通过现有的双向电平转换器,使用任何 Click board™,无论 Click board™ 是否在 3.3V 或 5V 逻辑电压电平下运行。一旦将 STM32 Nucleo-64 开发板与我们的 Click Shield for Nucleo-64 连接,您就可以访问数百个工作于 3.3V 或 5V 逻辑电压电平的 Click boards™。
17HD40005-22B 步进电机是一款双相混合电机,具有高扭矩、高速度和低噪音性能。它配有一根 1 米长的电线,连接端有可选端口,并带有热缩管以防止缠绕。电机的 D 形轴长为 22mm。该电机采用斩波波恒流驱动,具有双相 4 线激励模式,可实现正反转。电源顺序按照 AB-BC-CD-DA 顺序排列,从轴端看为顺时针方向。其额定电流为 1.3A DC,额定电压为 2.4V,步进角为 1.8°,绝缘等级为 B。此步进电机非常适用于需要精确运动控制和可靠性的应用。

使用的MCU引脚
mikroBUS™映射器
“仔细看看!”
Click board™ 原理图

一步一步来
项目组装
软件支持
库描述
Power Step Click 演示应用程序使用 NECTO Studio开发,确保与 mikroSDK 的开源库和工具兼容。该演示设计为即插即用,可与所有具有 mikroBUS™ 插座的 开发板、入门板和 mikromedia 板完全兼容,用于快速实现和测试。
示例描述
本示例展示了如何使用 Power Step Click 板驱动步进电机按设定步数正反转动。
关键功能:
powerstep_cfg_setup- 初始化 Click 配置结构为初始值。powerstep_init- 初始化用于该 Click 板的所有必要引脚和外设。powerstep_reset_device- 通过设置 RST 引脚电平复位设备。powerstep_drive_motor- 按所选速度驱动电机运行指定步数。
应用初始化
初始化日志记录器和 Power Step Click 驱动器,并复位设备。
应用任务
将电机以 100 步慢速和 300 步中速顺时针旋转,然后以 400 步快速逆时针旋转,在每次驱动模式切换之间延迟 1 秒。所有运行数据将通过 USB UART 记录,可用于跟踪程序流程。
开源
代码示例
完整的应用程序代码和一个现成的项目可以通过NECTO Studio包管理器直接安装到NECTO Studio。 应用程序代码也可以在MIKROE的GitHub账户中找到。
/*!
* @file main.c
* @brief Power Step Click Example.
*
* # Description
* This example demonstrates the use of the Power Step Click board by driving the
* motor in both directions for a desired number of steps.
*
* The demo application is composed of two sections :
*
* ## Application Init
* Initializes the driver and resets the device.
*
* ## Application Task
* Drives the motor clockwise for 100 slow steps and 300 medium speed steps and
* then counter-clockwise for 400 fast steps with a 1 second delay on driving mode change.
* All data is being logged on the USB UART where you can track the program flow.
*
* @author Stefan Filipovic
*
*/
#include "board.h"
#include "log.h"
#include "powerstep.h"
static powerstep_t powerstep;
static log_t logger;
void application_init ( void )
{
log_cfg_t log_cfg; /**< Logger config object. */
powerstep_cfg_t powerstep_cfg; /**< Click config object. */
/**
* Logger initialization.
* Default baud rate: 115200
* Default log level: LOG_LEVEL_DEBUG
* @note If USB_UART_RX and USB_UART_TX
* are defined as HAL_PIN_NC, you will
* need to define them manually for log to work.
* See @b LOG_MAP_USB_UART macro definition for detailed explanation.
*/
LOG_MAP_USB_UART( log_cfg );
log_init( &logger, &log_cfg );
log_info( &logger, " Application Init " );
// Click initialization.
powerstep_cfg_setup( &powerstep_cfg );
POWERSTEP_MAP_MIKROBUS( powerstep_cfg, MIKROBUS_1 );
if ( DIGITAL_OUT_UNSUPPORTED_PIN == powerstep_init( &powerstep, &powerstep_cfg ) )
{
log_error( &logger, " Communication init." );
for ( ; ; );
}
powerstep_reset_device ( &powerstep );
log_info( &logger, " Application Task " );
}
void application_task ( void )
{
log_printf ( &logger, " Move 100 steps clockwise, speed: slow\r\n\n" );
powerstep_set_direction ( &powerstep, POWERSTEP_DIR_CW );
powerstep_drive_motor ( &powerstep, 100, POWERSTEP_SPEED_SLOW );
Delay_ms ( 1000 );
log_printf ( &logger, " Move 300 steps clockwise, speed: medium\r\n\n" );
powerstep_set_direction ( &powerstep, POWERSTEP_DIR_CW );
powerstep_drive_motor ( &powerstep, 300, POWERSTEP_SPEED_MEDIUM );
Delay_ms ( 1000 );
log_printf ( &logger, " Move 400 steps counter-clockwise, speed: fast\r\n\n" );
powerstep_set_direction ( &powerstep, POWERSTEP_DIR_CCW );
powerstep_drive_motor ( &powerstep, 400, POWERSTEP_SPEED_FAST );
Delay_ms ( 1000 );
}
int main ( void )
{
/* Do not remove this line or clock might not be set correctly. */
#ifdef PREINIT_SUPPORTED
preinit();
#endif
application_init( );
for ( ; ; )
{
application_task( );
}
return 0;
}
// ------------------------------------------------------------------------ END
额外支持
资源
类别:步进电机

































