测量高达 25A 的交流、直流及脉冲电流,完美适用于 UPS 系统与工业电力监测应用
A
A
硬件概览
它是如何工作的?
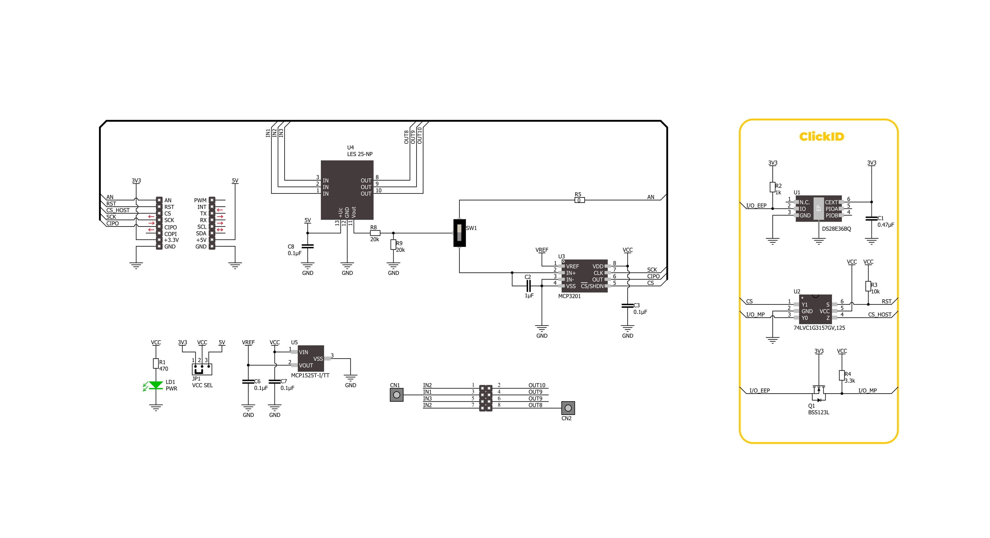
Current Sens Click 基于来自 LEM USA 的 LES 25-NP 电流传感器,这是一款闭环式多量程传感器,可精确检测高达 25A 的直流、交流及脉冲电流。该器件实现初级与次级电路之间的电气隔离,确保信号完整性与系统电气安全。LES 25-NP 支持模拟输出与数字输出(通过 ADC 转换)两种模式,便于灵活集成至各种系统中。其采用单极性直流供电,简化了电源设计。该传感器具备极低的零点漂移与出色的 dv/dt 抗扰能力,即使在电气噪声严重的环境下也能保持稳定可靠的测量表现。LES 25-NP 遵循多项国际安全与性能标准(包括 IEC 61800、IEC 62109、IEC 62477
与 UL 508),非常适合用于交流变频驱动器、伺服电机控制器、直流电机转换器、电池供电系统、UPS、开关电源(SMPS)、焊接设备与太阳能逆变器等工业应用。在传感器上方设有跳线配置区域,可根据需求调整额定初级电流。LES 25-NP 支持三种不同的初级连接方式,可测量全电流、半电流或三分之一电流,显著提升在小电流应用中的分辨率。每根导线的初级电阻为 0.72mΩ。数据手册中提供了跳线设置与初级电流额定值、对应电阻及初级圈数之间的对应关系,便于用户根据需求进行配置。LES 25-NP 的模拟输出可通过 Microchip 的 MCP3201 转换为数字信
号。MCP3201 是一款 12 位逐次逼近型 ADC,支持 SPI 接口,或可直接将模拟信号发送至 mikroBUS™ 的 AN 引脚。输出选择可通过板载 SMD 开关 VOUT SEL 进行切换(AN 或 SPI 模式)。为了提供稳定的参考电压用于数字转换,MCP3201 搭配 MCP1525 精密 2.5V 电压参考源,确保转换过程一致准确,最终获得可靠的 12 位数字输出。本 Click 板™ 支持通过 VCC SEL 跳线选择 3.3V 或 5V 逻辑电平,兼容各种 MCU 平台。同时,板载还配套提供了易用的软件库与示例代码,可作为开发参考,加快系统集成与应用部署流程。
功能概述
开发板
PIC32MZ Clicker 是一款紧凑型入门开发板,它将 Click 板™的灵活性带给您喜爱的微控制器,使其成为实现您想法的完美入门套件。它配备了一款板载 32 位带有浮点单元的 Microchip PIC32MZ 微控制器,一个 USB 连接器,LED 指示灯,按钮,一个 mikroProg 连接器,以及一个用于与外部电子设备接口的头部。得益于其紧凑的设计和清晰易识别的丝网标记,它提供了流畅且沉浸式的工作体验,允许在任
何情况下、任何地方都能访问。PIC32MZ Clicker 开 发套件的每个部分都包含了使同一板块运行最高效的必要组件。除了可以选择 PIC32MZ Clicker 的编程方式,使用 USB HID mikroBootloader 或通过外部 mikroProg 连接器为 PIC,dsPIC 或 PIC32 编程外,Clicker 板还包括一个干净且调节过的开发套件电源供应模块。USB Micro-B 连接可以提供多达 500mA 的电流,这足以操作所有板载和附加模块。所有
mikroBUS™ 本身支持的通信方法都在这块板上,包 括已经建立良好的 mikroBUS™ 插槽、重置按钮以及若干按钮和 LED 指示灯。PIC32MZ Clicker 是 Mikroe 生态系统的一个组成部分,允许您在几分钟内创建新的应用程序。它由 Mikroe 软件工具原生支持,得益于大量不同的 Click 板™(超过一千块板),其数量每天都在增长,它涵盖了原型制作的许多方面。
微控制器概述
MCU卡片 / MCU

建筑
PIC32
MCU 内存 (KB)
1024
硅供应商
Microchip
引脚数
64
RAM (字节)
524288
使用的MCU引脚
mikroBUS™映射器
“仔细看看!”
Click board™ 原理图

一步一步来
项目组装
软件支持
库描述
Current Sens Click 演示应用程序使用 NECTO Studio开发,确保与 mikroSDK 的开源库和工具兼容。该演示设计为即插即用,可与所有具有 mikroBUS™ 插座的 开发板、入门板和 mikromedia 板完全兼容,用于快速实现和测试。
示例描述
本示例演示如何使用 Current Sens Click 板,通过读取并显示输入电流值来实现电流测量功能。
关键功能:
currentsens_cfg_setup- 初始化 Click 配置结构体。currentsens_init- 初始化所有必要的引脚与外设。currentsens_calib_offset- 校准零电流偏移值。currentsens_calib_resolution- 在已知的负载电流(例如 3A)下校准测量分辨率。currentsens_read_current- 读取当前输入电流值(单位:安培)。
应用初始化
初始化驱动程序,并在 3A 负载下进行零点偏移与数据分辨率的校准,以确保后续电流测量的准确性。
应用任务
主循环中,系统每秒左右读取一次输入电流值,并通过 USB UART 显示结果,适用于实时电流监控与调试场景。
开源
代码示例
完整的应用程序代码和一个现成的项目可以通过NECTO Studio包管理器直接安装到NECTO Studio。 应用程序代码也可以在MIKROE的GitHub账户中找到。
/*!
* @file main.c
* @brief Current Sens Click example
*
* # Description
* This example demonstrates the use of Current Sens Click board by reading and
* displaying the input current measurements.
*
* The demo application is composed of two sections :
*
* ## Application Init
* Initializes the driver and calibrates the zero current offset and data resolution
* at 3A load current.
*
* ## Application Task
* Reads the input current measurements and displays the results on the USB UART
* approximately once per second.
*
* @note
* The measurement range is approximately: +/- 85A.
*
* @author Stefan Filipovic
*
*/
#include "board.h"
#include "log.h"
#include "currentsens.h"
// Load current [A] used for the data resolution calibration process.
#define CURRENTSENS_CALIBRATING_CURRENT 3.0f
static currentsens_t currentsens;
static log_t logger;
void application_init ( void )
{
log_cfg_t log_cfg; /**< Logger config object. */
currentsens_cfg_t currentsens_cfg; /**< Click config object. */
/**
* Logger initialization.
* Default baud rate: 115200
* Default log level: LOG_LEVEL_DEBUG
* @note If USB_UART_RX and USB_UART_TX
* are defined as HAL_PIN_NC, you will
* need to define them manually for log to work.
* See @b LOG_MAP_USB_UART macro definition for detailed explanation.
*/
LOG_MAP_USB_UART( log_cfg );
log_init( &logger, &log_cfg );
log_info( &logger, " Application Init " );
// Click initialization.
currentsens_cfg_setup( ¤tsens_cfg );
CURRENTSENS_MAP_MIKROBUS( currentsens_cfg, MIKROBUS_1 );
if ( SPI_MASTER_ERROR == currentsens_init( ¤tsens, ¤tsens_cfg ) )
{
log_error( &logger, " Communication init." );
for ( ; ; );
}
log_printf( &logger, " Calibrating zero current offset in 5 seconds...\r\n" );
log_printf( &logger, " Make sure no current flows through the sensor during the calibration process.\r\n" );
for ( uint8_t cnt = 5; cnt > 0; cnt-- )
{
log_printf( &logger, " %u\r\n", ( uint16_t ) cnt );
Delay_ms ( 1000 );
}
if ( CURRENTSENS_ERROR == currentsens_calib_offset ( ¤tsens ) )
{
log_error( &logger, " Calibrate offset." );
for ( ; ; );
}
log_printf( &logger, " Offset calibration DONE.\r\n\n" );
log_printf( &logger, " Calibrating data resolution in 5 seconds...\r\n" );
log_printf( &logger, " Keep the load current set at %.1fA during the calibration process.\r\n",
CURRENTSENS_CALIBRATING_CURRENT );
for ( uint8_t cnt = 5; cnt > 0; cnt-- )
{
log_printf( &logger, " %u\r\n", ( uint16_t ) cnt );
Delay_ms ( 1000 );
}
if ( CURRENTSENS_ERROR == currentsens_calib_resolution ( ¤tsens, CURRENTSENS_CALIBRATING_CURRENT ) )
{
log_error( &logger, " Calibrate resolution." );
for ( ; ; );
}
log_printf( &logger, " Data resolution calibration DONE.\r\n" );
log_info( &logger, " Application Task " );
}
void application_task ( void )
{
float current = 0;
if ( CURRENTSENS_OK == currentsens_read_current ( ¤tsens, ¤t ) )
{
log_printf( &logger, " Current : %.1f A\r\n\n", current );
Delay_ms ( 1000 );
}
}
int main ( void )
{
/* Do not remove this line or clock might not be set correctly. */
#ifdef PREINIT_SUPPORTED
preinit();
#endif
application_init( );
for ( ; ; )
{
application_task( );
}
return 0;
}
// ------------------------------------------------------------------------ END
额外支持
资源
类别:电流传感器


外部电源开启时,请勿触摸电路板!





























