Convert USB signals to UART for easy integration of USB connectivity into POS terminals, gaming controllers, and data loggers
A
A
Hardware Overview
How does it work?
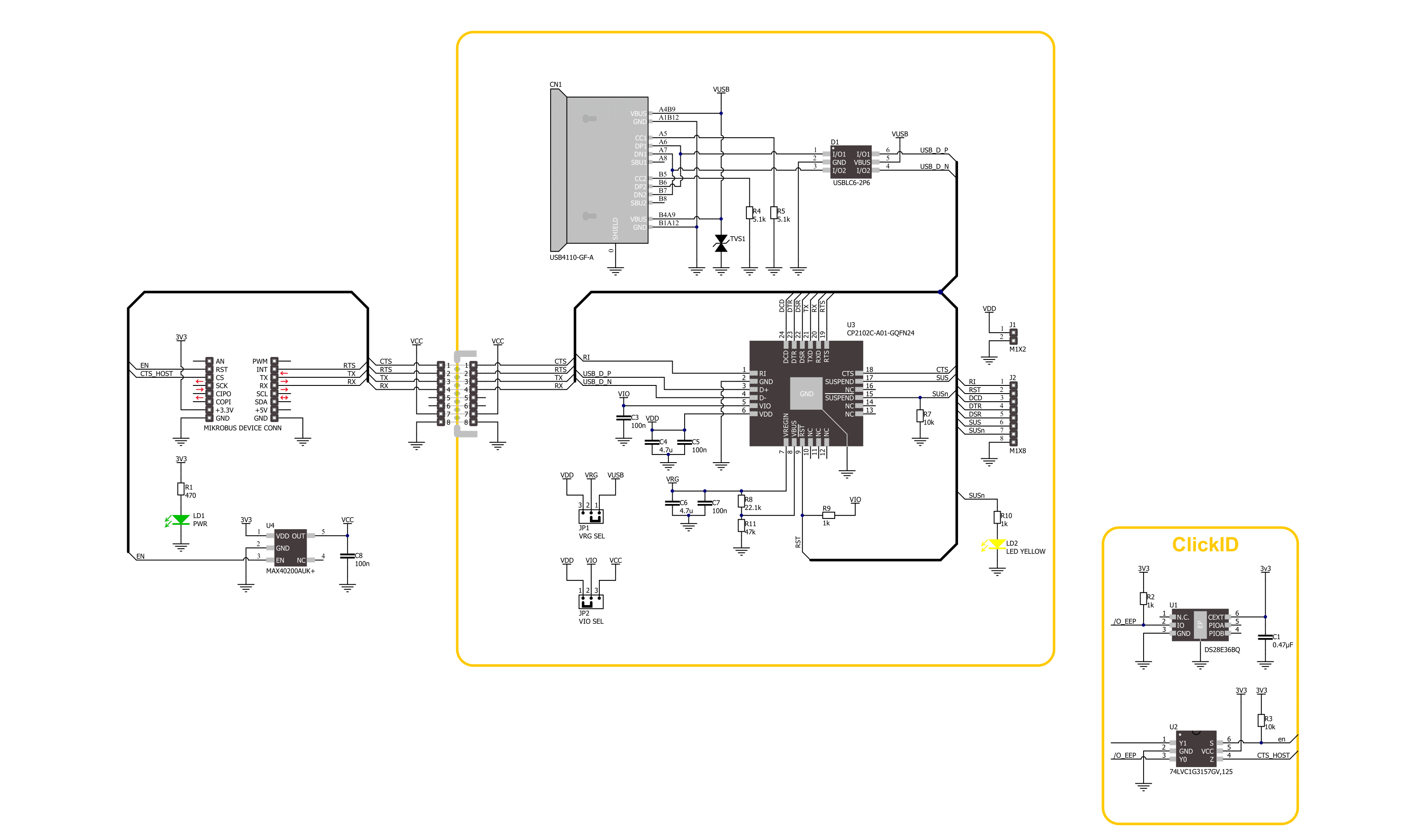
USB UART 6 Click is based on the CP2102C, a USB-to-UART bridge from Silicon Labs and provides a simple way to convert USB signals to UART serial communication. By integrating a USB 2.0 full-speed function controller, USB transceiver, oscillator, and a Universal Asynchronous Receiver/Transmitter in a single package, the CP2102C eliminates firmware complexity and the need for external components, allowing engineers to add USB functionality to their applications with minimal development time. These features make USB UART 6 Click an ideal choice for upgrading RS-232 designs to USB and for use in a wide range of applications such as POS terminals, USB dongles, gaming controllers, medical equipment, and data loggers where high-speed USB-to-UART communication is essential. Its integrated USB transceiver requires no external resistors and includes 512-byte transmit and receive buffers, while the internal 48MHz oscillator removes the need for an external crystal. The device supports USB 2.0 full-speed operation at 12Mbps, and standard CDC drivers are supported, eliminating the requirement for custom drivers and simplifying integration across multiple operating systems. This Click board™ is designed in a unique format supporting the newly introduced MIKROE feature called "Click Snap." Unlike the standardized version of Click boards, this feature allows the main sensor/IC/module area to become movable by
breaking the PCB, opening up many new possibilities for implementation. Thanks to the Snap feature, the CP2102C can operate autonomously by accessing its signals directly on the pins marked 1-8. Additionally, the Snap part includes a specified and fixed screw hole position, enabling users to secure the Snap board in their desired location. This Click board™ establishes communication between the CP2102C module and the host MCU through a UART interface, using standard UART RX and TX pins and hardware flow control via CTS and RTS pins. The default communication speed is set at 115200bps, ensuring efficient data exchange. The board also has SUS yellow LED indicator that indicates when he CP2102C enters Suspend mode - when suspend signaling is detected on the bus. On entering Suspend mode, the CP2102C asserts the USB Suspend and Resume signals, for power management of both the CP2102C as well as external circuitry. Suspend signals are also asserted after a CP2102C reset until device configuration during USB Enumeration is complete. Due to the limited space on the board, specifically within the Snap area, and in order to provide complete functionality and full access to the CP2102C signals, certain pins from the IC have been routed to an unpopulated 1x8 header. This allows designers to tap into additional features such as the reset signal, the USB suspend (SUS) signals, as well as the RI, DCD, DTR, and DSR
modem control signals (ring indicator, data carrier detect, data terminal ready, and data set ready), ensuring that all critical control and status lines remain available for advanced configurations, debugging, and custom application requirements. To manage the operation of the CP2102C IC, USB UART 6 Click integrates the MAX40200 from Analog Devices that enables or disables the sensor through the EN pin. This Click board™ can operate only with a 3.3V logic voltage level. In addition, selecting the logic voltage source is also available via the VIO SEL jumper located in the Snap section. Using this jumper, the user can choose between the 3.3V mikroBUS power rail or an externally supplied voltage fed through the VDD header within the 3V to 3.6V range, ensuring flexibility with various system power configurations. The Snap section also features a VRG SEL jumper that allows selecting the power source for the IC’s internal 5V voltage regulator. When the internal regulator is used and the USB connection is active (self-powered mode), the VDD pin provides an output voltage of 3.3V, enabling access to the regulated supply for external use or monitoring. The board must perform appropriate logic voltage level conversion before using MCUs with different logic levels. It also comes equipped with a library containing functions and example code that can be used as a reference for further development.
Features overview
Development board
Arduino UNO is a versatile microcontroller board built around the ATmega328P chip. It offers extensive connectivity options for various projects, featuring 14 digital input/output pins, six of which are PWM-capable, along with six analog inputs. Its core components include a 16MHz ceramic resonator, a USB connection, a power jack, an
ICSP header, and a reset button, providing everything necessary to power and program the board. The Uno is ready to go, whether connected to a computer via USB or powered by an AC-to-DC adapter or battery. As the first USB Arduino board, it serves as the benchmark for the Arduino platform, with "Uno" symbolizing its status as the
first in a series. This name choice, meaning "one" in Italian, commemorates the launch of Arduino Software (IDE) 1.0. Initially introduced alongside version 1.0 of the Arduino Software (IDE), the Uno has since become the foundational model for subsequent Arduino releases, embodying the platform's evolution.
Microcontroller Overview
MCU Card / MCU

Architecture
AVR
MCU Memory (KB)
32
Silicon Vendor
Microchip
Pin count
28
RAM (Bytes)
2048
You complete me!
Accessories
Click Shield for Arduino UNO has two proprietary mikroBUS™ sockets, allowing all the Click board™ devices to be interfaced with the Arduino UNO board without effort. The Arduino Uno, a microcontroller board based on the ATmega328P, provides an affordable and flexible way for users to try out new concepts and build prototypes with the ATmega328P microcontroller from various combinations of performance, power consumption, and features. The Arduino Uno has 14 digital input/output pins (of which six can be used as PWM outputs), six analog inputs, a 16 MHz ceramic resonator (CSTCE16M0V53-R0), a USB connection, a power jack, an ICSP header, and reset button. Most of the ATmega328P microcontroller pins are brought to the IO pins on the left and right edge of the board, which are then connected to two existing mikroBUS™ sockets. This Click Shield also has several switches that perform functions such as selecting the logic levels of analog signals on mikroBUS™ sockets and selecting logic voltage levels of the mikroBUS™ sockets themselves. Besides, the user is offered the possibility of using any Click board™ with the help of existing bidirectional level-shifting voltage translators, regardless of whether the Click board™ operates at a 3.3V or 5V logic voltage level. Once you connect the Arduino UNO board with our Click Shield for Arduino UNO, you can access hundreds of Click boards™, working with 3.3V or 5V logic voltage levels.
Used MCU Pins
mikroBUS™ mapper
Take a closer look
Click board™ Schematic

Step by step
Project assembly
Track your results in real time
Application Output
1. Application Output - In Debug mode, the 'Application Output' window enables real-time data monitoring, offering direct insight into execution results. Ensure proper data display by configuring the environment correctly using the provided tutorial.

2. UART Terminal - Use the UART Terminal to monitor data transmission via a USB to UART converter, allowing direct communication between the Click board™ and your development system. Configure the baud rate and other serial settings according to your project's requirements to ensure proper functionality. For step-by-step setup instructions, refer to the provided tutorial.

3. Plot Output - The Plot feature offers a powerful way to visualize real-time sensor data, enabling trend analysis, debugging, and comparison of multiple data points. To set it up correctly, follow the provided tutorial, which includes a step-by-step example of using the Plot feature to display Click board™ readings. To use the Plot feature in your code, use the function: plot(*insert_graph_name*, variable_name);. This is a general format, and it is up to the user to replace 'insert_graph_name' with the actual graph name and 'variable_name' with the parameter to be displayed.

Software Support
Library Description
USB UART 6 Click demo application is developed using the NECTO Studio, ensuring compatibility with mikroSDK's open-source libraries and tools. Designed for plug-and-play implementation and testing, the demo is fully compatible with all development, starter, and mikromedia boards featuring a mikroBUS™ socket.
Example Description
This example demonstrates the USB UART 6 Click board's ability to act as a USB-to-UART bridge. It enables bidirectional communication between a USB host and a UART device by forwarding received data between the USB and UART interfaces.
Key functions:
usbuart6_cfg_setup- This function initializes Click configuration structure to initial values.usbuart6_init- This function initializes all necessary pins and peripherals used for this Click board.usbuart6_generic_write- This function writes a desired number of data bytes by using UART serial interface.usbuart6_generic_read- This function reads a desired number of data bytes by using UART serial interface.usbuart6_enable_device- This function enables the device by setting the EN pin to high logic state.
Application Init
Initializes the logger and the Click board and enables the device.
Application Task
Continuously reads the data from one UART interface and forwards it to the other, enabling seamless USB to UART data transfer and vice versa.
Open Source
Code example
The complete application code and a ready-to-use project are available through the NECTO Studio Package Manager for direct installation in the NECTO Studio. The application code can also be found on the MIKROE GitHub account.
/*!
* @file main.c
* @brief USB UART 6 Click Example.
*
* # Description
* This example demonstrates the USB UART 6 Click board's ability to act as a USB-to-UART bridge.
* It enables bidirectional communication between a USB host and a UART device by forwarding
* received data between the USB and UART interfaces.
*
* The demo application is composed of two sections :
*
* ## Application Init
* Initializes the logger and the Click board and enables the device.
*
* ## Application Task
* Continuously reads the data from one UART interface and forwards it to the other,
* enabling seamless USB to UART data transfer and vice versa.
*
* @note
* Make sure the USB UART 6 Click is properly connected to a USB host and the
* mikroBUS socket, and that both UART interfaces are configured for the same baud rate.
*
* @author Stefan Filipovic
*
*/
#include "board.h"
#include "log.h"
#include "usbuart6.h"
#define PROCESS_BUFFER_SIZE 200
static usbuart6_t usbuart6;
static log_t logger;
static uint8_t app_buf[ PROCESS_BUFFER_SIZE ] = { 0 };
static int32_t app_buf_len = 0;
void application_init ( void )
{
log_cfg_t log_cfg; /**< Logger config object. */
usbuart6_cfg_t usbuart6_cfg; /**< Click config object. */
/**
* Logger initialization.
* Default baud rate: 115200
* Default log level: LOG_LEVEL_DEBUG
* @note If USB_UART_RX and USB_UART_TX
* are defined as HAL_PIN_NC, you will
* need to define them manually for log to work.
* See @b LOG_MAP_USB_UART macro definition for detailed explanation.
*/
LOG_MAP_USB_UART( log_cfg );
log_init( &logger, &log_cfg );
log_info( &logger, " Application Init " );
// Click initialization.
usbuart6_cfg_setup( &usbuart6_cfg );
USBUART6_MAP_MIKROBUS( usbuart6_cfg, MIKROBUS_1 );
if ( UART_ERROR == usbuart6_init( &usbuart6, &usbuart6_cfg ) )
{
log_error( &logger, " Communication init." );
for ( ; ; );
}
usbuart6_enable_device ( &usbuart6 );
log_info( &logger, " Application Task " );
Delay_ms ( 100 );
// Dummy read to enable RX interrupts
uart_read( &usbuart6.uart, app_buf, 1 );
uart_read( &logger.uart, app_buf, 1 );
}
void application_task ( void )
{
if ( uart_bytes_available ( &logger.uart ) )
{
app_buf_len = uart_read( &logger.uart, app_buf, PROCESS_BUFFER_SIZE );
if ( app_buf_len > 0 )
{
uart_write ( &usbuart6.uart, app_buf, app_buf_len );
memset( app_buf, 0, app_buf_len );
app_buf_len = 0;
}
}
if ( uart_bytes_available ( &usbuart6.uart ) )
{
app_buf_len = uart_read( &usbuart6.uart, app_buf, PROCESS_BUFFER_SIZE );
if ( app_buf_len > 0 )
{
uart_write ( &logger.uart, app_buf, app_buf_len );
memset( app_buf, 0, app_buf_len );
app_buf_len = 0;
}
}
}
int main ( void )
{
/* Do not remove this line or clock might not be set correctly. */
#ifdef PREINIT_SUPPORTED
preinit();
#endif
application_init( );
for ( ; ; )
{
application_task( );
}
return 0;
}
// ------------------------------------------------------------------------ END
Additional Support
Resources
Category:USB


































