Bridge standard SPI and isolated 2-wire SPI interfaces with configurable Host/Peripheral modes and robust signal integrity
A
A
Hardware Overview
How does it work?
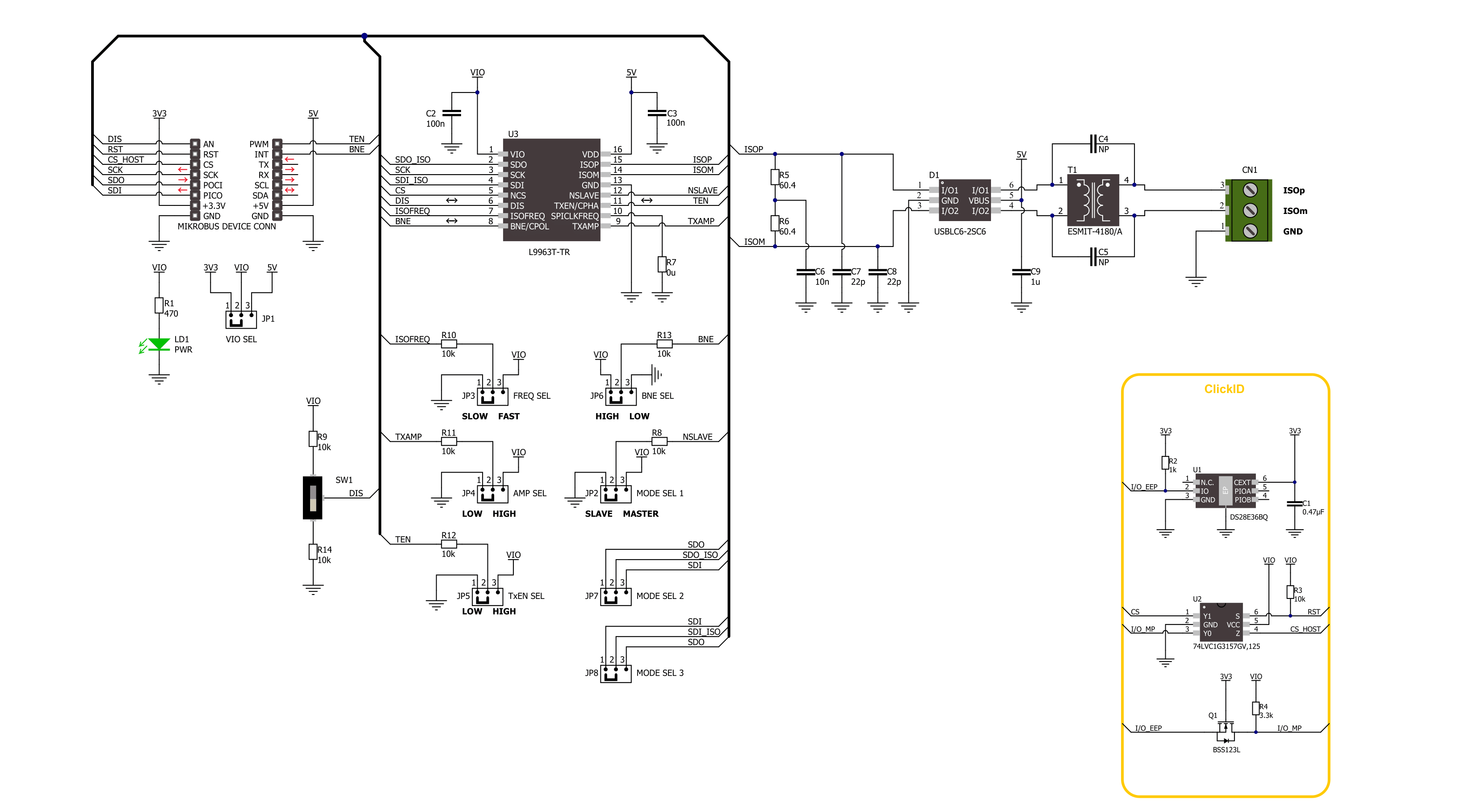
2-Wire SPI ISO Click is based on the L9963T, an automotive general-purpose SPI to isolated SPI transceiver from STMicroelectronics that provides a galvanically isolated communication bridge between devices operating in different voltage domains. The L9963T is designed to transfer data from a classical 4-wire SPI interface to a proprietary 2-wire isolated interface and back, ensuring data exchange in environments where galvanic isolation is required. It supports both transformer and capacitive isolation, since the generated isolated signal is compatible with both decoupling technologies. This Click board™ is ideal for automotive 48V and high-voltage systems, backup energy storage and UPS applications, industrial communication networks, portable and semi-portable devices, and remote sensors, providing an isolated SPI communication link for demanding embedded applications. The L9963T can be configured either as a Slave or a Master
mode of the SPI bus by placing MODE SEL jumpers in the proper positions and supports any SPI frame length from 8 to 64 bits, transferring data transparently without performing protocol checks. In Slave mode, the SPI interface can operate at up to 10MHz, while in Master mode the clock frequency can be selected among 250kHz, 1MHz, 4MHz, or 8MHz. On the isolated SPI side, two operating modes are available: a low-speed mode at 333kbps and a high-speed mode at 2.66Mbps, selectable via the FREQ SEL jumper. The device internally manages the asynchronicity between both sides, enabling the use of all frequency configurations across the two SPI domains. To accommodate timing differences and ensure smooth data flow, the L9963T integrates a buffer with 3 slots for frames received on the SPI port and 20 slots for frames received on the isolated SPI port, decoupling the two clock domains. The board also features a DIS switch that allows the user to
disable the transmitter and place the device into a low-power mode when set to position 1, or keep it in normal operating mode when set to position 0. A set of jumpers provides additional flexibility: BNE SEL controls the SDO Buffer Not Empty flag and allows SPI clock polarity (CPOL) selection, AMP SEL selects the isolated SPI transmit amplitude and threshold between low and high, and TxEN SEL enables the transmitter or selects the SPI clock phase (CPHA). This Click board™ can operate with either 3.3V or 5V logic voltage levels selected via the VIO SEL jumper. This way, both 3.3V and 5V capable MCUs can use the communication lines properly. Also, this Click board™ comes equipped with a library containing easy-to-use functions and an example code that can be used as a reference for further development.

Features overview
Development board
Nucleo-64 with STM32G474R MCU offers a cost-effective and adaptable platform for developers to explore new ideas and prototype their designs. This board harnesses the versatility of the STM32 microcontroller, enabling users to select the optimal balance of performance and power consumption for their projects. It accommodates the STM32 microcontroller in the LQFP64 package and includes essential components such as a user LED, which doubles as an ARDUINO® signal, alongside user and reset push-buttons, and a 32.768kHz crystal oscillator for precise timing operations. Designed with expansion and flexibility in mind, the Nucleo-64 board features an ARDUINO® Uno V3 expansion connector and ST morpho extension pin
headers, granting complete access to the STM32's I/Os for comprehensive project integration. Power supply options are adaptable, supporting ST-LINK USB VBUS or external power sources, ensuring adaptability in various development environments. The board also has an on-board ST-LINK debugger/programmer with USB re-enumeration capability, simplifying the programming and debugging process. Moreover, the board is designed to simplify advanced development with its external SMPS for efficient Vcore logic supply, support for USB Device full speed or USB SNK/UFP full speed, and built-in cryptographic features, enhancing both the power efficiency and security of projects. Additional connectivity is
provided through dedicated connectors for external SMPS experimentation, a USB connector for the ST-LINK, and a MIPI® debug connector, expanding the possibilities for hardware interfacing and experimentation. Developers will find extensive support through comprehensive free software libraries and examples, courtesy of the STM32Cube MCU Package. This, combined with compatibility with a wide array of Integrated Development Environments (IDEs), including IAR Embedded Workbench®, MDK-ARM, and STM32CubeIDE, ensures a smooth and efficient development experience, allowing users to fully leverage the capabilities of the Nucleo-64 board in their projects.
Microcontroller Overview
MCU Card / MCU

Architecture
ARM Cortex-M4
MCU Memory (KB)
512
Silicon Vendor
STMicroelectronics
Pin count
64
RAM (Bytes)
128k
You complete me!
Accessories
Click Shield for Nucleo-64 comes equipped with two proprietary mikroBUS™ sockets, allowing all the Click board™ devices to be interfaced with the STM32 Nucleo-64 board with no effort. This way, Mikroe allows its users to add any functionality from our ever-growing range of Click boards™, such as WiFi, GSM, GPS, Bluetooth, ZigBee, environmental sensors, LEDs, speech recognition, motor control, movement sensors, and many more. More than 1537 Click boards™, which can be stacked and integrated, are at your disposal. The STM32 Nucleo-64 boards are based on the microcontrollers in 64-pin packages, a 32-bit MCU with an ARM Cortex M4 processor operating at 84MHz, 512Kb Flash, and 96KB SRAM, divided into two regions where the top section represents the ST-Link/V2 debugger and programmer while the bottom section of the board is an actual development board. These boards are controlled and powered conveniently through a USB connection to program and efficiently debug the Nucleo-64 board out of the box, with an additional USB cable connected to the USB mini port on the board. Most of the STM32 microcontroller pins are brought to the IO pins on the left and right edge of the board, which are then connected to two existing mikroBUS™ sockets. This Click Shield also has several switches that perform functions such as selecting the logic levels of analog signals on mikroBUS™ sockets and selecting logic voltage levels of the mikroBUS™ sockets themselves. Besides, the user is offered the possibility of using any Click board™ with the help of existing bidirectional level-shifting voltage translators, regardless of whether the Click board™ operates at a 3.3V or 5V logic voltage level. Once you connect the STM32 Nucleo-64 board with our Click Shield for Nucleo-64, you can access hundreds of Click boards™, working with 3.3V or 5V logic voltage levels.
Used MCU Pins
mikroBUS™ mapper
Take a closer look
Click board™ Schematic

Step by step
Project assembly
Track your results in real time
Application Output
1. Application Output - In Debug mode, the 'Application Output' window enables real-time data monitoring, offering direct insight into execution results. Ensure proper data display by configuring the environment correctly using the provided tutorial.

2. UART Terminal - Use the UART Terminal to monitor data transmission via a USB to UART converter, allowing direct communication between the Click board™ and your development system. Configure the baud rate and other serial settings according to your project's requirements to ensure proper functionality. For step-by-step setup instructions, refer to the provided tutorial.

3. Plot Output - The Plot feature offers a powerful way to visualize real-time sensor data, enabling trend analysis, debugging, and comparison of multiple data points. To set it up correctly, follow the provided tutorial, which includes a step-by-step example of using the Plot feature to display Click board™ readings. To use the Plot feature in your code, use the function: plot(*insert_graph_name*, variable_name);. This is a general format, and it is up to the user to replace 'insert_graph_name' with the actual graph name and 'variable_name' with the parameter to be displayed.

Software Support
Library Description
2-Wire SPI ISO Click demo application is developed using the NECTO Studio, ensuring compatibility with mikroSDK's open-source libraries and tools. Designed for plug-and-play implementation and testing, the demo is fully compatible with all development, starter, and mikromedia boards featuring a mikroBUS™ socket.
Example Description
This example demonstrates the use of a 2-Wire SPI ISO Click board by showing the communication between the two Click boards (Slave and Master). That is performed by sending commands to a 2-Wire SPI ISO Click (Slave) to read the device ID of a Accel 22 Click board connected to the 2-Wire SPI ISO Click (Master).
Key functions:
c2wirespiiso_cfg_setup- Config Object Initialization function.c2wirespiiso_init- Initialization function.c2wirespiiso_default_cfg- Click Default Configuration function.c2wirespiiso_write- This function writes a desired number of data bytes by using SPI serial interface.c2wirespiiso_read- This function reads a desired number of data bytes by using SPI serial interface.c2wirespiiso_get_bne_pin- This function returns the RX buffer not empty (BNE) pin logic state.
Application Init
Initializes the driver and performs the Click default configuration.
Application Task
Reads and checks the device ID of a Accel 22 Click board connected to the 2-Wire SPI ISO (Master) Click, and displays the results on the USB UART approximately once per second.
Open Source
Code example
The complete application code and a ready-to-use project are available through the NECTO Studio Package Manager for direct installation in the NECTO Studio. The application code can also be found on the MIKROE GitHub account.
/*!
* @file main.c
* @brief 2-Wire SPI ISO Click example
*
* # Description
* This example demonstrates the use of a 2-Wire SPI ISO Click board by showing
* the communication between the two Click boards (Slave and Master). That is performed by
* sending commands to a 2-Wire SPI ISO Click (Slave) to read the device ID of a Accel 22
* Click board connected to the 2-Wire SPI ISO Click (Master).
*
* The demo application is composed of two sections :
*
* ## Application Init
* Initializes the driver and performs the Click default configuration.
*
* ## Application Task
* Reads and checks the device ID of a Accel 22 Click board connected to the 2-Wire SPI ISO
* (Master) Click, and displays the results on the USB UART approximately once per second.
*
* @note
* The communication topology is as follows:
* MCU <-> 2-Wire SPI ISO Click (Slave) <-> 2-Wire SPI ISO Click (Master) <-> Accel 22 Click
* The Master/Slave selection is done via on-board SMD jumpers.
* The Master Click board must be powered up with a 3V3 and 5V power supply externally.
* Also the DIS must be pulled down on Master Click board to enable the device.
*
* @author Stefan Filipovic
*
*/
#include "board.h"
#include "log.h"
#include "c2wirespiiso.h"
static c2wirespiiso_t c2wirespiiso;
static log_t logger;
/**
* @brief 2-Wire SPI ISO get Accel 22 ID function.
* @details This function reads and checks the device ID of the Accel 22 Click board which
* is connected to 2-Wire SPI ISO (master) Click board.
* @param[in] ctx : Click context object.
* See #spiisolator6_t object definition for detailed explanation.
* @return None.
* @note None.
*/
void c2wirespiiso_get_accel22_id ( c2wirespiiso_t *ctx );
void application_init ( void )
{
log_cfg_t log_cfg; /**< Logger config object. */
c2wirespiiso_cfg_t c2wirespiiso_cfg; /**< Click config object. */
/**
* Logger initialization.
* Default baud rate: 115200
* Default log level: LOG_LEVEL_DEBUG
* @note If USB_UART_RX and USB_UART_TX
* are defined as HAL_PIN_NC, you will
* need to define them manually for log to work.
* See @b LOG_MAP_USB_UART macro definition for detailed explanation.
*/
LOG_MAP_USB_UART( log_cfg );
log_init( &logger, &log_cfg );
log_info( &logger, " Application Init " );
// Click initialization.
c2wirespiiso_cfg_setup( &c2wirespiiso_cfg );
C2WIRESPIISO_MAP_MIKROBUS( c2wirespiiso_cfg, MIKROBUS_1 );
if ( SPI_MASTER_ERROR == c2wirespiiso_init( &c2wirespiiso, &c2wirespiiso_cfg ) )
{
log_error( &logger, " Communication init." );
for ( ; ; );
}
c2wirespiiso_default_cfg ( &c2wirespiiso );
log_info( &logger, " Application Task " );
}
void application_task ( void )
{
c2wirespiiso_get_accel22_id ( &c2wirespiiso );
Delay_ms ( 1000 );
}
int main ( void )
{
/* Do not remove this line or clock might not be set correctly. */
#ifdef PREINIT_SUPPORTED
preinit();
#endif
application_init( );
for ( ; ; )
{
application_task( );
}
return 0;
}
void c2wirespiiso_get_accel22_id ( c2wirespiiso_t *ctx )
{
#define TIMEOUT_MS 1000
#define DEVICE_NAME "Accel 22 Click"
#define DEVICE_SPI_READ_REG 0x0B
#define DEVICE_REG_ID 0x00
#define DEVICE_ID 0xAD
uint8_t data_buf[ 3 ] = { DEVICE_SPI_READ_REG, DEVICE_REG_ID, 0 };
uint16_t timeout_cnt = 0;
// Send SPI read reg command + reg address + 1 dummy byte as data request
c2wirespiiso_write ( ctx, data_buf, 3 );
// Wait for RX buffer not empty indication
while ( !c2wirespiiso_get_bne_pin ( ctx ) )
{
if ( ++timeout_cnt > TIMEOUT_MS )
{
log_error( &logger, "Timeout! Make sure the DIS pin is pulled down on master Click board." );
return;
}
Delay_1ms ( );
}
// Read 3 bytes, 2 dummy bytes + response data byte
c2wirespiiso_read ( ctx, data_buf, 3 );
log_printf( &logger, "\r\n %s\r\n", ( char * ) DEVICE_NAME );
if ( DEVICE_ID == data_buf[ 2 ] )
{
log_printf ( &logger, " Device ID: 0x%.2X\r\n", ( uint16_t ) data_buf[ 2 ] );
}
else
{
log_error( &logger, "Wrong ID read: 0x%.2X", ( uint16_t ) data_buf[ 2 ] );
}
}
// ------------------------------------------------------------------------ END
Additional Support
Resources
Category:SPI
































