Add configurable battery charging and system power management with up to 4.5A output for portable embedded devices
A
A
Hardware Overview
How does it work?
Charger 30 Click is based on the MP2731, a 4.5A switch-mode battery charge management device from Monolithic Power Systems (MPS). It provides a single-cell Li-ion or Li-polymer battery charging and system power management solution. This IC combines synchronous switching with NVDC system power path management to reduce impedance, shorten charging times, and extend battery lifespan, making it ideal for portable applications such as smartphones, tablets, wireless cameras, and other battery-powered embedded devices. The board accepts an input voltage from 3.7V to 16V through its VIN terminal and delivers up to 4.5A to the system load via the SYS terminal, ensuring stable power delivery under demanding conditions. Communication and control are handled through an I2C serial interface, which allows flexible configuration of charging parameters, system settings, and OTG operation. Battery charging is enabled or disabled by software and by
forcing the CE pin to a LOW logic level, which can also be used to restart a new charging cycle. The MP2731 automatically detects the battery voltage and executes a multi-stage charging profile, terminating the charge when full capacity is reached and automatically initiating a new cycle if the battery voltage drops below the recharge threshold. Charger 30 Click also incorporates a dedicated BATTERY switch to disconnect the battery from the system power path, enabling a system power reset or safe battery isolation without unplugging the cell. A red STAT LED connected to the open-drain status output indicates charger operation modes by lighting steadily during active charging, turning off when charging is complete, or blinking when charging is suspended. The board integrates a standard USB host connector with fast charge capabilities and supports USB On-The-Go (OTG) operation by supplying a default 5V boost output for powering external peripherals. The OTG
function is enabled through I2C control, and the OTG pin on the Click can be pulled LOW to suspend boost operation during OTG mode. Many safety and protection features ensure reliable and secure operation, including a programmable charging safety timer, battery temperature monitoring via dedicated NTC header pins, and built-in overvoltage and overcurrent protections. In the event of a fault condition, the device asserts an INT interrupt signal to the host MCU to allow immediate response and system protection. This Click board™ can be operated only with a 3.3V logic voltage level. The board must perform appropriate logic voltage level conversion before using MCUs with different logic levels. It also comes equipped with a library containing functions and example code that can be used as a reference for further development.
Features overview
Development board
Nucleo-64 with STM32F410RB MCU offers a cost-effective and adaptable platform for developers to explore new ideas and prototype their designs. This board harnesses the versatility of the STM32 microcontroller, enabling users to select the optimal balance of performance and power consumption for their projects. It accommodates the STM32 microcontroller in the LQFP64 package and includes essential components such as a user LED, which doubles as an ARDUINO® signal, alongside user and reset push-buttons, and a 32.768kHz crystal oscillator for precise timing operations. Designed with expansion and flexibility in mind, the Nucleo-64 board features an ARDUINO® Uno V3 expansion connector and ST morpho extension pin
headers, granting complete access to the STM32's I/Os for comprehensive project integration. Power supply options are adaptable, supporting ST-LINK USB VBUS or external power sources, ensuring adaptability in various development environments. The board also has an on-board ST-LINK debugger/programmer with USB re-enumeration capability, simplifying the programming and debugging process. Moreover, the board is designed to simplify advanced development with its external SMPS for efficient Vcore logic supply, support for USB Device full speed or USB SNK/UFP full speed, and built-in cryptographic features, enhancing both the power efficiency and security of projects. Additional connectivity is
provided through dedicated connectors for external SMPS experimentation, a USB connector for the ST-LINK, and a MIPI® debug connector, expanding the possibilities for hardware interfacing and experimentation. Developers will find extensive support through comprehensive free software libraries and examples, courtesy of the STM32Cube MCU Package. This, combined with compatibility with a wide array of Integrated Development Environments (IDEs), including IAR Embedded Workbench®, MDK-ARM, and STM32CubeIDE, ensures a smooth and efficient development experience, allowing users to fully leverage the capabilities of the Nucleo-64 board in their projects.
Microcontroller Overview
MCU Card / MCU

Architecture
ARM Cortex-M4
MCU Memory (KB)
128
Silicon Vendor
STMicroelectronics
Pin count
64
RAM (Bytes)
32768
You complete me!
Accessories
Click Shield for Nucleo-64 comes equipped with two proprietary mikroBUS™ sockets, allowing all the Click board™ devices to be interfaced with the STM32 Nucleo-64 board with no effort. This way, Mikroe allows its users to add any functionality from our ever-growing range of Click boards™, such as WiFi, GSM, GPS, Bluetooth, ZigBee, environmental sensors, LEDs, speech recognition, motor control, movement sensors, and many more. More than 1537 Click boards™, which can be stacked and integrated, are at your disposal. The STM32 Nucleo-64 boards are based on the microcontrollers in 64-pin packages, a 32-bit MCU with an ARM Cortex M4 processor operating at 84MHz, 512Kb Flash, and 96KB SRAM, divided into two regions where the top section represents the ST-Link/V2 debugger and programmer while the bottom section of the board is an actual development board. These boards are controlled and powered conveniently through a USB connection to program and efficiently debug the Nucleo-64 board out of the box, with an additional USB cable connected to the USB mini port on the board. Most of the STM32 microcontroller pins are brought to the IO pins on the left and right edge of the board, which are then connected to two existing mikroBUS™ sockets. This Click Shield also has several switches that perform functions such as selecting the logic levels of analog signals on mikroBUS™ sockets and selecting logic voltage levels of the mikroBUS™ sockets themselves. Besides, the user is offered the possibility of using any Click board™ with the help of existing bidirectional level-shifting voltage translators, regardless of whether the Click board™ operates at a 3.3V or 5V logic voltage level. Once you connect the STM32 Nucleo-64 board with our Click Shield for Nucleo-64, you can access hundreds of Click boards™, working with 3.3V or 5V logic voltage levels.
Used MCU Pins
mikroBUS™ mapper
Take a closer look
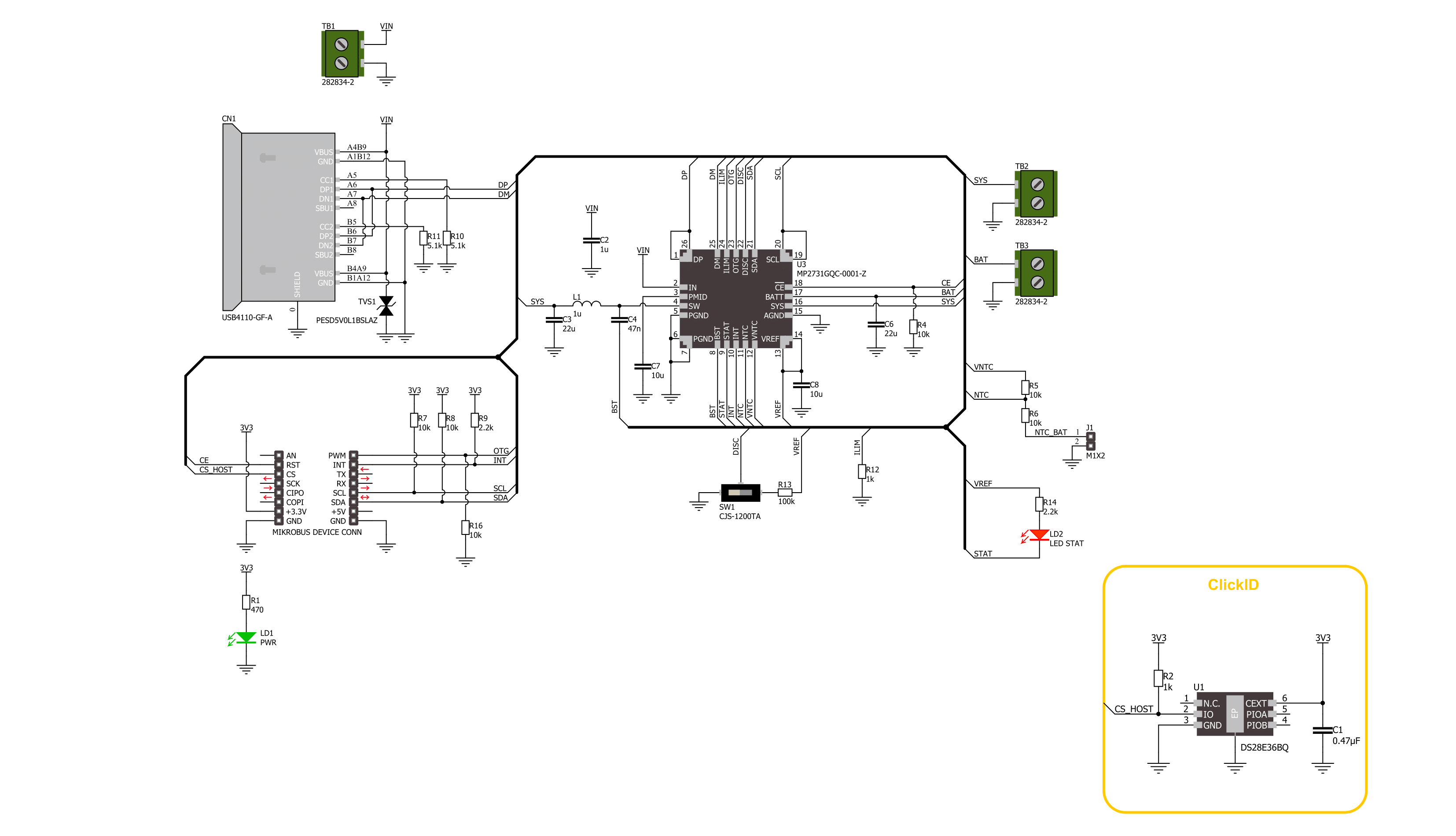
Click board™ Schematic

Step by step
Project assembly
Track your results in real time
Application Output
1. Application Output - In Debug mode, the 'Application Output' window enables real-time data monitoring, offering direct insight into execution results. Ensure proper data display by configuring the environment correctly using the provided tutorial.

2. UART Terminal - Use the UART Terminal to monitor data transmission via a USB to UART converter, allowing direct communication between the Click board™ and your development system. Configure the baud rate and other serial settings according to your project's requirements to ensure proper functionality. For step-by-step setup instructions, refer to the provided tutorial.

3. Plot Output - The Plot feature offers a powerful way to visualize real-time sensor data, enabling trend analysis, debugging, and comparison of multiple data points. To set it up correctly, follow the provided tutorial, which includes a step-by-step example of using the Plot feature to display Click board™ readings. To use the Plot feature in your code, use the function: plot(*insert_graph_name*, variable_name);. This is a general format, and it is up to the user to replace 'insert_graph_name' with the actual graph name and 'variable_name' with the parameter to be displayed.

Software Support
Library Description
Charger 30 Click demo application is developed using the NECTO Studio, ensuring compatibility with mikroSDK's open-source libraries and tools. Designed for plug-and-play implementation and testing, the demo is fully compatible with all development, starter, and mikromedia boards featuring a mikroBUS™ socket.
Example Description
This example demonstrates the use of the Charger 30 Click board by reading and logging the charging status, input and battery voltage, current consumption, and fault diagnostics. The demo configures the default setup and then periodically polls for system status and fault information.
Key functions:
charger30_cfg_setup- This function initializes Click configuration structure to initial values.charger30_init- This function initializes all necessary pins and peripherals used for this Click board.charger30_default_cfg- This function executes a default configuration of Charger 30 Click board.charger30_read_status- This function reads multiple status and monitoring registers and stores the values into the provided status structure.
Application Init
Initializes the logger and the Charger 30 Click driver and applies the default configuration.
Application Task
Periodically reads and logs charger status and fault registers along with voltage, current.
Open Source
Code example
The complete application code and a ready-to-use project are available through the NECTO Studio Package Manager for direct installation in the NECTO Studio. The application code can also be found on the MIKROE GitHub account.
/*!
* @file main.c
* @brief Charger 30 Click example
*
* # Description
* This example demonstrates the use of the Charger 30 Click board by reading and logging
* the charging status, input and battery voltage, current consumption, and fault diagnostics.
* The demo configures the default setup and then periodically polls for system status
* and fault information.
*
* The demo application is composed of two sections:
*
* ## Application Init
* Initializes the logger and the Charger 30 Click driver and applies the default configuration.
*
* ## Application Task
* Periodically reads and logs charger status and fault registers along with voltage, current.
*
* @note
* Ensure a valid power supply and a battery are connected for proper functionality.
*
* @author Stefan Filipovic
*
*/
#include "board.h"
#include "log.h"
#include "charger30.h"
static charger30_t charger30;
static log_t logger;
/**
* @brief Charger 30 display status function.
* @details This function logs the interpreted status bits from the STATUS register
* of the Charger 30 Click board using the logger interface. The output includes:
* VIN source type, charging state, NTC status, thermal regulation, and VSYS status.
* @param status : Value of the STATUS register.
* @return None.
* @note None.
*/
static void charger30_display_status ( uint8_t status );
/**
* @brief Charger 30 display fault function.
* @details This function logs the interpreted fault bits from the FAULT register
* of the Charger 30 Click board using the logger interface. The output includes:
* watchdog timeout, OTG fault, input fault, thermal shutdown, battery fault, and NTC fault.
* @param fault : Value of the FAULT register.
* @return None.
* @note None.
*/
static void charger30_display_fault ( uint8_t fault );
void application_init ( void )
{
log_cfg_t log_cfg; /**< Logger config object. */
charger30_cfg_t charger30_cfg; /**< Click config object. */
/**
* Logger initialization.
* Default baud rate: 115200
* Default log level: LOG_LEVEL_DEBUG
* @note If USB_UART_RX and USB_UART_TX
* are defined as HAL_PIN_NC, you will
* need to define them manually for log to work.
* See @b LOG_MAP_USB_UART macro definition for detailed explanation.
*/
LOG_MAP_USB_UART( log_cfg );
log_init( &logger, &log_cfg );
log_info( &logger, " Application Init " );
// Click initialization.
charger30_cfg_setup( &charger30_cfg );
CHARGER30_MAP_MIKROBUS( charger30_cfg, MIKROBUS_1 );
if ( I2C_MASTER_ERROR == charger30_init( &charger30, &charger30_cfg ) )
{
log_error( &logger, " Communication init." );
for ( ; ; );
}
if ( CHARGER30_ERROR == charger30_default_cfg ( &charger30 ) )
{
log_error( &logger, " Default configuration." );
for ( ; ; );
}
log_info( &logger, " Application Task " );
}
void application_task ( void )
{
charger30_status_t status;
if ( CHARGER30_OK == charger30_read_status ( &charger30, &status ) )
{
charger30_display_status ( status.status );
charger30_display_fault ( status.fault );
log_printf ( &logger, " VBAT: %u mV\r\n", status.vbat );
log_printf ( &logger, " VSYS: %u mV\r\n", status.vsys );
log_printf ( &logger, " NTC: %.1f %%\r\n", status.ntc );
log_printf ( &logger, " VIN: %u mV\r\n", status.vin );
log_printf ( &logger, " Ichg: %.1f mA\r\n", status.ichg );
log_printf ( &logger, " Iin: %.1f mA\r\n", status.iin );
log_printf ( &logger, " Iin_dpm: %u mA\r\n\n", status.iin_dpm );
}
Delay_ms ( 1000 );
}
int main ( void )
{
/* Do not remove this line or clock might not be set correctly. */
#ifdef PREINIT_SUPPORTED
preinit();
#endif
application_init( );
for ( ; ; )
{
application_task( );
}
return 0;
}
static void charger30_display_status( uint8_t status )
{
log_printf ( &logger, " VIN status: " );
switch ( status & CHARGER30_STATUS_VIN_STAT_MASK )
{
case CHARGER30_STATUS_VIN_STAT_NO_INPUT:
{
log_printf ( &logger, "No input\r\n" );
break;
}
case CHARGER30_STATUS_VIN_STAT_NONSTANDARD_ADAPT:
{
log_printf ( &logger, "Nonstandard adapter (1A/2.1A/2.4A)\r\n" );
break;
}
case CHARGER30_STATUS_VIN_STAT_SDP:
{
log_printf ( &logger, "SDP\r\n" );
break;
}
case CHARGER30_STATUS_VIN_STAT_CDP:
{
log_printf ( &logger, "CDP\r\n" );
break;
}
case CHARGER30_STATUS_VIN_STAT_DCP:
{
log_printf ( &logger, "DCP\r\n" );
break;
}
case CHARGER30_STATUS_VIN_STAT_FAST_CHARGE:
{
log_printf ( &logger, "Fast-charge adapter\r\n" );
break;
}
case CHARGER30_STATUS_VIN_STAT_OTG:
{
log_printf ( &logger, "OTG\r\n" );
break;
}
default:
{
log_printf ( &logger, "Unknown\r\n" );
break;
}
}
log_printf ( &logger, " Charge status: " );
switch ( status & CHARGER30_STATUS_CHG_STAT_MASK )
{
case CHARGER30_STATUS_CHG_STAT_NOT_CHARGING:
{
log_printf ( &logger, "Not charging\r\n" );
break;
}
case CHARGER30_STATUS_CHG_STAT_TRICKLE_CHARGE:
{
log_printf ( &logger, "Trickle charge\r\n" );
break;
}
case CHARGER30_STATUS_CHG_STAT_CC_CHARGE:
{
log_printf ( &logger, "Constant current charge\r\n" );
break;
}
case CHARGER30_STATUS_CHG_STAT_CHARGE_DONE:
{
log_printf ( &logger, "Charge done\r\n" );
break;
}
default:
{
log_printf ( &logger, "Unknown\r\n" );
break;
}
}
if ( CHARGER30_STATUS_NTC_FLOAT_FLOAT == ( status & CHARGER30_STATUS_NTC_FLOAT_MASK ) )
{
log_printf ( &logger, " NTC float\r\n" );
}
if ( CHARGER30_STATUS_THERM_STAT_THERMAL_REG == ( status & CHARGER30_STATUS_THERM_STAT_MASK ) )
{
log_printf ( &logger, " Thermal regulation\r\n" );
}
if ( CHARGER30_STATUS_VSYS_STAT_IN_REG == ( status & CHARGER30_STATUS_VSYS_STAT_MASK ) )
{
log_printf ( &logger, " In Vsysmin regulation (BAT < Vsysmin)\r\n" );
}
}
static void charger30_display_fault( uint8_t fault )
{
if ( fault & CHARGER30_FAULT_WATCHDOG )
{
log_printf ( &logger, " Fault: Watchdog timer expiration\r\n" );
}
if ( fault & CHARGER30_FAULT_OTG )
{
log_printf ( &logger, " Fault: VIN overload, or VIN over-voltage protection (OVP),\r\n" );
log_printf ( &logger, " or the battery has an under-voltage condition\r\n" );
}
if ( fault & CHARGER30_FAULT_INPUT )
{
log_printf ( &logger, " Fault: Input over-voltage protection (OVP) or no input\r\n" );
}
if ( fault & CHARGER30_FAULT_THERMAL_SHUTDOWN )
{
log_printf ( &logger, " Fault: Thermal shutdown\r\n" );
}
if ( fault & CHARGER30_FAULT_BAT )
{
log_printf ( &logger, " Fault: Battery over-voltage protection (OVP)\r\n" );
}
if ( CHARGER30_FAULT_NTC_NORMAL != ( fault & CHARGER30_FAULT_NTC_MASK ) )
{
switch ( fault & CHARGER30_FAULT_NTC_MASK )
{
case CHARGER30_FAULT_NTC_WARM:
{
log_printf ( &logger, " Fault: NTC warm\r\n" );
break;
}
case CHARGER30_FAULT_NTC_COOL:
{
log_printf ( &logger, " Fault: NTC cool\r\n" );
break;
}
case CHARGER30_FAULT_NTC_COLD:
{
log_printf ( &logger, " Fault: NTC cold\r\n" );
break;
}
case CHARGER30_FAULT_NTC_HOT:
{
log_printf ( &logger, " Fault: NTC hot\r\n" );
break;
}
default:
{
log_printf ( &logger, " Fault: NTC Fault unknown\r\n" );
break;
}
}
}
}
// ------------------------------------------------------------------------ END
Additional Support
Resources
Category:Battery charger

































