Power embedded systems with three independent buck converters that deliver stable and configurable power outputs
A
A
Hardware Overview
How does it work?
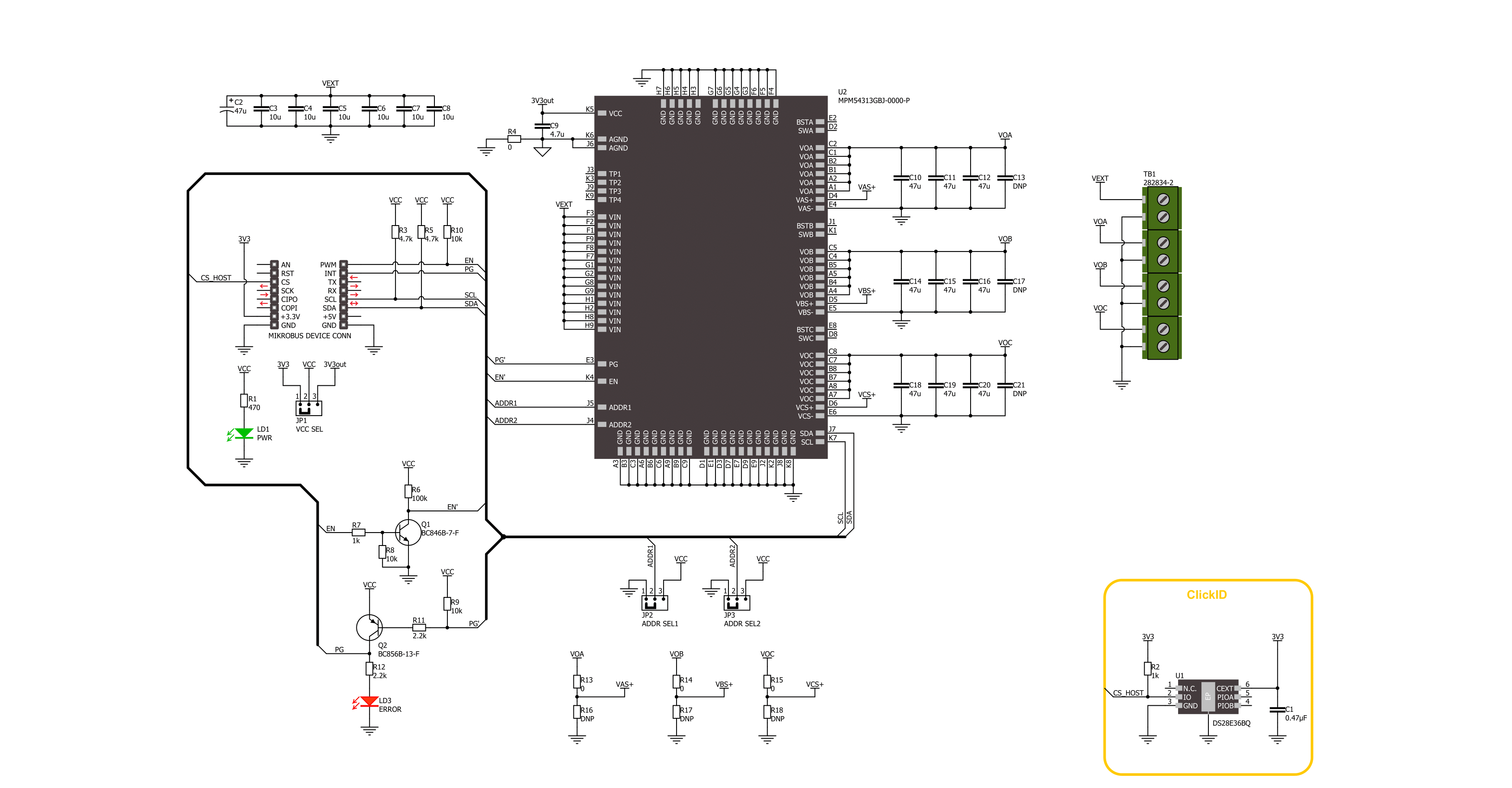
Smart Buck 6 Click is based on the MPM54313, a triple 3A power module from MPS that provides a highly integrated power management solution for a wide range of embedded applications. This module offers three independent buck converters, each capable of delivering up to 3A of continuous output current, with flexible configuration through the I2C interface. It supports a wide input voltage range from 4V to 16V at the VEXT terminal, while the output voltages can be adjusted digitally via I2C or set through multiple-time programmable memory in the range of 0.4V to 5.5V on all VOx outputs, ensuring adaptability to different system requirements. The device integrates sophisticated power-on and power-off sequencing, configurable soft-start, compensation, and comprehensive protection features including under-voltage lockout, over-voltage, under-voltage, over-current protection, and thermal shutdown, ensuring safe and reliable operation. Its constant-on-time control
architecture enables ultra-fast transient response, making it ideal for powering sensitive digital systems such as FPGAs, ASICs, and optical communication modules. For higher current demands, Buck channels A and B can operate in parallel in interleaving mode, supporting up to 6A with active current balancing, while configurable active voltage positioning allows up to three outputs to be paralleled with passive current sharing. This level of integration and flexibility makes Smart Buck 6 Click an excellent choice for networking, telecommunications, and other complex embedded systems requiring compact and programmable multi-rail power supplies. The MPM54313 interfaces with the host MCU via an I2C-compatible serial interface operating at standard (100kHz) or fast mode (400kHz) clock speeds, enabling control and monitoring of output voltages and status registers. The I2C address of the MPM54313 can be easily configured via onboard jumpers marked
ADDR SEL, allowing multiple devices to coexist on the same bus. A dedicated ON pin allows for external enable/disable control of the entire power module, supporting power domain management in software-controlled power sequencing scenarios. Additionally, the MPM54313 features a Power Good (PG pin) output that is also routed to an onboard red LED labeled ERROR, which provides real-time visual indication of any voltage irregularities or faults - indicate valid and stable output voltages. This Click board™ can operate with either 3.3V or 5V logic voltage levels selected via the VCC SEL jumper. This way, both 3.3V and 5V capable MCUs can use the communication lines properly. Also, this Click board™ comes equipped with a library containing easy-to-use functions and an example code that can be used as a reference for further development.
Features overview
Development board
Nucleo-64 with STM32G071RB MCU offers a cost-effective and adaptable platform for developers to explore new ideas and prototype their designs. This board harnesses the versatility of the STM32 microcontroller, enabling users to select the optimal balance of performance and power consumption for their projects. It accommodates the STM32 microcontroller in the LQFP64 package and includes essential components such as a user LED, which doubles as an ARDUINO® signal, alongside user and reset push-buttons, and a 32.768kHz crystal oscillator for precise timing operations. Designed with expansion and flexibility in mind, the Nucleo-64 board features an ARDUINO® Uno V3 expansion connector and ST morpho extension pin
headers, granting complete access to the STM32's I/Os for comprehensive project integration. Power supply options are adaptable, supporting ST-LINK USB VBUS or external power sources, ensuring adaptability in various development environments. The board also has an on-board ST-LINK debugger/programmer with USB re-enumeration capability, simplifying the programming and debugging process. Moreover, the board is designed to simplify advanced development with its external SMPS for efficient Vcore logic supply, support for USB Device full speed or USB SNK/UFP full speed, and built-in cryptographic features, enhancing both the power efficiency and security of projects. Additional connectivity is
provided through dedicated connectors for external SMPS experimentation, a USB connector for the ST-LINK, and a MIPI® debug connector, expanding the possibilities for hardware interfacing and experimentation. Developers will find extensive support through comprehensive free software libraries and examples, courtesy of the STM32Cube MCU Package. This, combined with compatibility with a wide array of Integrated Development Environments (IDEs), including IAR Embedded Workbench®, MDK-ARM, and STM32CubeIDE, ensures a smooth and efficient development experience, allowing users to fully leverage the capabilities of the Nucleo-64 board in their projects.
Microcontroller Overview
MCU Card / MCU

Architecture
ARM Cortex-M0
MCU Memory (KB)
128
Silicon Vendor
STMicroelectronics
Pin count
64
RAM (Bytes)
36864
You complete me!
Accessories
Click Shield for Nucleo-64 comes equipped with two proprietary mikroBUS™ sockets, allowing all the Click board™ devices to be interfaced with the STM32 Nucleo-64 board with no effort. This way, Mikroe allows its users to add any functionality from our ever-growing range of Click boards™, such as WiFi, GSM, GPS, Bluetooth, ZigBee, environmental sensors, LEDs, speech recognition, motor control, movement sensors, and many more. More than 1537 Click boards™, which can be stacked and integrated, are at your disposal. The STM32 Nucleo-64 boards are based on the microcontrollers in 64-pin packages, a 32-bit MCU with an ARM Cortex M4 processor operating at 84MHz, 512Kb Flash, and 96KB SRAM, divided into two regions where the top section represents the ST-Link/V2 debugger and programmer while the bottom section of the board is an actual development board. These boards are controlled and powered conveniently through a USB connection to program and efficiently debug the Nucleo-64 board out of the box, with an additional USB cable connected to the USB mini port on the board. Most of the STM32 microcontroller pins are brought to the IO pins on the left and right edge of the board, which are then connected to two existing mikroBUS™ sockets. This Click Shield also has several switches that perform functions such as selecting the logic levels of analog signals on mikroBUS™ sockets and selecting logic voltage levels of the mikroBUS™ sockets themselves. Besides, the user is offered the possibility of using any Click board™ with the help of existing bidirectional level-shifting voltage translators, regardless of whether the Click board™ operates at a 3.3V or 5V logic voltage level. Once you connect the STM32 Nucleo-64 board with our Click Shield for Nucleo-64, you can access hundreds of Click boards™, working with 3.3V or 5V logic voltage levels.
Used MCU Pins
mikroBUS™ mapper
Take a closer look
Click board™ Schematic

Step by step
Project assembly
Track your results in real time
Application Output
1. Application Output - In Debug mode, the 'Application Output' window enables real-time data monitoring, offering direct insight into execution results. Ensure proper data display by configuring the environment correctly using the provided tutorial.

2. UART Terminal - Use the UART Terminal to monitor data transmission via a USB to UART converter, allowing direct communication between the Click board™ and your development system. Configure the baud rate and other serial settings according to your project's requirements to ensure proper functionality. For step-by-step setup instructions, refer to the provided tutorial.

3. Plot Output - The Plot feature offers a powerful way to visualize real-time sensor data, enabling trend analysis, debugging, and comparison of multiple data points. To set it up correctly, follow the provided tutorial, which includes a step-by-step example of using the Plot feature to display Click board™ readings. To use the Plot feature in your code, use the function: plot(*insert_graph_name*, variable_name);. This is a general format, and it is up to the user to replace 'insert_graph_name' with the actual graph name and 'variable_name' with the parameter to be displayed.

Software Support
Library Description
Smart Buck 6 Click demo application is developed using the NECTO Studio, ensuring compatibility with mikroSDK's open-source libraries and tools. Designed for plug-and-play implementation and testing, the demo is fully compatible with all development, starter, and mikromedia boards featuring a mikroBUS™ socket.
Example Description
This example demonstrates the use of the Smart Buck 6 Click board. The application changes the output voltage of all three buck converters (A, B, and C) in a periodic manner and logs the output current of each. It also monitors the PG (Power Good) pin to detect and log any fault conditions such as over-temperature, overvoltage, undervoltage, or overcurrent.
Key functions:
smartbuck6_cfg_setup- This function initializes Click configuration structure to initial values.smartbuck6_init- This function initializes all necessary pins and peripherals used for this Click board.smartbuck6_default_cfg- This function executes a default configuration of Smart Buck 6 Click board.smartbuck6_set_buck_vout- This function sets the output voltage for one or more buck regulators.smartbuck6_read_buck_current- This function reads and returns the output current of the selected buck regulator.smartbuck6_get_pg_pin- This function reads the logic level of the PG pin.
Application Init
Initializes the logger and the Smart Buck 6 Click driver and applies the default configuration.
Application Task
Periodically increases or decreases the output voltage, reads and logs the output current for each buck channel, and checks for any fault conditions indicated via the PG pin and status registers.
Open Source
Code example
The complete application code and a ready-to-use project are available through the NECTO Studio Package Manager for direct installation in the NECTO Studio. The application code can also be found on the MIKROE GitHub account.
/*!
* @file main.c
* @brief Smart Buck 6 Click example
*
* # Description
* This example demonstrates the use of the Smart Buck 6 Click board. The application changes
* the output voltage of all three buck converters (A, B, and C) in a periodic manner and logs
* the output current of each. It also monitors the PG (Power Good) pin to detect and log any
* fault conditions such as over-temperature, overvoltage, undervoltage, or overcurrent.
*
* The demo application is composed of two sections :
*
* ## Application Init
* Initializes the logger and the Smart Buck 6 Click driver and applies the default configuration.
*
* ## Application Task
* Periodically increases or decreases the output voltage, reads and logs the output current for
* each buck channel, and checks for any fault conditions indicated via the PG pin and status registers.
*
* @note
* Ensure that a valid power supply and appropriate load are connected to the Click board
* to observe proper current and fault condition readings.
*
* @author Stefan Filipovic
*
*/
#include "board.h"
#include "log.h"
#include "smartbuck6.h"
static smartbuck6_t smartbuck6;
static log_t logger;
/**
* @brief Smart Buck 6 display status function.
* @details This function parses and logs all detected status flags from the Smart Buck 6 Click board
* including over-temperature, power-good, overvoltage, undervoltage, and overcurrent conditions.
* @param[in] status : Status register structure.
* See #smartbuck6_status_t object definition for detailed explanation.
* @return None.
* @note This function outputs human-readable messages via the logger for each active status flag.
*/
static void smartbuck6_display_status ( smartbuck6_status_t status );
void application_init ( void )
{
log_cfg_t log_cfg; /**< Logger config object. */
smartbuck6_cfg_t smartbuck6_cfg; /**< Click config object. */
/**
* Logger initialization.
* Default baud rate: 115200
* Default log level: LOG_LEVEL_DEBUG
* @note If USB_UART_RX and USB_UART_TX
* are defined as HAL_PIN_NC, you will
* need to define them manually for log to work.
* See @b LOG_MAP_USB_UART macro definition for detailed explanation.
*/
LOG_MAP_USB_UART( log_cfg );
log_init( &logger, &log_cfg );
log_info( &logger, " Application Init " );
// Click initialization.
smartbuck6_cfg_setup( &smartbuck6_cfg );
SMARTBUCK6_MAP_MIKROBUS( smartbuck6_cfg, MIKROBUS_1 );
if ( I2C_MASTER_ERROR == smartbuck6_init( &smartbuck6, &smartbuck6_cfg ) )
{
log_error( &logger, " Communication init." );
for ( ; ; );
}
if ( SMARTBUCK6_ERROR == smartbuck6_default_cfg ( &smartbuck6 ) )
{
log_error( &logger, " Default configuration." );
for ( ; ; );
}
log_info( &logger, " Application Task " );
}
void application_task ( void )
{
smartbuck6_status_t status;
static uint16_t vout = SMARTBUCK6_VOUT_MV_MIN;
static int16_t vout_step = 200;
uint16_t current = 0;
if ( smartbuck6_get_pg_pin ( &smartbuck6 ) )
{
log_printf( &logger, "\r\n Fault indication detected via PG pin!\r\n" );
if ( SMARTBUCK6_OK == smartbuck6_read_status ( &smartbuck6, &status ) )
{
smartbuck6_display_status ( status );
}
smartbuck6_clear_status( &smartbuck6 );
}
if ( SMARTBUCK6_OK == smartbuck6_set_buck_vout ( &smartbuck6, SMARTBUCK6_BUCK_ALL, vout ) )
{
log_printf ( &logger, "\r\n All outputs voltage: %u mV\r\n", vout );
vout += vout_step;
if ( ( vout > SMARTBUCK6_VOUT_MV_MAX ) || ( vout < SMARTBUCK6_VOUT_MV_MIN ) )
{
vout_step = -vout_step;
vout += vout_step;
vout += vout_step;
}
Delay_ms ( 100 );
if ( SMARTBUCK6_OK == smartbuck6_read_buck_current ( &smartbuck6, SMARTBUCK6_BUCK_A, ¤t ) )
{
log_printf ( &logger, " Buck A current: %u mA\r\n", current );
}
if ( SMARTBUCK6_OK == smartbuck6_read_buck_current ( &smartbuck6, SMARTBUCK6_BUCK_B, ¤t ) )
{
log_printf ( &logger, " Buck B current: %u mA\r\n", current );
}
if ( SMARTBUCK6_OK == smartbuck6_read_buck_current ( &smartbuck6, SMARTBUCK6_BUCK_C, ¤t ) )
{
log_printf ( &logger, " Buck C current: %u mA\r\n", current );
}
}
Delay_ms ( 1000 );
Delay_ms ( 1000 );
}
int main ( void )
{
/* Do not remove this line or clock might not be set correctly. */
#ifdef PREINIT_SUPPORTED
preinit();
#endif
application_init( );
for ( ; ; )
{
application_task( );
}
return 0;
}
static void smartbuck6_display_status ( smartbuck6_status_t status )
{
if ( status.status_0 )
{
if ( status.status_0 & SMARTBUCK6_STATUS_0_OVER_TEMP_STATUS )
{
log_printf ( &logger, " A critical temperature shutdown has occurred\r\n" );
}
if ( status.status_0 & SMARTBUCK6_STATUS_0_BUCK_A_PWR_NOT_GOOD )
{
log_printf ( &logger, " Buck A output power is not good\r\n" );
}
if ( status.status_0 & SMARTBUCK6_STATUS_0_BUCK_B_PWR_NOT_GOOD )
{
log_printf ( &logger, " Buck B output power is not good\r\n" );
}
if ( status.status_0 & SMARTBUCK6_STATUS_0_BUCK_C_PWR_NOT_GOOD )
{
log_printf ( &logger, " Buck C output power is not good\r\n" );
}
if ( status.status_0 & SMARTBUCK6_STATUS_0_VIN_OV )
{
log_printf ( &logger, " A VIN OV condition has occurred\r\n" );
}
}
if ( status.status_1 )
{
if ( status.status_1 & SMARTBUCK6_STATUS_1_BUCK_A_OV )
{
log_printf ( &logger, " A buck A output OV condition has occurred\r\n" );
}
if ( status.status_1 & SMARTBUCK6_STATUS_1_BUCK_B_OV )
{
log_printf ( &logger, " A buck B output OV condition has occurred\r\n" );
}
if ( status.status_1 & SMARTBUCK6_STATUS_1_BUCK_C_OV )
{
log_printf ( &logger, " A buck C output OV condition has occurred\r\n" );
}
if ( status.status_1 & SMARTBUCK6_STATUS_1_BUCK_A_UV )
{
log_printf ( &logger, " A buck A output UV condition has occurred\r\n" );
}
if ( status.status_1 & SMARTBUCK6_STATUS_1_BUCK_B_UV )
{
log_printf ( &logger, " A buck B output UV condition has occurred\r\n" );
}
if ( status.status_1 & SMARTBUCK6_STATUS_1_BUCK_C_UV )
{
log_printf ( &logger, " A buck C output UV condition has occurred\r\n" );
}
}
if ( status.oc_status )
{
if ( status.oc_status & SMARTBUCK6_OC_STATUS_BUCK_A_OC )
{
log_printf ( &logger, " There is an output OC condition on buck A\r\n" );
}
if ( status.oc_status & SMARTBUCK6_OC_STATUS_BUCK_B_OC )
{
log_printf ( &logger, " There is an output OC condition on buck B\r\n" );
}
if ( status.oc_status & SMARTBUCK6_OC_STATUS_BUCK_C_OC )
{
log_printf ( &logger, " There is an output OC condition on buck C\r\n" );
}
}
}
// ------------------------------------------------------------------------ END
Additional Support
Resources
Category:Buck

































