当涉及到温度测量时,细节至关重要。我们的热电偶探头解决方案超越了标准测量,提供卓越的精度,使您的数据更加清晰,每一度都至关重要。
A
A
硬件概览
它是如何工作的?
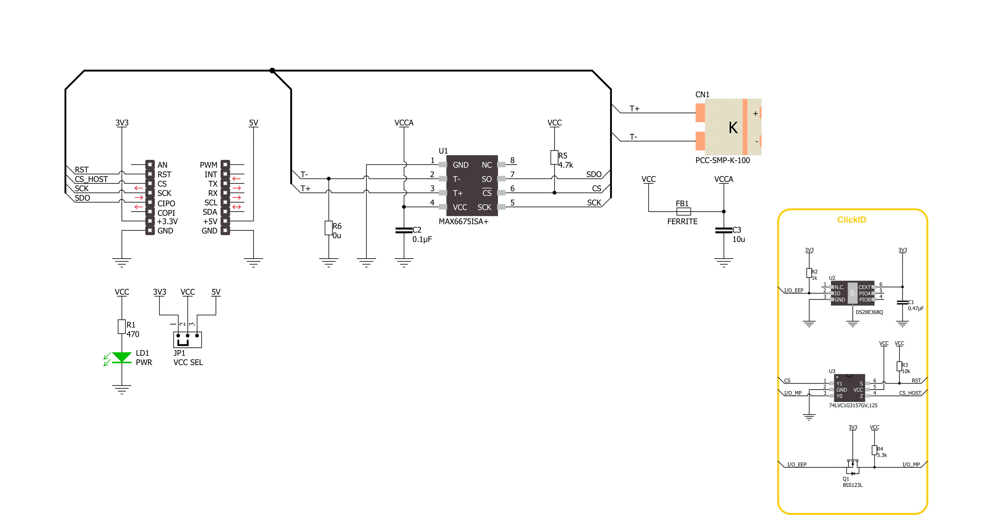
Thermo K 3 Click 基于 Analog Devices 的 MAX6675,这是一款带有冷端补偿的 K 型热电偶到数字转换器。它包括信号调理硬件,将热电偶信号转换为与 ADC 输入通道兼容的电压。热电偶电路由热端和冷端组成:热端是热电偶探头本身(0°C - 102.75°C),冷端是环境温度,通常是电路板本身(-20°C - 85°C)。MAX6675 通过补偿
冷端来感应热电偶两端的温差并进行校正。MAX6675 测量热电偶输出和感应二极管的电压,并将其传递给存储在 ADC 中的内部转换功能。Thermo K 3 Click 使用 3 线(只读)SPI 串行接口与主 MCU 通信,时钟频率最高可达 4.3MHz。除了温度,您还可以获取开路热电偶检测的数据。为了实现这一功能,PCC-SMP 连接器的 T- 通过 R6
0Ω 电阻接地。如果不需要此功能或不适合您的需求,可以将其焊接掉。此 Click board™ 可以通过 VCC SEL 跳线选择 3.3V 或 5V 逻辑电压电平进行操作。这样,3.3V 和 5V 的 MCU 都可以正确使用通信线路。此外,此 Click board™ 配备了包含易于使用的函数和示例代码的库,可用于进一步开发。
功能概述
开发板
Clicker 4 for STM32F3 是一款紧凑型开发板,作为完整的解决方案而设计,可帮助用户快速构建具备独特功能的定制设备。该板搭载 STMicroelectronics 的 STM32F302VCT6 微控制器,配备四个 mikroBUS™ 插槽用于连接 Click boards™、完善的电源管理功能以及其他实用资源,是快速开发各类应用的理想平台。其核心 MCU STM32F302VCT6 基于高性能
Arm® Cortex®-M4 32 位处理器,运行频率高达 168MHz,处理能力强大,能够满足各种高复杂度任务的需求,使 Clicker 4 能灵活适应多种应用场景。除了两个 1x20 引脚排针外,板载最显著的连接特性是四个增强型 mikroBUS™ 插槽,支持接入数量庞大的 Click boards™ 生态系统,该生态每日持续扩展。Clicker 4 各功能区域标识清晰,界面直观简洁,极大
提升使用便捷性和开发效率。Clicker 4 的价值不仅在于加速原型开发与应用构建阶段,更在于其作为独立完整方案可直接集成至实际项目中,无需额外硬件修改。四角各设有直径 4.2mm(0.165")的安装孔,便于通过螺丝轻松固定。对于多数应用,只需配套一个外壳,即可将 Clicker 4 开发板转化为完整、实用且外观精美的定制系统。
微控制器概述
MCU卡片 / MCU

建筑
ARM Cortex-M4
MCU 内存 (KB)
256
硅供应商
STMicroelectronics
引脚数
100
RAM (字节)
40960
你完善了我!
配件
使用的MCU引脚
mikroBUS™映射器
“仔细看看!”
Click board™ 原理图

一步一步来
项目组装
软件支持
库描述
该库包含 Thermo K 3 Click 驱动程序的 API。
关键功能:
thermok3_read_data- Examplethermok3_convert_to_celsius- Example
开源
代码示例
完整的应用程序代码和一个现成的项目可以通过NECTO Studio包管理器直接安装到NECTO Studio。 应用程序代码也可以在MIKROE的GitHub账户中找到。
/*!
* @file main.c
* @brief Thermo K 3 Click example
*
* # Description
* This example demonstrates the use of Thermo K 3 Click board by reading and displaying
* the temperature measurements.
*
* The demo application is composed of two sections :
*
* ## Application Init
* Initializes the driver and logger.
*
* ## Application Task
* Reads the temperature measurement in Celsius and displays the results on the USB UART
* approximately once per second. If there's no thermocouple type-K probe inserted an
* appropriate message will be displayed instead.
*
* @author Stefan Filipovic
*
*/
#include "board.h"
#include "log.h"
#include "thermok3.h"
static thermok3_t thermok3;
static log_t logger;
void application_init ( void )
{
log_cfg_t log_cfg; /**< Logger config object. */
thermok3_cfg_t thermok3_cfg; /**< Click config object. */
/**
* Logger initialization.
* Default baud rate: 115200
* Default log level: LOG_LEVEL_DEBUG
* @note If USB_UART_RX and USB_UART_TX
* are defined as HAL_PIN_NC, you will
* need to define them manually for log to work.
* See @b LOG_MAP_USB_UART macro definition for detailed explanation.
*/
LOG_MAP_USB_UART( log_cfg );
log_init( &logger, &log_cfg );
log_info( &logger, " Application Init " );
// Click initialization.
thermok3_cfg_setup( &thermok3_cfg );
THERMOK3_MAP_MIKROBUS( thermok3_cfg, MIKROBUS_1 );
if ( SPI_MASTER_ERROR == thermok3_init( &thermok3, &thermok3_cfg ) )
{
log_error( &logger, " Communication init." );
for ( ; ; );
}
log_info( &logger, " Application Task " );
}
void application_task ( void )
{
float temperature = 0;
err_t error_flag = thermok3_read_temperature ( &thermok3, &temperature );
if ( THERMOK3_OK == error_flag )
{
log_printf( &logger, " Temperature: %.2f C\r\n\n", temperature );
}
else if ( THERMOK3_OPEN_THERMOCOUPLE == error_flag )
{
log_printf( &logger, " NO thermocouple input\r\n\n" );
}
Delay_ms ( 1000 );
}
int main ( void )
{
/* Do not remove this line or clock might not be set correctly. */
#ifdef PREINIT_SUPPORTED
preinit();
#endif
application_init( );
for ( ; ; )
{
application_task( );
}
return 0;
}
// ------------------------------------------------------------------------ END
额外支持
资源
类别:温度与湿度
































