Evaluate overall indoor and outdoor air quality by detecting volatile organic compounds (VOCs), volatile sulfur compounds (VSCs), carbon monoxide (CO), hydrogen, and other gases
A
A
Hardware Overview
How does it work?
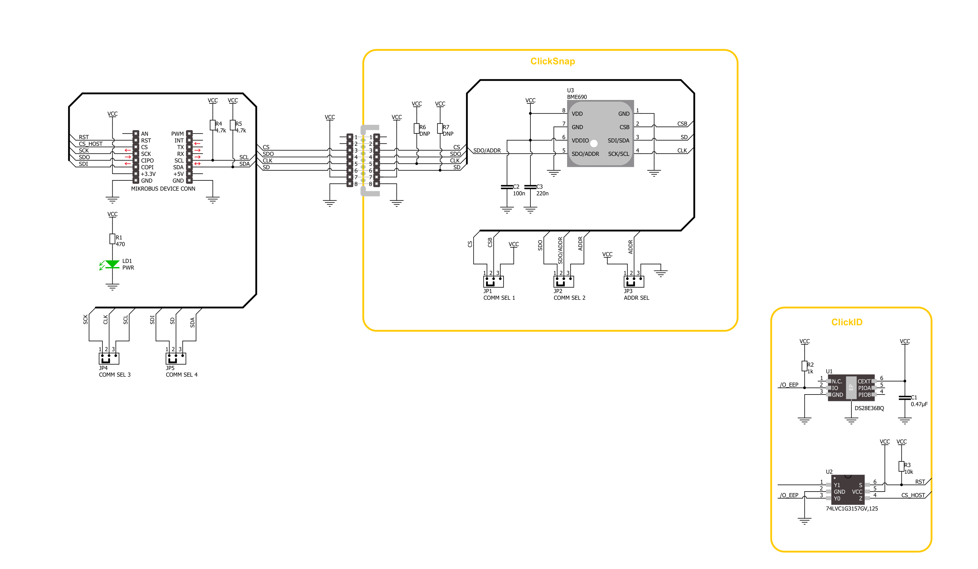
Environment 6 Click is based on the BME690, the world’s smallest 4-in-1 environmental sensor with integrated AI from Bosch Sensortec. This board combines gas, humidity, pressure, and temperature measurement and provides a highly integrated environmental sensing solution designed for precise monitoring of air quality and ambient conditions. The BME690 is capable of detecting volatile organic compounds, volatile sulfur compounds, carbon monoxide, hydrogen, and other gases, and it includes a gas scanner function that offers extended measurements to evaluate overall indoor or outdoor air quality. By using Bosch’s software, gas readings can be analyzed further, and AI-driven algorithms can be trained to detect specific environmental indicators such as the likelihood of bacteria growth or the presence of organic contaminants, delivering reliable and adaptable data for a wide range of use cases. The BME690 provides key outputs such as Index for Air Quality, bVOC- and CO2-equivalent values, ensuring actionable insights into environmental
health. It supports a full operating range with pressure accuracy of ±0.05hPa, humidity accuracy of ±3%RH, and temperature accuracy of ±0.5°C within 0 to 65°C range, making it suitable for demanding applications including wearables, mobile devices, smart home solutions, and care-related products. This Click board™ is designed in a unique format supporting the newly introduced MIKROE feature called "Click Snap." Unlike the standardized version of Click boards, this feature allows the main sensor/IC/module area to become movable by breaking the PCB, opening up many new possibilities for implementation. Thanks to the Snap feature, the BME690 can operate autonomously by accessing its signals directly on the pins marked 1-8. Additionally, the Snap part includes a specified and fixed screw hole position, enabling users to secure the Snap board in their desired location. This board supports communication with the host MCU through either SPI (maximum clock frequency of 10MHz) or I2C (maximum clock frequency of 3.4MHz) interfaces,
with I2C being the default option. The communication interface is selected by adjusting the COMM SEL jumper to the desired position. To enhance flexibility, particularly with the detachable Snap section of the Click Snap format, an additional COMM SEL jumpers are available. These jumpers functions the same as the COMM SEL, allowing for independent communication interface selection when the Snap section is used independently. To ensure proper functionality, all COMM jumpers must be set to the same interface. For those using the I2C interface, the board also provides an ADDR SEL jumper, enabling users to configure the I2C address as needed for their specific application. This Click board™ can be operated only with a 3.3V logic voltage level. The board must perform appropriate logic voltage level conversion before using MCUs with different logic levels. It also comes equipped with a library containing functions and example code that can be used as a reference for further development.
Features overview
Development board
Arduino UNO is a versatile microcontroller board built around the ATmega328P chip. It offers extensive connectivity options for various projects, featuring 14 digital input/output pins, six of which are PWM-capable, along with six analog inputs. Its core components include a 16MHz ceramic resonator, a USB connection, a power jack, an
ICSP header, and a reset button, providing everything necessary to power and program the board. The Uno is ready to go, whether connected to a computer via USB or powered by an AC-to-DC adapter or battery. As the first USB Arduino board, it serves as the benchmark for the Arduino platform, with "Uno" symbolizing its status as the
first in a series. This name choice, meaning "one" in Italian, commemorates the launch of Arduino Software (IDE) 1.0. Initially introduced alongside version 1.0 of the Arduino Software (IDE), the Uno has since become the foundational model for subsequent Arduino releases, embodying the platform's evolution.
Microcontroller Overview
MCU Card / MCU

Architecture
AVR
MCU Memory (KB)
32
Silicon Vendor
Microchip
Pin count
32
RAM (Bytes)
2048
You complete me!
Accessories
Click Shield for Arduino UNO has two proprietary mikroBUS™ sockets, allowing all the Click board™ devices to be interfaced with the Arduino UNO board without effort. The Arduino Uno, a microcontroller board based on the ATmega328P, provides an affordable and flexible way for users to try out new concepts and build prototypes with the ATmega328P microcontroller from various combinations of performance, power consumption, and features. The Arduino Uno has 14 digital input/output pins (of which six can be used as PWM outputs), six analog inputs, a 16 MHz ceramic resonator (CSTCE16M0V53-R0), a USB connection, a power jack, an ICSP header, and reset button. Most of the ATmega328P microcontroller pins are brought to the IO pins on the left and right edge of the board, which are then connected to two existing mikroBUS™ sockets. This Click Shield also has several switches that perform functions such as selecting the logic levels of analog signals on mikroBUS™ sockets and selecting logic voltage levels of the mikroBUS™ sockets themselves. Besides, the user is offered the possibility of using any Click board™ with the help of existing bidirectional level-shifting voltage translators, regardless of whether the Click board™ operates at a 3.3V or 5V logic voltage level. Once you connect the Arduino UNO board with our Click Shield for Arduino UNO, you can access hundreds of Click boards™, working with 3.3V or 5V logic voltage levels.
Used MCU Pins
mikroBUS™ mapper
Take a closer look
Click board™ Schematic

Step by step
Project assembly
Track your results in real time
Application Output
1. Application Output - In Debug mode, the 'Application Output' window enables real-time data monitoring, offering direct insight into execution results. Ensure proper data display by configuring the environment correctly using the provided tutorial.

2. UART Terminal - Use the UART Terminal to monitor data transmission via a USB to UART converter, allowing direct communication between the Click board™ and your development system. Configure the baud rate and other serial settings according to your project's requirements to ensure proper functionality. For step-by-step setup instructions, refer to the provided tutorial.

3. Plot Output - The Plot feature offers a powerful way to visualize real-time sensor data, enabling trend analysis, debugging, and comparison of multiple data points. To set it up correctly, follow the provided tutorial, which includes a step-by-step example of using the Plot feature to display Click board™ readings. To use the Plot feature in your code, use the function: plot(*insert_graph_name*, variable_name);. This is a general format, and it is up to the user to replace 'insert_graph_name' with the actual graph name and 'variable_name' with the parameter to be displayed.

Software Support
Library Description
Environment 6 Click demo application is developed using the NECTO Studio, ensuring compatibility with mikroSDK's open-source libraries and tools. Designed for plug-and-play implementation and testing, the demo is fully compatible with all development, starter, and mikromedia boards featuring a mikroBUS™ socket.
Example Description
This example demonstrates the use of the Environment 6 Click board, which integrates a high-precision environmental sensor for measuring temperature, humidity, pressure, and gas resistance. The application initializes the device and periodically reads and logs all available environmental parameters via UART.
Key functions:
environment6_cfg_setup- This function initializes Click configuration structure to initial values.environment6_init- This function initializes all necessary pins and peripherals used for this Click board.environment6_default_cfg- This function executes a default configuration of Environment 6 Click board.environment6_set_sensor_conf- This function configures the sensor oversampling, filter, and data rate.environment6_set_gas_conf- This function sets the heater temperature, duration, and enables gas measurements.environment6_get_data- This function triggers a measurement and reads temperature, pressure, humidity, and gas resistance data.
Application Init
Initializes the logger and configures the Environment 6 Click. It sets up communication and applies the default configuration to the sensor.
Application Task
Continuously reads temperature (degC), humidity (%RH), pressure (mBar), and gas resistance (Ohms) if enabled, then logs the measured values every second.
Open Source
Code example
The complete application code and a ready-to-use project are available through the NECTO Studio Package Manager for direct installation in the NECTO Studio. The application code can also be found on the MIKROE GitHub account.
/*!
* @file main.c
* @brief Environment 6 Click example
*
* # Description
* This example demonstrates the use of the Environment 6 Click board, which integrates
* a high-precision environmental sensor for measuring temperature, humidity, pressure,
* and gas resistance. The application initializes the device and periodically reads
* and logs all available environmental parameters via UART.
*
* The demo application is composed of two sections:
*
* ## Application Init
* Initializes the logger and configures the Environment 6 Click. It sets up
* communication and applies the default configuration to the sensor.
*
* ## Application Task
* Continuously reads temperature (degC), humidity (%RH), pressure (mBar), and gas
* resistance (Ohms) if enabled, then logs the measured values every second.
*
* @note
* The BME690 sensor on this Click board provides raw gas resistance data only.
* To calculate indoor air quality (IAQ), VOC index, CO2 equivalents, and similar
* environmental parameters, Bosch Sensortec BSEC (Bosch Software Environmental Cluster)
* algorithm must be integrated separately.
*
* @author Stefan Filipovic
*
*/
#include "board.h"
#include "log.h"
#include "environment6.h"
static environment6_t environment6;
static log_t logger;
void application_init ( void )
{
log_cfg_t log_cfg; /**< Logger config object. */
environment6_cfg_t environment6_cfg; /**< Click config object. */
/**
* Logger initialization.
* Default baud rate: 115200
* Default log level: LOG_LEVEL_DEBUG
* @note If USB_UART_RX and USB_UART_TX
* are defined as HAL_PIN_NC, you will
* need to define them manually for log to work.
* See @b LOG_MAP_USB_UART macro definition for detailed explanation.
*/
LOG_MAP_USB_UART( log_cfg );
log_init( &logger, &log_cfg );
log_info( &logger, " Application Init " );
// Click initialization.
environment6_cfg_setup( &environment6_cfg );
ENVIRONMENT6_MAP_MIKROBUS( environment6_cfg, MIKROBUS_1 );
err_t init_flag = environment6_init( &environment6, &environment6_cfg );
if ( ( I2C_MASTER_ERROR == init_flag ) || ( SPI_MASTER_ERROR == init_flag ) )
{
log_error( &logger, " Communication init." );
for ( ; ; );
}
if ( ENVIRONMENT6_ERROR == environment6_default_cfg ( &environment6 ) )
{
log_error( &logger, " Default configuration." );
for ( ; ; );
}
log_info( &logger, " Application Task " );
}
void application_task ( void )
{
environment6_data_t meas_res;
if ( ENVIRONMENT6_OK == environment6_get_data ( &environment6, &meas_res ) )
{
log_printf( &logger, " Temperature : %.2f degC\r\n", meas_res.temperature );
log_printf( &logger, " Humidity : %.2f %%\r\n", meas_res.humidity );
log_printf( &logger, " Pressure : %.1f mBar\r\n", meas_res.pressure );
if ( environment6.gas_conf.enable )
{
log_printf( &logger, " Gas Resistance : %.1f Ohms\r\n", meas_res.gas_resistance );
}
log_printf( &logger, "--------------------------------\r\n" );
Delay_ms ( 1000 );
}
}
int main ( void )
{
/* Do not remove this line or clock might not be set correctly. */
#ifdef PREINIT_SUPPORTED
preinit();
#endif
application_init( );
for ( ; ; )
{
application_task( );
}
return 0;
}
// ------------------------------------------------------------------------ END
Additional Support
Resources
Category:Gas


































