Gain advanced circuit protection with adjustable current limiting, fast short-circuit response, and real-time load monitoring for reliable power management
A
A
Hardware Overview
How does it work?
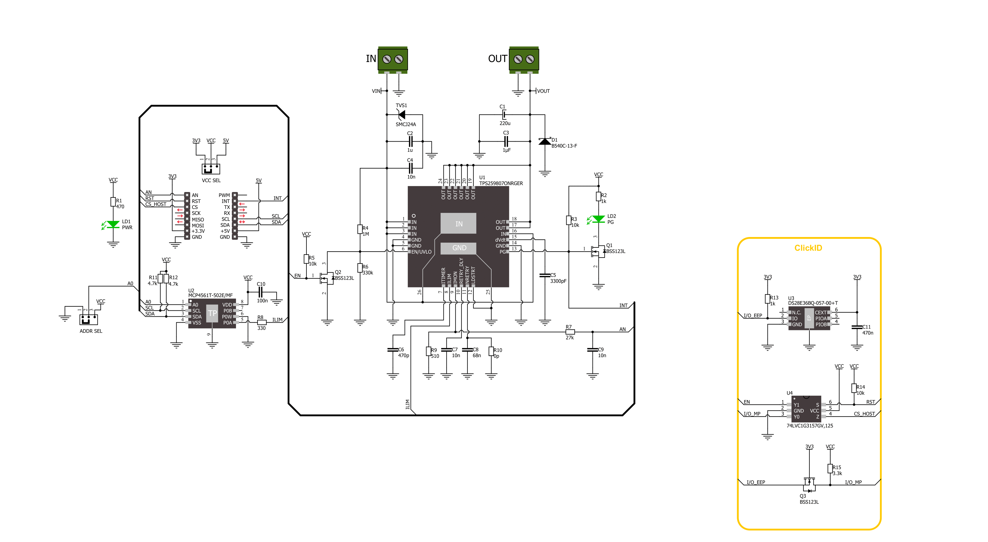
Current Limit 4 Click is based on the TPS259807ONRGE, a 3mΩ smart eFuse from Texas Instruments that provides advanced circuit protection and power management for various electronic applications. It is designed to safeguard systems from overloads, short circuits, voltage surges, and excessive inrush current while maintaining uninterrupted operation during normal line and load transients. Operating over a wide input voltage range from 2.7V to 24V at the VIN terminal, this device offers a circuit breaker–type overcurrent response without OVLO functionality, intelligently distinguishing between transient conditions and true fault events. This capability ensures that brief current spikes do not cause unnecessary shutdowns while still providing robust fault isolation when needed. The TPS259807ONRGE can be configured to either remain latched off after a fault or automatically retry, enabling remote and autonomous recovery in
applications where temporary faults may occur, thus preventing unnecessary downtime and reducing the need for manual intervention. Such flexibility makes Current Limit 4 Click an excellent choice for protecting hot-swap and hot-plug interfaces, server standby rails, PCIe risers, add-on cards, fan modules, routers, switches, optical modules, and industrial PCs, among other sensitive and high-availability systems that require both reliable protection and operational continuity. Current Limit 4 Click incorporates the MCP4561 digital potentiometer to precisely set the output current limit threshold in the range from 2A to 8A, as well as to adjust the fast-trip threshold for short-circuit protection. The MCP4561 communicates with the host MCU via an I2C interface and features an ADDR SEL jumper for selecting the I2C address, enabling flexibility in multi-device systems. In addition to the I2C pins, the board also uses several control and monitoring lines. The EN pin
serves as the device enable input, allowing the user or system controller to activate or disable the circuit; the AN pin provides an analog output load current monitor, sourcing a current proportional to the actual load current for real-time measurement or feedback; and the INT pin functions as an active-high Power Good indication signal, asserted when the internal FET is fully enhanced and the output has reached its maximum voltage. This Power Good status can also be monitored visually through the onboard PG green LED, offering an immediate and convenient indication of system readiness. This Click board™ can operate with either 3.3V or 5V logic voltage levels selected via the VCC SEL jumper. This way, both 3.3V and 5V capable MCUs can use the communication lines properly. Also, this Click board™ comes equipped with a library containing easy-to-use functions and an example code that can be used as a reference for further development.
Features overview
Development board
Nucleo-64 with STM32G474R MCU offers a cost-effective and adaptable platform for developers to explore new ideas and prototype their designs. This board harnesses the versatility of the STM32 microcontroller, enabling users to select the optimal balance of performance and power consumption for their projects. It accommodates the STM32 microcontroller in the LQFP64 package and includes essential components such as a user LED, which doubles as an ARDUINO® signal, alongside user and reset push-buttons, and a 32.768kHz crystal oscillator for precise timing operations. Designed with expansion and flexibility in mind, the Nucleo-64 board features an ARDUINO® Uno V3 expansion connector and ST morpho extension pin
headers, granting complete access to the STM32's I/Os for comprehensive project integration. Power supply options are adaptable, supporting ST-LINK USB VBUS or external power sources, ensuring adaptability in various development environments. The board also has an on-board ST-LINK debugger/programmer with USB re-enumeration capability, simplifying the programming and debugging process. Moreover, the board is designed to simplify advanced development with its external SMPS for efficient Vcore logic supply, support for USB Device full speed or USB SNK/UFP full speed, and built-in cryptographic features, enhancing both the power efficiency and security of projects. Additional connectivity is
provided through dedicated connectors for external SMPS experimentation, a USB connector for the ST-LINK, and a MIPI® debug connector, expanding the possibilities for hardware interfacing and experimentation. Developers will find extensive support through comprehensive free software libraries and examples, courtesy of the STM32Cube MCU Package. This, combined with compatibility with a wide array of Integrated Development Environments (IDEs), including IAR Embedded Workbench®, MDK-ARM, and STM32CubeIDE, ensures a smooth and efficient development experience, allowing users to fully leverage the capabilities of the Nucleo-64 board in their projects.
Microcontroller Overview
MCU Card / MCU

Architecture
ARM Cortex-M4
MCU Memory (KB)
512
Silicon Vendor
STMicroelectronics
Pin count
64
RAM (Bytes)
128k
You complete me!
Accessories
Click Shield for Nucleo-64 comes equipped with two proprietary mikroBUS™ sockets, allowing all the Click board™ devices to be interfaced with the STM32 Nucleo-64 board with no effort. This way, Mikroe allows its users to add any functionality from our ever-growing range of Click boards™, such as WiFi, GSM, GPS, Bluetooth, ZigBee, environmental sensors, LEDs, speech recognition, motor control, movement sensors, and many more. More than 1537 Click boards™, which can be stacked and integrated, are at your disposal. The STM32 Nucleo-64 boards are based on the microcontrollers in 64-pin packages, a 32-bit MCU with an ARM Cortex M4 processor operating at 84MHz, 512Kb Flash, and 96KB SRAM, divided into two regions where the top section represents the ST-Link/V2 debugger and programmer while the bottom section of the board is an actual development board. These boards are controlled and powered conveniently through a USB connection to program and efficiently debug the Nucleo-64 board out of the box, with an additional USB cable connected to the USB mini port on the board. Most of the STM32 microcontroller pins are brought to the IO pins on the left and right edge of the board, which are then connected to two existing mikroBUS™ sockets. This Click Shield also has several switches that perform functions such as selecting the logic levels of analog signals on mikroBUS™ sockets and selecting logic voltage levels of the mikroBUS™ sockets themselves. Besides, the user is offered the possibility of using any Click board™ with the help of existing bidirectional level-shifting voltage translators, regardless of whether the Click board™ operates at a 3.3V or 5V logic voltage level. Once you connect the STM32 Nucleo-64 board with our Click Shield for Nucleo-64, you can access hundreds of Click boards™, working with 3.3V or 5V logic voltage levels.
Used MCU Pins
mikroBUS™ mapper
Take a closer look
Click board™ Schematic

Step by step
Project assembly
Track your results in real time
Application Output
1. Application Output - In Debug mode, the 'Application Output' window enables real-time data monitoring, offering direct insight into execution results. Ensure proper data display by configuring the environment correctly using the provided tutorial.

2. UART Terminal - Use the UART Terminal to monitor data transmission via a USB to UART converter, allowing direct communication between the Click board™ and your development system. Configure the baud rate and other serial settings according to your project's requirements to ensure proper functionality. For step-by-step setup instructions, refer to the provided tutorial.

3. Plot Output - The Plot feature offers a powerful way to visualize real-time sensor data, enabling trend analysis, debugging, and comparison of multiple data points. To set it up correctly, follow the provided tutorial, which includes a step-by-step example of using the Plot feature to display Click board™ readings. To use the Plot feature in your code, use the function: plot(*insert_graph_name*, variable_name);. This is a general format, and it is up to the user to replace 'insert_graph_name' with the actual graph name and 'variable_name' with the parameter to be displayed.

Software Support
Library Description
Current Limit 4 Click demo application is developed using the NECTO Studio, ensuring compatibility with mikroSDK's open-source libraries and tools. Designed for plug-and-play implementation and testing, the demo is fully compatible with all development, starter, and mikromedia boards featuring a mikroBUS™ socket.
Example Description
This library contains API for the Current Limit 4 Click driver for the current limiting to a certain value and displays the sources a current proportional to the load current [A].
Key functions:
currentlimit4_cfg_setup- Config Object Initialization function.currentlimit4_init- Initialization function.currentlimit4_default_cfg- Click Default Configuration function.currentlimit4_set_limit- Current Limit 4 set current limit function.currentlimit4_get_current- Current Limit 4 get current function.currentlimit4_get_power_good- Current Limit 4 power good indication function.
Application Init
Initialization of I2C and ADC module and log UART. After driver initialization, the app executes a default configuration and set the minimum current limit threshold to 1.0 [A].
Application Task
This example demonstrates the use of the Current Limit 4 Click board™. The demo application displays the source current proportional to the load current and an appropriate message when the current reaches the limit. Results are being sent to the UART Terminal, where you can track their changes.
Open Source
Code example
The complete application code and a ready-to-use project are available through the NECTO Studio Package Manager for direct installation in the NECTO Studio. The application code can also be found on the MIKROE GitHub account.
/*!
* @file main.c
* @brief Current Limit 4 Click Example.
*
* # Description
* This library contains API for the Current Limit 4 Click driver
* for the current limiting to a certain value and
* displays the sources a current proportional to the load current [A].
*
* The demo application is composed of two sections :
*
* ## Application Init
* Initialization of I2C and ADC module and log UART.
* After driver initialization, the app executes a default configuration
* and set the minimum current limit threshold to 1.0 [A].
*
* ## Application Task
* This example demonstrates the use of the Current Limit 4 Click board.
* The demo application displays the source current proportional to the load current
* and an appropriate message when the current reaches the limit.
* Results are being sent to the UART Terminal, where you can track their changes.
*
* @author Nenad Filipovic
*
*/
#include "board.h"
#include "log.h"
#include "currentlimit4.h"
static currentlimit4_t currentlimit4; /**< Current Limit 4 Click driver object. */
static log_t logger; /**< Logger object. */
void application_init ( void )
{
log_cfg_t log_cfg; /**< Logger config object. */
currentlimit4_cfg_t currentlimit4_cfg; /**< Click config object. */
/**
* Logger initialization.
* Default baud rate: 115200
* Default log level: LOG_LEVEL_DEBUG
* @note If USB_UART_RX and USB_UART_TX
* are defined as HAL_PIN_NC, you will
* need to define them manually for log to work.
* See @b LOG_MAP_USB_UART macro definition for detailed explanation.
*/
LOG_MAP_USB_UART( log_cfg );
log_init( &logger, &log_cfg );
log_info( &logger, " Application Init " );
// Click initialization.
currentlimit4_cfg_setup( ¤tlimit4_cfg );
CURRENTLIMIT4_MAP_MIKROBUS( currentlimit4_cfg, MIKROBUS_1 );
err_t init_flag = currentlimit4_init( ¤tlimit4, ¤tlimit4_cfg );
if ( ( ADC_ERROR == init_flag ) || ( I2C_MASTER_ERROR == init_flag ) )
{
log_error( &logger, " Communication init." );
for ( ; ; );
}
if ( CURRENTLIMIT4_ERROR == currentlimit4_default_cfg ( ¤tlimit4 ) )
{
log_error( &logger, " Default configuration." );
for ( ; ; );
}
log_info( &logger, " Application Task " );
Delay_ms ( 100 );
}
void application_task ( void )
{
static float current = 0;
if ( CURRENTLIMIT4_OK == currentlimit4_get_current( ¤tlimit4, ¤t ) )
{
if ( CURRENTLIMIT4_POWER_GOOD == currentlimit4_get_power_good( ¤tlimit4 ) )
{
log_printf( &logger, " Current : %.3f [A]\r\n", current );
}
else
{
log_printf( &logger, " Input voltage is lower then undervoltage protection threshold.\r\n" );
}
Delay_ms ( 1000 );
}
}
int main ( void )
{
/* Do not remove this line or clock might not be set correctly. */
#ifdef PREINIT_SUPPORTED
preinit();
#endif
application_init( );
for ( ; ; )
{
application_task( );
}
return 0;
}
// ------------------------------------------------------------------------ END
Additional Support
Resources
Category:Power Switch

































